电脑桌面
添加小米粒文库到电脑桌面
安装后可以在桌面快捷访问

交通信号灯自动指挥系统的课程设计VIP免费

交通信号灯自动指挥系统的课程设计_第1页
1/7
交通信号灯自动指挥系统的课程设计_第2页
2/7
交通信号灯自动指挥系统的课程设计_第3页
3/7
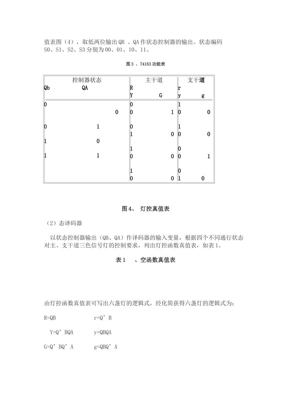
交通信号灯自动指挥系统的课程设计引言随着社会的发展,城市规模的不断扩大,城市交通成为制约城市发展的一大因素,因此,有许多设计工作者为改善城市交通环境设计了许多方案,而大多数都为交通指挥灯,本电路也正是基于前人设计的基础上进行改进的.全部有数字电路组成,较以前的方案更为精确前言当前,大量的信号灯电路正向着数字化、小功率、多样化、方便人、车、路三者关系的协调,多值化方向发展随着社会经济的发展,城市交通问题越来越引起人们的关注。,这些城市纷纷修建城市高速道路,在高速道路建设完成的初期,它们也曾有效地改善了交通状况。然而,随着交通量的快速增长和缺乏对高速道路的系统研究和控制,高速道路没有充分发挥出预期的作用。而城市高速道路在构造上的特点,也决定了城市高速道路的交通状况必然受高速道路与普通道路耦合处交通状况的制约。人、车、路三者关系的协调,已成为交通管理部门需要解决的重要问题之一。城市交通控制系统是用于城市交通数据监测、交通信号灯控制与交通疏导的计算机综合管理系统,它是现代城市交通监控指挥系统中最重要的组成部分。目录前言……………………………………………………1一、设计要求……………………………………………………3二、方案设计……………………………………………………3三、方案实现……………………………………………………4四、注意事项……………………………………………………11五、总结……………………………………………………11六、参考文献……………………………………………………12七、致谢……………………………………………………12交通信号灯自动指挥系统的设计信号灯自动指挥系统的是典型的数字电子控制系统。通过系统的设计和仿真实验。我们可以得到电路的系统的综合训练,设计十字路口主干道和一些小干道的支干组成。四个路口均设有、红、绿、黄、色信号灯和两位8421BCD码的计数、译码显示器。十字路口交通指挥系统示意图如下:十字路口交通指挥系统示意图一、设计任务与要求:(1)、支干道交替通行,通行时间均可在0~99s内任意设定。(2)没次绿灯换红灯前,黄灯先亮较短时间(也可在0~99s内任意设定),用以等待十字路口内留车辆通过。(3)主、支干道通行时间和黄灯亮的时间均由同一两位一百进制减法计数器(按零状态为无效态记数方式计数)顺序定时控制。(4)减计数器回零瞬间完成十字路口通行状态的转换(换灯)。(5)计数器的状态由显示器件库中的带译码器七段数码管显示,红、黄、绿三色信号灯由显示器件库中的指示灯模拟。(一)、系统工作流程图与结构框图设主干道通行时间为N1,支干道通行时间为N2,主、支干道黄灯亮的时间为N3,按主、支干道通行量,通常设置N1>N2>N3。系统工作流程图如图1所示。图1、系统工作流程图根据系统工作流程图,设计系统硬件结构框图如图2所示。图2、系统硬件结构框图(二)、系统单元电路设计(1)状态控制器由流程图可见,系统有四种不同的工作状态(S0~S3),选用四位二进制递增集成计数器74163作状态控制器,74163的功能表如图(3)所示,真值表图(4),取低两位输出QB、QA作状态控制器的输出。状态编码S0、S1、S2、S3分别为00、01、10、11。图3、74163功能表控制器状态QbQA主干道RYG支干道ryg00011011001010100100100100001010图4、灯控真值表(2)态译码器以状态控制器输出(QB、QA)作译码器的输入变量,根据四个不同通行状态对主、支干道三色信号灯的控制要求,列出灯控函数真值表,如表1。表1、空函数真值表由灯控函数真值表可写出六盏灯的逻辑式,经化简获得六盏灯的逻辑式为:R=QBr=Q’BY=Q’BQAy=QBQAG=Q’BQ’Ag=QBQ’A根据灯控函数逻辑表达式,可画出与门与非门组成的状态译码器电路,将状态控制器、状态译码器以及模拟三色信号灯相连接,构成三色信号灯逻辑控制电路。(2)信号灯计时显示逻辑电路选用两片74190十进制可逆计数器构成2位十进制可预置数的减法计数器。两片计数器之间采用异步级连方式,利用个位计数器的借位输出脉冲(RCO’)直接作为十位计数器的计数脉冲(CLK),个位计数器输入秒脉冲作为计数脉冲。选用两只带译码器功能...

1、当您付费下载文档后,您只拥有了使用权限,并不意味着购买了版权,文档只能用于自身使用,不得用于其他商业用途(如 [转卖]进行直接盈利或[编辑后售卖]进行间接盈利)。
2、本站所有内容均由合作方或网友上传,本站不对文档的完整性、权威性及其观点立场正确性做任何保证或承诺!文档内容仅供研究参考,付费前请自行鉴别。
3、如文档内容存在违规,或者侵犯商业秘密、侵犯著作权等,请点击“违规举报”。

碎片内容

交通信号灯自动指挥系统的课程设计

确认删除?
VIP
微信客服
  • 扫码咨询
会员Q群
  • 会员专属群点击这里加入QQ群
客服邮箱
回到顶部