电脑桌面
添加小米粒文库到电脑桌面
安装后可以在桌面快捷访问

潜在失效模式及后果分析的理解及应用VIP免费

潜在失效模式及后果分析的理解及应用_第1页
1/3
潜在失效模式及后果分析的理解及应用_第2页
2/3
潜在失效模式及后果分析的理解及应用_第3页
3/3
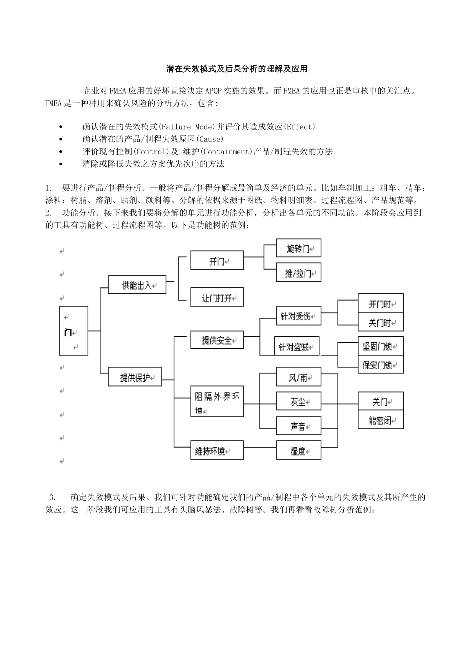
潜在失效模式及后果分析的理解及应用企业对FMEA应用的好坏直接決定APQP实施的效果。而FMEA的应用也正是审核中的关注点。FMEA是一种种用来确认风险的分析方法,包含:确认潜在的失效模式(FailureMode)并评价其造成效应(Effect)确认潜在的产品/制程失效原因(Cause)评价现有控制(Control)及维护(Containment)产品/制程失效的方法消除或降低失效之方案优先次序的方法1.要进行产品/制程分析。一般将产品/制程分解成最简单及经济的单元。比如车制加工:粗车、精车;涂料:树脂、溶剂、助剂、颜料等。分解的依据来源于图纸、物料明细表、过程流程图、产品规范等。2.功能分析。接下来我们要将分解的单元进行功能分析,分析出各单元的不同功能。本阶段会应用到的工具有功能树、过程流程图等。以下是功能树的范例:3.确定失效模式及后果。我们可针对功能确定我们的产品/制程中各个单元的失效模式及其所产生的效应。这一阶段我们可应用的工具有头脑风暴法、故障树等。我们再看看故障树分析范例:其中房间变暗是失效的效应,而灯泡炸了及开关失效等则是失效模式。4.失效的原因。这一阶段应用的工具有因果图(鱼骨图)、五个为什么等。因果图:示例:为何延迟交货人:订货情报掌握不确实;没有交货意识机:主要生产设备出故障料:库存安全量少;存放位置不足法:数量少没有生产计划配合;没有标准件参考,生产进程变慢环:交货期短在原因分析阶段,企业往往基于对原因分析理解不够,造成原因不对,最终控制方法自然出现偏差。如:车制加工中的尺寸超差为失效模式,其后果会造成客户后续装配或客户产品不能用,有企业将其原因归结为检验方法不当或检验人员的失误。但我们通过以上方法去对原因分析便可得出,检验失误只可能放行已产生的不良,而不能造成生产过程中的产品失效。而应该是制造过程中的人、机、料、法、环。5.针对失效的原因进行控制。只要真实的原因得以识别,控制方法就没什么问题。针对产品的特性控制有自检、首检、巡检、测试、控制图等;针对过程特性控制一般都应用作业指导书、操作说明、人员培训、设备维护等方法控制。

1、当您付费下载文档后,您只拥有了使用权限,并不意味着购买了版权,文档只能用于自身使用,不得用于其他商业用途(如 [转卖]进行直接盈利或[编辑后售卖]进行间接盈利)。
2、本站所有内容均由合作方或网友上传,本站不对文档的完整性、权威性及其观点立场正确性做任何保证或承诺!文档内容仅供研究参考,付费前请自行鉴别。
3、如文档内容存在违规,或者侵犯商业秘密、侵犯著作权等,请点击“违规举报”。

碎片内容

潜在失效模式及后果分析的理解及应用

您可能关注的文档

确认删除?
VIP
微信客服
  • 扫码咨询
会员Q群
  • 会员专属群点击这里加入QQ群
客服邮箱
回到顶部