电脑桌面
添加小米粒文库到电脑桌面
安装后可以在桌面快捷访问

钢筋工程施工组织设计方案VIP免费

钢筋工程施工组织设计方案_第1页
1/21
钢筋工程施工组织设计方案_第2页
2/21
钢筋工程施工组织设计方案_第3页
3/21
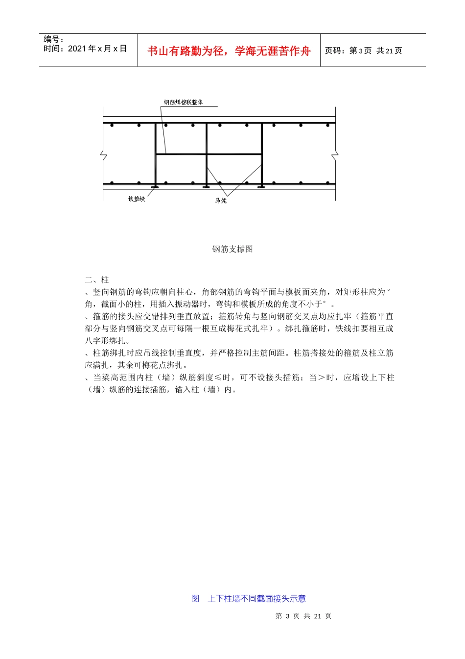
第1页共21页编号:时间:2021年x月x日书山有路勤为径,学海无涯苦作舟页码:第1页共21页钢筋工程钢筋工程质量标准一、保证项目、钢筋的材质、规格及焊条类型应符合钢筋工程的设计和施工规范,有材质及产品合格证书和物理性能检验,对于进口钢材需增加化学性能检定,检验合格后方能使用。、钢筋的规格、形状、尺寸、数量、间距、锚固长度、接头位置、保护层厚度必须符合设计要求和施工规范的规定。、焊工必须持相应等级焊工证才允许上岗操作。、在焊接前应预先用相同的材料、焊接条件及参数,制作二个抗拉试件,其试验结果大于该类别钢筋的抗拉强度时,才允许正式施焊,此时可不再从成品抽样取试件。二、基本项目、钢筋、骨架绑扎、缺扣、松扣不超过应绑扎数的%,且不应集中。、钢筋弯钩的朝向正确,绑扎接头符合施工规范的规定,搭接长度不小于规定值。、所有焊接接头必须进行外观检验,其要求是:焊缝表面平顺,没有较明显的咬边、凹陷、焊瘤、夹渣及气孔,严禁有裂纹出现。三、机械性能试验、检查方法根据焊件的机械性能的有关规定进行取样送检。钢筋加工制作钢筋加工制作时,要将钢筋加工下料表与设计图复核,检查下料表是否有错误和遗漏,对每种钢筋要按下料表检查是否达到要求,经过这两道检查后,再按下料表放出实样,试制合格后方可成批制作,加工好的钢筋要挂牌堆放整齐有序。施工中如需要钢筋代换时,必须先充分了解设计意图和代换材料性能,严格遵守现行钢筋混凝土设计规范的各种规定,并不得以等面积的高强度钢筋代换低强度的钢筋。凡重要部位的钢筋代换,须征得设计单位同意,并有书面通知时方可代换。、钢筋表面应洁净,粘着的油污、泥土、浮锈使用前必须清理干净,可结合冷拉工艺除锈。、钢筋调直,可用机械或人工调直。经调直后的钢筋不得有局部弯曲、死弯、小波浪形,其表面伤痕不应使钢筋截面减小%。、钢筋切断应根据钢筋号、直径、长度和数量,长短搭配,先断长料后断短料,尽量减少和缩短钢筋短头,以节约钢材。、钢筋弯钩或弯曲:第2页共21页第1页共21页编号:时间:2021年x月x日书山有路勤为径,学海无涯苦作舟页码:第2页共21页()、钢筋弯钩。形式有三种,分别为半圆弯钩、直弯钩及斜弯钩。钢筋弯曲后,弯曲处内皮收缩。外皮延伸、轴线长度不变,弯曲处形成圆弧,弯起后尺寸不大于下料尺寸,应考虑弯曲调整值。钢筋弯心直径为,平直部分为。钢筋弯钩增加长度的理论计算值:对装半圆弯钩为,对直弯钩为,对斜弯钩为。()、弯起钢筋:中间部位弯折处的弯曲直径,不小于钢筋直径的倍。()、箍筋:箍筋的未端应作弯钩,弯钩形式应符合设计要求。箍筋调整值,即为弯钩增加长度和弯曲调整值两项之差或和,根据箍筋量外包尺寸或内皮尺寸而定。()、钢筋下料长度应根据构件尺寸、混凝土保护层厚度、钢筋弯曲调整值和弯钩增加长度等规定综合考虑。、直钢筋下料长度=构件长度一保护层厚度十弯钩增加长度、弯起钢筋下料长度=直段长度十斜弯长度一弯曲调整值十弯钩增加长度、箍筋下料长度=箍筋内周长十箍筋调整值十弯钩增加长度钢筋绑扎与安装钢筋绑扎前先认真熟悉图纸,检查配料表与图纸,设计是否有出入,仔细检查成品尺寸、形状是否与下料表相符。核对无误后方可进行绑扎。一、底板及承台钢筋绑扎底板钢筋绑扎:底板钢筋工程量大,穿插复杂,必须注意施工顺序:、施工前弹出钢筋位置线,以确保钢筋绑扎后位置的正确性。、先绑扎承台、地梁钢筋,绑扎时用钢管搭设支架临时固定,成型后拆除。、承台、地梁钢筋绑扎完成后,按弹出的底板钢筋位置线,先铺底板下层钢筋,根据底板受力情况,底板面筋应放在地梁主筋下面。、钢筋绑扎时,靠近外围两行的相交点每点都绑扎,中间部分可梅花型绑扎,双向受力钢筋应满绑。、底排筋用混凝土垫块垫起,梅花状布置,确保保护层厚度。、绑扎完下层钢筋后,摆放钢筋马凳,底部与下层筋点焊固定,在马凳上纵向或横向固定定位钢筋,然后再绑扎上层钢筋。第3页共21页第2页共21页编号:时间:2021年x月x日书山有路勤为径,学海无涯苦作舟页码:第3页共21页钢筋支撑图二、柱、竖向钢筋的弯钩应朝向柱心,角部钢筋的弯钩平面与模板面夹角,对...

1、当您付费下载文档后,您只拥有了使用权限,并不意味着购买了版权,文档只能用于自身使用,不得用于其他商业用途(如 [转卖]进行直接盈利或[编辑后售卖]进行间接盈利)。
2、本站所有内容均由合作方或网友上传,本站不对文档的完整性、权威性及其观点立场正确性做任何保证或承诺!文档内容仅供研究参考,付费前请自行鉴别。
3、如文档内容存在违规,或者侵犯商业秘密、侵犯著作权等,请点击“违规举报”。

碎片内容

钢筋工程施工组织设计方案

确认删除?
VIP
微信客服
  • 扫码咨询
会员Q群
  • 会员专属群点击这里加入QQ群
客服邮箱
回到顶部