电脑桌面
添加小米粒文库到电脑桌面
安装后可以在桌面快捷访问

钒钛磁铁矿高炉冶炼的强化VIP免费

钒钛磁铁矿高炉冶炼的强化_第1页
1/10
钒钛磁铁矿高炉冶炼的强化_第2页
2/10
钒钛磁铁矿高炉冶炼的强化_第3页
3/10
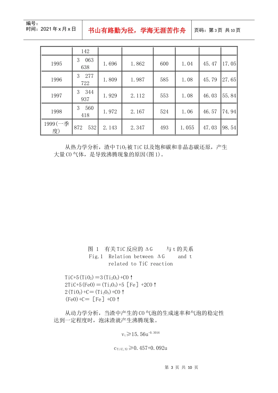
第1页共10页编号:时间:2021年x月x日书山有路勤为径,学海无涯苦作舟页码:第1页共10页钒钛磁铁矿高炉冶炼的强化马家源孙希文盛世雄摘要:以高钛型钒钛磁铁矿为主要原料的攀钢高炉,在解决了泡沫渣、粘渣、铁水粘罐、铁损高、脱硫能力低等重要技术难题后,通过优化高炉操作及炉料结构,开发一系列强化冶炼的新技术,取得了大型高炉在采用难冶炼的特殊矿、入炉品位低的情况下达到高利用系数的经验,获得了巨大的经济效益,并建立了高炉冶炼钒钛磁铁矿的系统理论。关键词:钒钛磁铁矿高炉强化冶炼INTENSIFIEDSMELTINGOFVANADIUMANDTITANIUMMAGNETITEINBLASTFURNACEMAJiayuanSUNXiwenSHENGShixiong(PanzhihuaIronandSteel(Group)Co.)ABSTRACT:Havingbeensolvedseveralcriticalproblems,suchasslagfoaming,viscousslag,hotmetalpitadhesion,highmetallossandlowdesulphurizationrate,Panganghasdevelopedanewpackageofoperationintensificationtechnologybyoptimizationofblastfurnaceoperationandburdenstructureswithgoodeconomicresults.Asystematicaltheoryofvanadiumandtitaniummagnetitesmeltinginblastfurnacehasbeenestablished.KEYWORDS:vanadiumtitaniummagnetite,blastfurnace,intensifiedsmelting▲1概述用普通大型高炉冶炼钒钛磁铁矿,尤其是冶炼时炉渣中TiO2>22%的高钛型钒钛磁铁矿,过去国内外都认为是不可能的。由于技术上的原因,用常规方法冶炼将会出现炉渣粘稠,渣铁不分,炉缸堆积等现象,使正常生产难以进行。我国攀枝花地区蕴藏着丰富的钒钛磁铁矿,是我国三大铁矿之一。与铁矿共生的钒、钛资源在全国和世界都占有重要地位。经过60年代中期的大规模工业性科学试验,解决了基本工艺问题,首创了高炉冶炼钒钛矿技术,为攀枝花资源的开发利用奠定了基础。并因此曾获国家发明奖。但由于一些重要的技术难题未能解决,如泡沫渣、铁水粘罐、铁损高以及品位低、渣量大等问题长期困扰生产,冶炼工艺及操作技术也尚不完全成熟,使攀钢高炉指标低下。自1970第2页共10页第1页共10页编号:时间:2021年x月x日书山有路勤为径,学海无涯苦作舟页码:第2页共10页年投产后,历经10年,高炉利用系数才达到不高的设计指标(1.40t/m2.d),此后长期徘徊在1.5~1.6t/(m3.d)的较低水平,且消耗高,焦比在620kg/t以上,经济效益差,连年亏损。进入90年代中期,攀钢以钒钛磁铁矿高炉强化冶炼为中心,开展了系统的科技攻关,进行了系列的科学试验和理论研究,成功地开发了钒钛磁铁矿高炉强化冶炼的新技术,取得重大的突破性进展。使各项指标大幅度提高,在入炉品位低的原料条件下,高炉利用系数达到国内外先进水平,自1998年下半年以来,利用系数(未经折算的实际值)一直保持在2.0t/(m3.d)以上,1999年一季度平均利用系数为2.143t/(m3.d),入炉焦比降到484kg/t,吨铁喷煤98.54kg,取得巨大经济效益(表1)。2主要技术难题的突破泡沫渣、铁水粘罐、粘渣、铁损高、脱硫能力低是钒钛矿高炉冶炼试验中的重要技术难题,也是攀钢高炉投产后长期困扰生产的主要问题。2.1泡沫渣问题冶炼钒钛矿的高炉渣流入渣罐后,产生大量气体,使炉渣成泡沫状沸腾上涨,溢出罐外。而涨落之后,罐内只有小半罐渣,渣罐容积不能充分利用,而高炉则因出不净渣铁,导致炉内压差升高,被迫减风,无法提高冶炼强度。通过理论研究〔1〕和生产试验,弄清了泡沫渣形成机理并找到了消除措施。表1攀钢炼铁厂1990~1998年度主要技术经济指标Table1Maintechnical-economicindexfrom1990to1998forIronmakingPlantofPangang年份总产量/t利用系数/t.m-3.d-1折算利用系数/t.m-3.d-1入炉焦比/t.m-3.d-1冶炼强度/t.m-3.d-1入炉矿石品位/%煤比/kg.t-1199022761641.4061.5556520.9545.583.80199126909371.5291.6716150.9745.367.01199228024181.5471.6946221.0145.5410.01199329171011.6151.7706151.0245.4110.81199428751.6551.8156081.0445.4014.15第3页共10页第2页共10页编号:时间:2021年x月x日书山有路勤为径,学海无涯苦作舟页码:第3页共10页142199530636381.6961.8626001.0445.4717.05199632777221.8091.9875851.0845....

1、当您付费下载文档后,您只拥有了使用权限,并不意味着购买了版权,文档只能用于自身使用,不得用于其他商业用途(如 [转卖]进行直接盈利或[编辑后售卖]进行间接盈利)。
2、本站所有内容均由合作方或网友上传,本站不对文档的完整性、权威性及其观点立场正确性做任何保证或承诺!文档内容仅供研究参考,付费前请自行鉴别。
3、如文档内容存在违规,或者侵犯商业秘密、侵犯著作权等,请点击“违规举报”。

碎片内容

钒钛磁铁矿高炉冶炼的强化

中小学教育精品资料+ 关注
实名认证
内容提供者

中小学教育资料,优质文档创作者

确认删除?
VIP
微信客服
  • 扫码咨询
会员Q群
  • 会员专属群点击这里加入QQ群
客服邮箱
回到顶部