电脑桌面
添加小米粒文库到电脑桌面
安装后可以在桌面快捷访问

配电箱安装工程安全技术交底VIP免费

配电箱安装工程安全技术交底_第1页
1/7
配电箱安装工程安全技术交底_第2页
2/7
配电箱安装工程安全技术交底_第3页
3/7
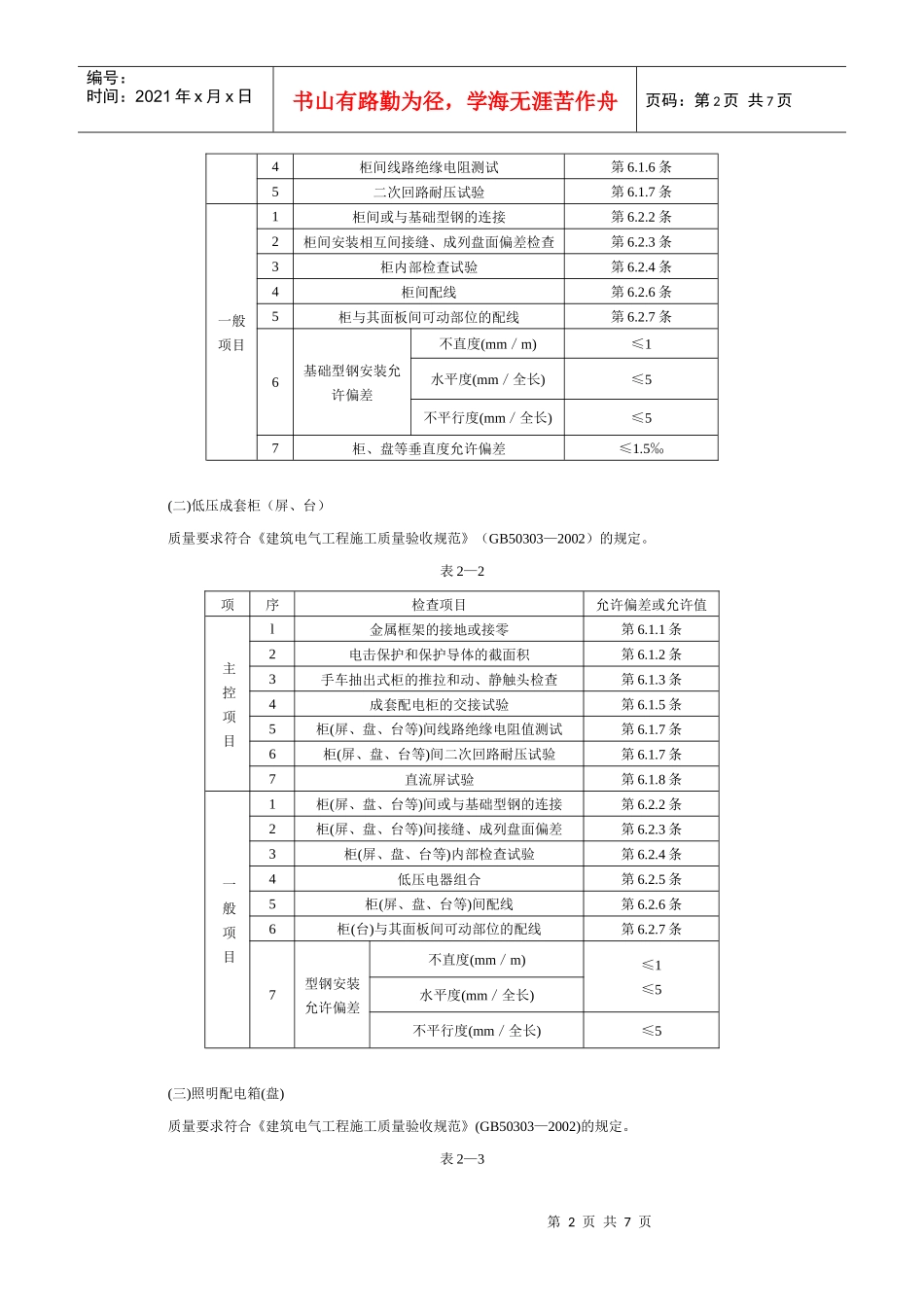
第1页共7页编号:时间:2021年x月x日书山有路勤为径,学海无涯苦作舟页码:第1页共7页配电箱安装工程—、施工准备(一)作业条件1.墙体结构已弹出施工水平线。2.安装配电箱所需的木砖及铁件已预埋。3.随土建结构预留的暗装配电箱的安装位置正确,大小合适。4.暗装配电箱箱体时,安装箱体墙面的抹灰应全部完成。暗装配电箱盘芯及贴脸时,土建装修的抹灰、喷浆及油漆应全部完成。5.明装配电箱时,土建装修的抹灰、喷浆及油漆应全部完成。(二)材料要求1.建筑电气工程中安装的高压成套配电柜、控制柜(屏、台)应有出厂合格证、生产许可证和试验记录。低压成套配电柜、动力、照明配电箱(盘、柜)除上述质量证明文件外,还应有“CCC"认证标志及认证证书复印件。2.动力、照明配电箱、低压柜,不同厂家、不同规格的出厂合格证应各备一张。低压进线冗接箱或分支柜,多层进户分界开关柜,不同厂家、不同规格的合格证应各备一张。3.产品进场后先进行外观检查:箱体应有一定的机械强度,周边平整无损伤,油漆无脱落。然后进行开箱检验:箱内各种器具应安装牢固,导线排列整齐,压接牢固,二层底板厚度不小于1.5mm,且不得用阻燃型塑料板做二层底板。各种断路器进行外观检验,调整及操作试验。4.配电箱不应采用可燃材料制作;在干燥无尘的场所,采用的木制配电箱应经阻燃处理。5.镀锌制品(支架、横担、接地极、避雷用型钢等)和外线金具应有出厂合格证和镀锌质量证明书。(三)主要机具1.铅笔、卷尺、水平尺、方尺、线坠等。2.手锤、錾子、剥线钳、尖嘴钳、压接钳、电钻、液压开孔器、锡锅、锡勺、电工常用工具等二、质量要求(一)高压开关柜质量要求符合《建筑电气工程施工质量验收规范》(GB50303—2002)的规定。表2—1项序检查项目允许偏差或允许值主控项目1金属框架的接地或接零第6.1.1条2手车抽出式柜的推拉和动、静触头检查第6.1.3条3成套配电柜的交接试验第6.1.4条第2页共7页第1页共7页编号:时间:2021年x月x日书山有路勤为径,学海无涯苦作舟页码:第2页共7页4柜间线路绝缘电阻测试第6.1.6条5二次回路耐压试验第6.1.7条一般项目1柜间或与基础型钢的连接第6.2.2条2柜间安装相互间接缝、成列盘面偏差检查第6.2.3条3柜内部检查试验第6.2.4条4柜间配线第6.2.6条5柜与其面板间可动部位的配线第6.2.7条6基础型钢安装允许偏差不直度(mm/m)≤1水平度(mm/全长)≤5不平行度(mm/全长)≤57柜、盘等垂直度允许偏差≤1.5‰(二)低压成套柜(屏、台)质量要求符合《建筑电气工程施工质量验收规范》(GB50303—2002)的规定。表2—2项序检查项目允许偏差或允许值主控项目l金属框架的接地或接零第6.1.1条2电击保护和保护导体的截面积第6.1.2条3手车抽出式柜的推拉和动、静触头检查第6.1.3条4成套配电柜的交接试验第6.1.5条5柜(屏、盘、台等)间线路绝缘电阻值测试第6.1.7条6柜(屏、盘、台等)间二次回路耐压试验第6.1.7条7直流屏试验第6.1.8条一般项目1柜(屏、盘、台等)间或与基础型钢的连接第6.2.2条2柜(屏、盘、台等)间接缝、成列盘面偏差第6.2.3条3柜(屏、盘、台等)内部检查试验第6.2.4条4低压电器组合第6.2.5条5柜(屏、盘、台等)间配线第6.2.6条6柜(台)与其面板间可动部位的配线第6.2.7条7型钢安装允许偏差不直度(mm/m)≤1≤5水平度(mm/全长)不平行度(mm/全长)≤5(三)照明配电箱(盘)质量要求符合《建筑电气工程施工质量验收规范》(GB50303—2002)的规定。表2—3第3页共7页第2页共7页编号:时间:2021年x月x日书山有路勤为径,学海无涯苦作舟页码:第3页共7页项序检查项目允许偏差或允许值主控项目1金属箱体的接地或接零第6.1.1条2电击保护和保护导体截面积第6.1.2条3箱(盘)间线路绝缘电阻值测试第6.1.6条4箱(盘)内结线及开关动作等第6.1.9条一般项目1箱(盘)内检查试验第6.2.4条2低压电器组合第6.2.5条3箱(盘)间配线第6.2.6条4箱与其面板间可动部位的配线第6.2.7条5箱(盘)安装位置、开孔、回路编号等第6.2.8条6垂直度允许偏差≤1.5L三、工艺流程配电箱安装要求→弹线定位→明(暗)装配电箱→绝缘摇测四、操作工艺(一)配电箱安装要求1.配电箱应安装在安全、干燥:易操作的场所,如设计无特殊要求,配电箱底边...

1、当您付费下载文档后,您只拥有了使用权限,并不意味着购买了版权,文档只能用于自身使用,不得用于其他商业用途(如 [转卖]进行直接盈利或[编辑后售卖]进行间接盈利)。
2、本站所有内容均由合作方或网友上传,本站不对文档的完整性、权威性及其观点立场正确性做任何保证或承诺!文档内容仅供研究参考,付费前请自行鉴别。
3、如文档内容存在违规,或者侵犯商业秘密、侵犯著作权等,请点击“违规举报”。

碎片内容

配电箱安装工程安全技术交底

您可能关注的文档

中小学教育精品资料+ 关注
实名认证
内容提供者

中小学教育资料,优质文档创作者

确认删除?
VIP
微信客服
  • 扫码咨询
会员Q群
  • 会员专属群点击这里加入QQ群
客服邮箱
回到顶部