电脑桌面
添加小米粒文库到电脑桌面
安装后可以在桌面快捷访问

电梯施工组织设计(DOC11页)VIP免费

电梯施工组织设计(DOC11页)_第1页
1/11
电梯施工组织设计(DOC11页)_第2页
2/11
电梯施工组织设计(DOC11页)_第3页
3/11
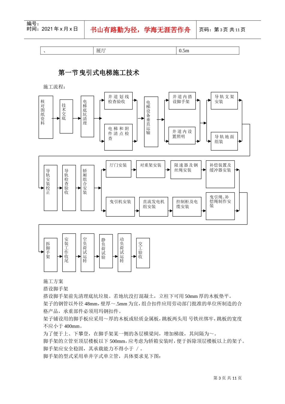
第1页共11页编号:时间:2021年x月x日书山有路勤为径,学海无涯苦作舟页码:第1页共11页目录第一章电梯工程................................................................第节电梯安装控制要点......................................................第节设计概述..............................................................第节曳引式电梯施工技术....................................................第节电梯调试与验收........................................................第2页共11页编号:时间:2021年x月x日书山有路勤为径,学海无涯苦作舟页码:第2页共11页电梯工程第一节电梯安装控制要点搭设在井道内的安装电梯脚手架不同于一般的脚手架,应满足下列三点要求:脚手架必须安全可靠,每平方米承载能力不小于,脚手架整个高度的全部重量不能集中在底部,需在中间分段承载。脚手架从上到下,在整个高度上不能妨碍安装电梯的各道作业。因此,支搭脚手架前,装电梯的施工人员应根据井道尺寸、机房和导轨布置尺寸,绘制出支搭脚手架的施工图,注明尺寸,然后按图搭设。确定脚手架的层高,既要考虑建筑物的层高,又要考虑操作人员上下行动方便。电梯设备垂直运输中最重要而困难的是顶部机房中曳引机的吊装必须安全可靠。常用方法是卷扬机滑轮组,其受力点是顶部预埋锚点,吊装前采取试吊措施,试吊物的重量为曳引机重量的倍,超载试吊无问题后再正式吊装曳引机。确保施工安全。必须保证和提高导轨的安装准确度和牢固度,以保证电梯长期平稳地运行。为此,施工中一方面要重视固定导轨支架结构的可靠性和安装准确度,另一方面要力求提高导轨的安装准确度和接头可靠性。轿厢两导轨对铅垂线偏差应小于(),两导轨间距偏差在整个高度上小于±0.5mm。每一个导轨接头应平齐,无凹凸台阶现象,偏差小于0.05mm,每一个接头间局部缝隙小于0.5mm。导轨安装结束后,必须检查验收,符合要求后方可组装轿厢。以后在电梯试运转结束后,应再检查、复测导轨的上述准确度,如有变化,应调整到上述精度范围内,并不发生变化。电梯试运转严格按规范分三步进行,第一步是电梯空负荷试运转,第二步是静载试验,第三步是动负荷试运转。每台电梯三步试验都符合要求方可交工验收。静载试验实际上是一种超载试验,电梯处于底层不动,分步往轿厢内加载至%~%的电梯额定负载,持续以检验电梯各部结构强度和钢丝绳接头强度,保证电梯使用安全,该项试验必须进行不得省略。第一节设计概述整栋建筑共设置台电梯和台扶梯。电梯功能划分:电梯、扶梯编号服务区域或功能备注、、低区客梯2.5m高速、、全区客梯2.5m高速、、高区客梯2.5m高速贵宾客梯2.5m高速、停车库客梯无机房电梯厨房服务梯无机房电梯客梯兼消防梯客梯兼消防梯2.5m高速、无障碍梯、食梯第3页共11页编号:时间:2021年x月x日书山有路勤为径,学海无涯苦作舟页码:第3页共11页、展厅0.5m第一节曳引式电梯施工技术施工流程:施工方案搭设脚手架搭设脚手架前先清理底坑垃圾。若地坑没打混凝土,立柱下可用50mm厚的木板垫平。架子的钢管以外径48mm,壁厚~.5mm为宜,组合扣件应用劳动部门批准的单位所制造的合格产品,承重部件必须用玛钢扣件。架子铺设用的脚手板应采用~厚的木板或轻质金属板,跳板两头用号铁丝绑牢,跳板的宽度不应小于400mm。为了便于上、下攀登,在脚手架某一侧的各层横梁间,增加梯级,其间隔为~。脚手架的立管至顶层楼板以下500mm,应考虑为轿箱安装时,便于拆除顶层楼板以上的架子。脚手架应安全稳固,其承载能力不得小于/。脚手架的型式采用单井字式单立管,具体要求见下图:导轨安装校正厅门安装曳引机安装对重架安装直流发电机组安装限速器及钢丝绳安装控制柜及电缆安装补偿装置及缓冲器安装曳引绳、补偿绳制作安装拆脚手架安装工作收尾空负荷试运转静负荷试验动负荷试运转交工验收导轨检查验收轿厢组合安装井道划线检查验收电梯和附件清点检查核对图纸资料电梯设备垂直运输井道内搭设脚手架导轨支架安装导轨地面组装井道内设置照明技术交底电梯底坑清理第4页共11页编号:时间:2021年x月x日书山有路勤为...

1、当您付费下载文档后,您只拥有了使用权限,并不意味着购买了版权,文档只能用于自身使用,不得用于其他商业用途(如 [转卖]进行直接盈利或[编辑后售卖]进行间接盈利)。
2、本站所有内容均由合作方或网友上传,本站不对文档的完整性、权威性及其观点立场正确性做任何保证或承诺!文档内容仅供研究参考,付费前请自行鉴别。
3、如文档内容存在违规,或者侵犯商业秘密、侵犯著作权等,请点击“违规举报”。

碎片内容

电梯施工组织设计(DOC11页)

您可能关注的文档

确认删除?
VIP
微信客服
  • 扫码咨询
会员Q群
  • 会员专属群点击这里加入QQ群
客服邮箱
回到顶部