电脑桌面
添加小米粒文库到电脑桌面
安装后可以在桌面快捷访问

道路排水分部分项检验批划分VIP免费

道路排水分部分项检验批划分_第1页
1/7
道路排水分部分项检验批划分_第2页
2/7
道路排水分部分项检验批划分_第3页
3/7
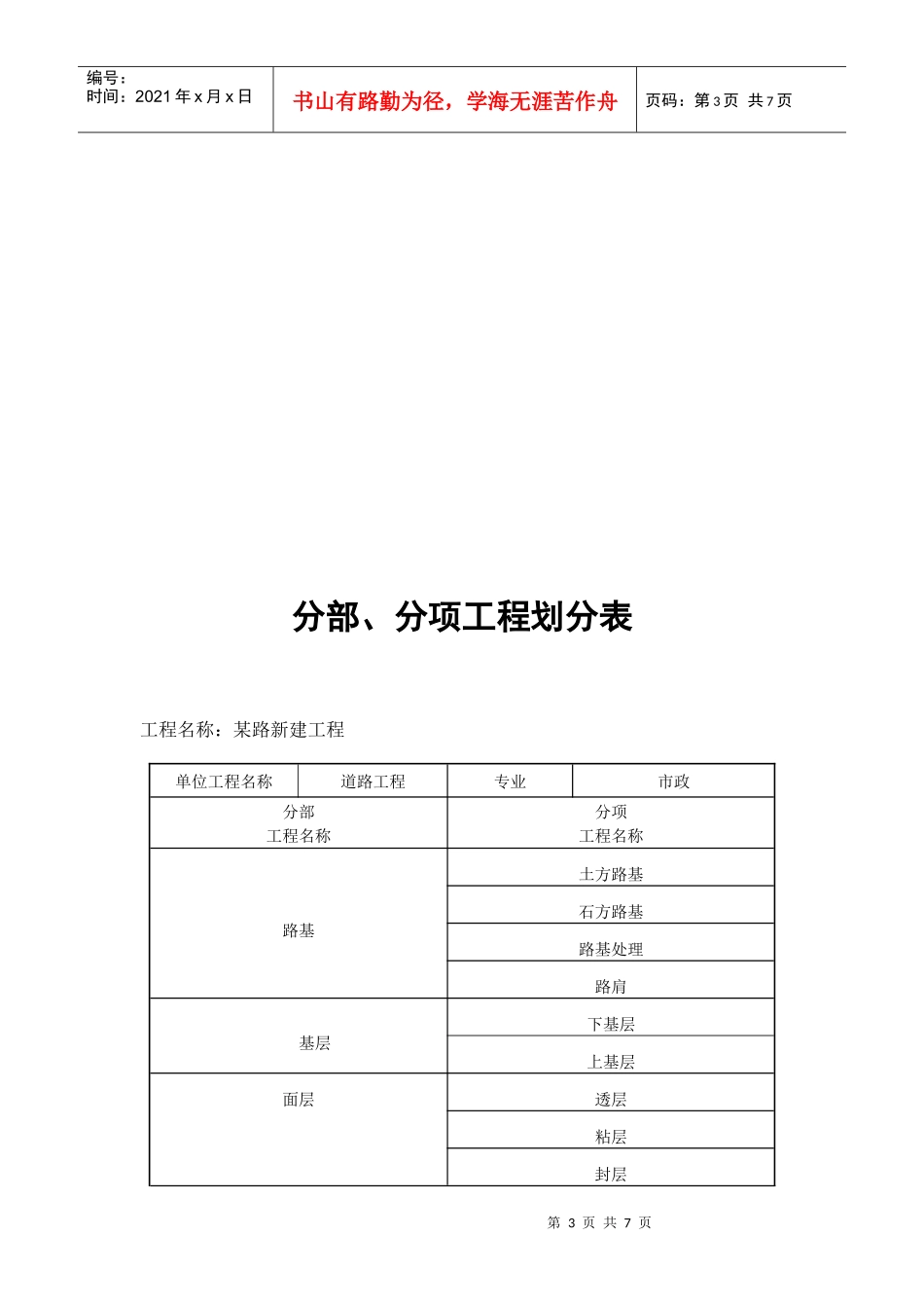
第1页共7页编号:时间:2021年x月x日书山有路勤为径,学海无涯苦作舟页码:第1页共7页分部、分项工程划分表工程名称:某路新建工程单位工程名称桥梁工程专业市政分部工程名称分项工程名称地基与基础基坑开挖模板与支架钢筋混凝土机械成孔钢筋笼制作与安装混凝土灌注墩台模板与支架钢筋混凝土填土支座垫石混凝土支座安装挡块混凝土桥跨承重结构模板与支架钢筋混凝土预应力钢筋桥面系排水设施防水层第2页共7页第1页共7页编号:时间:2021年x月x日书山有路勤为径,学海无涯苦作舟页码:第2页共7页桥面铺装层伸缩装置防护设施人行道附属结构桥头搭板挡土墙项目技术负责人:专业施工员:第3页共7页第2页共7页编号:时间:2021年x月x日书山有路勤为径,学海无涯苦作舟页码:第3页共7页分部、分项工程划分表工程名称:某路新建工程单位工程名称道路工程专业市政分部工程名称分项工程名称路基土方路基石方路基路基处理路肩基层下基层上基层面层透层粘层封层第4页共7页第3页共7页编号:时间:2021年x月x日书山有路勤为径,学海无涯苦作舟页码:第4页共7页热拌沥青混合料面层(上中下)人行道料石人行道铺砌面层混凝土预制块铺砌人行道面层挡土墙基坑基础墙滤层、泄水孔回填土栏杆附属结构路缘石排水沟护坡项目技术负责人:专业施工员:分部、分项工程划分表工程名称:某路新建工程单位工程名称排水工程专业市政分部工程名称分项工程名称土方工程沟槽开挖沟槽回填管道主体工程管道基础第5页共7页第4页共7页编号:时间:2021年x月x日书山有路勤为径,学海无涯苦作舟页码:第5页共7页管道接口连接管道铺设附属结构物工程井室雨水口及之连管项目技术负责人:专业施工员:分部、分项工程划分表第6页共7页第5页共7页编号:时间:2021年x月x日书山有路勤为径,学海无涯苦作舟页码:第6页共7页工程名称:某路新建工程单位工程名称道路工程专业市政分部工程名称分项工程名称路基土方路基石方路基路基处理路肩基层级配砂砾(砾石)基层面层透层粘层封层热拌沥青混合料面层人行道料石人行道铺砌面层混凝土预制块铺砌人行道面层挡土墙地基基础墙滤层、泄水孔回填土栏杆附属结构路缘石排水沟护坡项目技术负责人:专业施工员:第7页共7页第6页共7页编号:时间:2021年x月x日书山有路勤为径,学海无涯苦作舟页码:第7页共7页分部、分项工程划分表工程名称:某路新建工程单位工程名称排水工程专业市政分部工程名称分项工程名称土方工程沟槽开挖沟槽回填管道主体工程管道基础管道接口连接管道铺设附属结构物工程井室雨水口及之连管项目技术负责人:专业施工员:

1、当您付费下载文档后,您只拥有了使用权限,并不意味着购买了版权,文档只能用于自身使用,不得用于其他商业用途(如 [转卖]进行直接盈利或[编辑后售卖]进行间接盈利)。
2、本站所有内容均由合作方或网友上传,本站不对文档的完整性、权威性及其观点立场正确性做任何保证或承诺!文档内容仅供研究参考,付费前请自行鉴别。
3、如文档内容存在违规,或者侵犯商业秘密、侵犯著作权等,请点击“违规举报”。

碎片内容

道路排水分部分项检验批划分

确认删除?
VIP
微信客服
  • 扫码咨询
会员Q群
  • 会员专属群点击这里加入QQ群
客服邮箱
回到顶部