工程编号:[ 2025] 招 标 文 件工程名称: 南宁市凤凰路二期、物流基地 9 号路道路和排 水工程 招标人: 联建建设工程有限公司 ...
准安某路道路与排水工程施工组织设计第一部分 工程概况一、 工程概况1、目前状况:某路,呈南北走向,位于 XX 北路与 XX 北路之间,...
冬雨季施工及排水措施一、冬雨季施工措施 (一)、冬季施工措施根据国家法律规范、规程等的规定,当室外日平均气温连续 5 天稳定低于5℃...
一、冬季施工措施1、冬施准备工作 冬施准备工作在开工前完成,并通过检查验收。 做好现场供水管道及出水口的保温抗冻。 购置必要的加热采...
目录一、工程概况……………………………………………………………………2二、编制依据………………………………………………………………...
农田排水工程技术法律规范(SL/T4—1999)前 言 根据(94)农水综字第 9 号文下达的《农田排水工程技术法律规范(北方)》和《农田水利工程...
233 省道兴化城东镇至 333 省道段改扩建工程S233XH-LJ11 标路基防护及排水工程施工技术方案兴化金桥工程有限公司S233XH-LJ11 标项目部...
公路排水工程施工方案第 1 章 编制说明1。1 编制目的为指导()排水工程施工,确保施工质量、安全和工期,降低工程造价,为施工提供科学...
审批栏工程名称:金庄煤业有限公司采区排水泵房设备安装编制姓名部门职务专业职称签名日期解荣鑫第五项目部技术员朱小志第五项目部技术负责...
秦集农民安置小区项目工程总承包(勘察、设计、采购、施工)道路、雨污排水、园林工程施工技术方案编号:01QJZ—D10—038编制单位:上海都通...
×××住宅小区室外排水管道施工技术交底1 适用范围 适用于本小区室外雨污水管道施工。2 施工准备2.1 技术准备 1。施工前做好施工图纸...
目 录第一章 编制说明第二章 工程概况第三章 总体概述第四章 施工准备第五章 施工现场平面布置和临时设施、临时道路布置第六章 项目...
府前街人行便道及排水改造工程施工组织设计施工单位:****建筑安装工程有限公司目录第一章 编制依据第二章工程概况及施工准备第三章 施工...
鄂尔多斯市昊华精煤有限责任公司高家梁煤矿井下排水管路安装工程施工组织设计(措施)施工单位: 编制日期:二 00 九年七月二十日编制依...
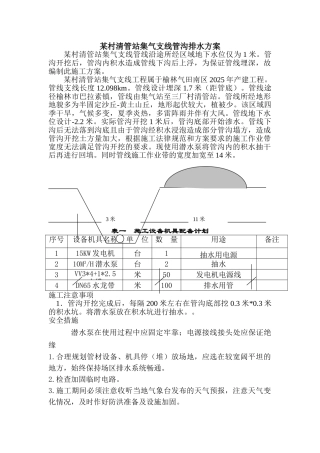
-370 泵房排水管路安装安全措施一、工程概况: 因矿井开采深度延伸。现有的排水系统已经不能满足生产需要。为完善矿井排水系统,机电队根...
施 工 组 织 设 计1.1.工程概况昆 明 主 城 二 环 路 外 排 水 管 网 完 善 工 程 是 滇 池 流 域水 污 染 防...
中央金融大街临时用水排水施工方案中央金融大街临时用水排水施工方案编制编制:: 审核审核:: 审批:审批: 发文号发文号: : 20252025 ...
目 录第一章 工程概况....................................................1第一节 工程概述 ........................................
目 录一 、 编 辑 依 据 .....................................................1二 、 工 程 概 况 .........................
学苑路道路工程 A1 标段临时排水引流专项施工方案编制: 审核: 审批: 编制单位:南昌市市政工程开发有限公司 2012—1—8一、概况:...

