电脑桌面
添加小米粒文库到电脑桌面
安装后可以在桌面快捷访问

连续六年环评工程师案例考试真题分享VIP免费

连续六年环评工程师案例考试真题分享_第1页
1/51
连续六年环评工程师案例考试真题分享_第2页
2/51
连续六年环评工程师案例考试真题分享_第3页
3/51
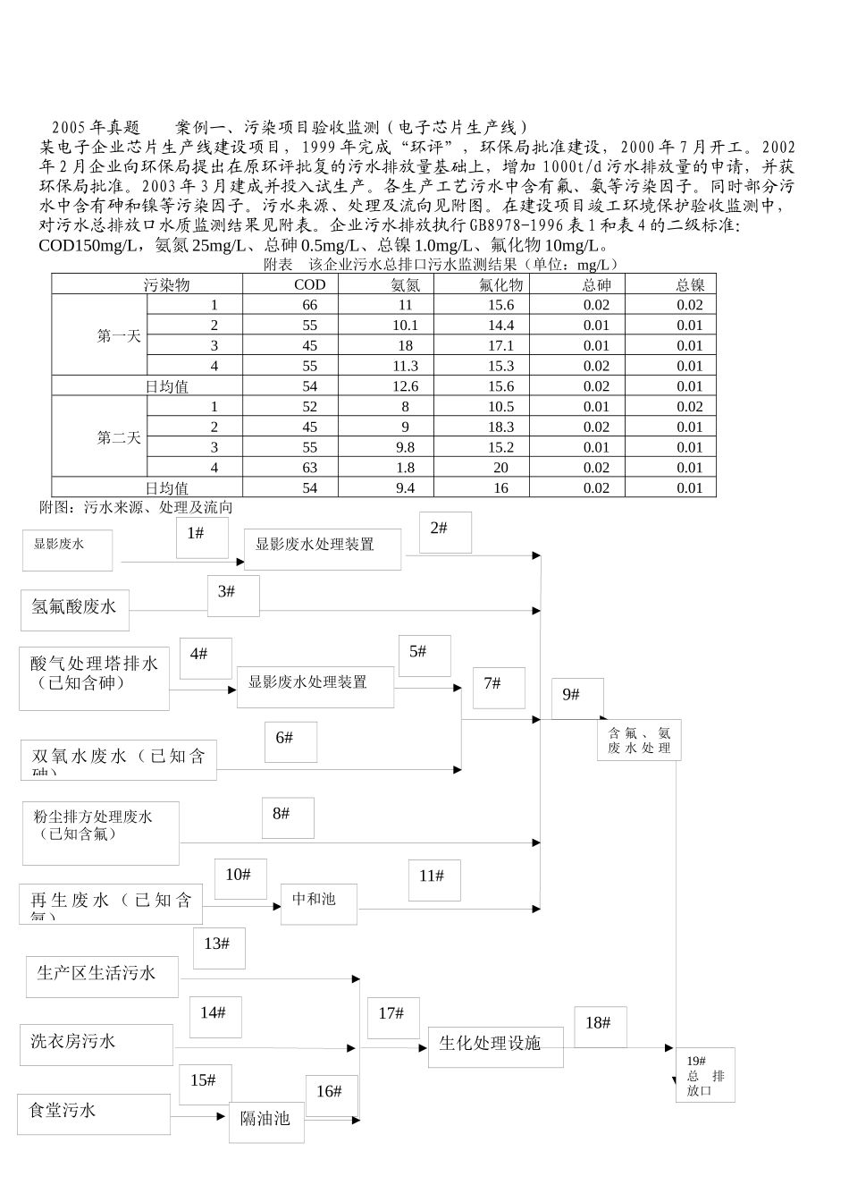
2005年真题案例一、污染项目验收监测(电子芯片生产线)某电子企业芯片生产线建设项目,1999年完成“环评”,环保局批准建设,2000年7月开工。2002年2月企业向环保局提出在原环评批复的污水排放量基础上,增加1000t/d污水排放量的申请,并获环保局批准。2003年3月建成并投入试生产。各生产工艺污水中含有氟、氨等污染因子。同时部分污水中含有砷和镍等污染因子。污水来源、处理及流向见附图。在建设项目竣工环境保护验收监测中,对污水总排放口水质监测结果见附表。企业污水排放执行GB8978-1996表1和表4的二级标准:COD150mg/L,氨氮25mg/L、总砷0.5mg/L、总镍1.0mg/L、氟化物10mg/L。附表该企业污水总排口污水监测结果(单位:mg/L)污染物COD氨氮氟化物总砷总镍第一天1661115.60.020.0225510.114.40.010.013451817.10.010.0145511.315.30.020.01日均值5412.615.60.020.01第二天152810.50.010.02245918.30.020.013559.815.20.010.014631.8200.020.01日均值549.4160.020.01附图:污水来源、处理及流向显影废水1#氢氟酸废水酸气处理塔排水(已知含砷)双氧水废水(已知含砷)粉尘排方处理废水(已知含氟)再生废水(已知含氨)生产区生活污水洗衣房污水显影废水处理装置3#2#4#5#显影废水处理装置6#7#9#含氟、氨废水处理装置8#10#中和池11#13#14#食堂污水15#隔油池16#17#生化处理设施18#19#总排放口·1、该企业排放的废水中COD(A)。·A.浓度达标排放B.浓度未达标排放·C.排放总量达标D.排放总量未达标·E.是否浓度达标排放无法判断·2、该企业排放的废水中氟化物(A)。·A.浓度达标排放B.浓度未达标排放·C.排放总量达标D.排放总量未达标·E.是否浓度达标排放无法确定·3、该企业排放的废水中总砷(E)。(未在车间排放口监测,故未知浓度是否达标)·A.浓度达标排放B.浓度未达标排放·C.排放总量达标D.排放总量未达标·E.是否浓度达标排放无法确定·4、该企业排放的废水中总镍(E)。·A.浓度达标排放B.浓度未达标排放·C.排放总量达标D.排放总量未达标·E.是否浓度达标排放无法确定·5、根据附表所列监测结果,含氟、氨废水处理设施(B)。·A.满足氟达标排放的要求B.未满足氟达标排放的要求·C.需要改进D.处理效率在验收监测中无需考虑·E.对总砷、总镍达标排放也有明显的作用·6、根据附图和附表所列监测结果,含镍废水(E)。·A.已经过单独处理B.直接排放·C.现处理方式符合要求D.必须增加处理设施·E.是否需要增加处理设施,无法确定·7.含砷废水(A)。·A.经过处理后排放B.没有经处理排放·C.处理工艺是否合理,无法判断D.处理设施满足达标排放要求·E.可以与含镍废水一同处理·8、检查砷处理装置处理效率的监测点位应设示意图中(A)。·A.4#和5#B.4#、12#C.4#、9#D.4#、19#E.4#、7#·9、检查氟化物处理设施处理效率的监测点位应在示意图中(B)。·A.7#、12#B.9#、12#C.3#、9#D.8#、19#E、9#、19#·10、还必须通过水质监测确定其是否达标排放的废水有(C)。·A.氢氟酸废水B.酸气处理塔排水·C.双氧水废水D.粉尘排放处理废水·E.办公区和生产区生活污水案例二、石化年产45万吨PTA工程某拟建化工项目位于城市规划的工业区。拟建厂址东、南厂界附近各有一上千人口的村庄。经工程分析,拟建项目正常工况废水量及主要污染物见表1。项目拟建污水处理场,废水经处理后排入水体功能为Ⅲ类的河流。拟焚烧的固体废物产生情况见表2。表2序号污染源名称废水量t/apH污染物浓度(mg/L)COD醋酸醋酸甲酯甲醇CoMn石油类W1+W2生产工艺废水9003000700100200<3<1W3焚烧炉淋洗塔排水240220W4锅炉及热煤炉排水806-920W5纯水场排水3301-1420W6罐区污水30100-3000-W7生活污10300水W8初期雨水150200W9循环水系统排水3630<60序号产生部位产生量(t/a)组成性质1烛芯过滤和催化剂回收残渣12560Co:705ppm醋酸:1%有机物:68%含有机物、重金属,属危险废物2污水场压滤脱水后污泥700含水<85%工业废水污泥,属一般危险废物·问题:·1、根据表1,指出哪几部分废水可作为清净下水外排。·2、计算表1中必须进入污水处理厂处理的废水量和污水处理厂进水COD浓度。·3、按《污水综合排放标准》(GB8978-199...

1、当您付费下载文档后,您只拥有了使用权限,并不意味着购买了版权,文档只能用于自身使用,不得用于其他商业用途(如 [转卖]进行直接盈利或[编辑后售卖]进行间接盈利)。
2、本站所有内容均由合作方或网友上传,本站不对文档的完整性、权威性及其观点立场正确性做任何保证或承诺!文档内容仅供研究参考,付费前请自行鉴别。
3、如文档内容存在违规,或者侵犯商业秘密、侵犯著作权等,请点击“违规举报”。

碎片内容

连续六年环评工程师案例考试真题分享

您可能关注的文档

确认删除?
VIP
微信客服
  • 扫码咨询
会员Q群
  • 会员专属群点击这里加入QQ群
客服邮箱
回到顶部