电脑桌面
添加小米粒文库到电脑桌面
安装后可以在桌面快捷访问

纺织纤维的鉴定VIP免费

纺织纤维的鉴定_第1页
1/8
纺织纤维的鉴定_第2页
2/8
纺织纤维的鉴定_第3页
3/8
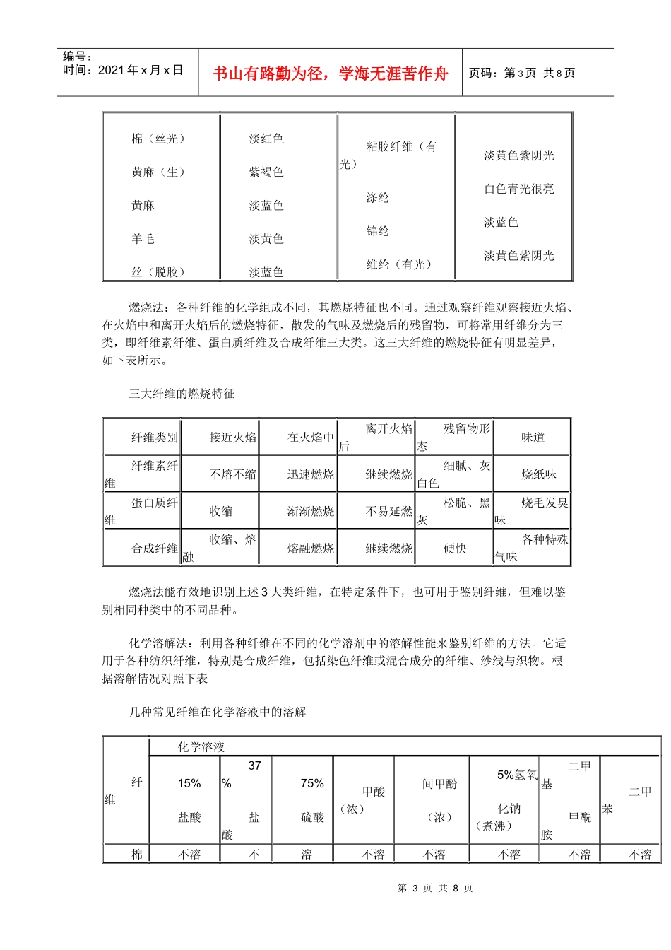
第1页共8页编号:时间:2021年x月x日书山有路勤为径,学海无涯苦作舟页码:第1页共8页纺织纤维是结晶态和非结晶态的混合物,从整根纤维来看,表现出两方面的特征:第一是大分子排列方向和纤维方向的关系。大分子排列方向与纤维轴向符合的程度叫“取向度”。第二是纺织纤维中结晶区的比例用“结晶度”来表达。结晶度一般是指结晶区的体积占纤维总体积的百分数。纺织纤维的鉴别:是根据纤维内部结构、外观形态、化学与物理性能的差异来进行的。鉴别步骤是先判断纤维的大类再具体分析出品种,然后作最后验证。常规的鉴别方法有:手感目测法:手感目测法是鉴别纤维最简单的方法。它是根据纤维的外观形态、色泽、手感及拉伸等特征来区分天然纤维棉、麻、毛、丝及化学纤维,适用于呈散纤维状态的纺织原料。天然纤维中,棉、麻、毛属于短纤维,它们的纤维长短差异很大,长度整齐度差,蚕丝是长丝,长而纤细,具有光泽。化学纤维中,粘胶纤维的干、湿强力差异很大,而其他化学纤维,因其外观特征在一定程度上可人为控制,所以无法用手感目测法来区别。下面两个表是常用纤维的手感目测比较如表1、2所示。表1天然纤维与化学纤维手感目测比较观察内容/纤维类别天然纤维化学纤维长度、细度差异很大相同品种比较均匀含杂附有各种杂质几乎没有色泽柔和但欠均一近似雪白,均匀,有的有金属般光泽表2各种天然纤维手感目测比较观察内容/纤维品种棉苎麻羊毛蚕丝手感柔软粗硬弹性好,有暖感柔软、光滑,有冷感长度(毫米)15-40离散大60-250离散大20-200离散大很长细度(微米)10-2520-8010-4010-30含杂类型碎叶、硬籽、僵片、软籽等麻屑、枝叶草屑、粪尿、汗渍、油脂等清洁、发亮第2页共8页第1页共8页编号:时间:2021年x月x日书山有路勤为径,学海无涯苦作舟页码:第2页共8页显微镜观察法:用生物显微镜放大300~400倍左右,观察纤维的截面与纵向形态,就能把它们鉴别出来。下面是纤维断面形态在显微镜下观察纤维的纵向和横向断面可以发现不同纤维的明显差异,如图/表3所示。表3常见纤维纵横向形态纤维纵向形态特征断面形态特征棉扁平带状,有天然转曲腰圆形,有中腔苎麻有横节、竖纹腰圆形,有中腔及裂缝亚麻有横节、竖纹多角形,中腔较小羊毛表面有鳞片圆形或接近圆形,有些有毛髓兔毛表面有鳞片哑铃形桑蚕丝表面如树干状,粗细不匀不规则的三角形或半椭圆形柞蚕丝表面如树干状,粗细不匀相当扁平的三角形或半椭圆形粘胶纤维纵向有细沟槽锯齿形,有皮芯结构富强纤维平滑较少齿形或接近圆形醋酯纤维有1-2根沟槽不规则的带状维纶有1-2根沟槽腰圆形腈纶平滑或有1-2根沟槽圆形或哑铃形氯纶平滑或有1-2根沟槽接近圆形涤纶、锦纶、丙纶平滑圆形密度梯度法:密度法根据各种纤维具有不同的特点来鉴别纤维。测定纤维密度的方法很多,其中常用的密度梯度法,它利用悬浮原理来测定固体密度。分三个步骤鉴别:1.配定密度梯度液;2.标定密度梯度管;3.测定和计算荧光法:荧光法根据紫外线荧光灯照射纤维时,纤维呈现不同颜色来鉴别。各种纤维的荧光颜色参考如下表:纺织纤维的荧光颜色纤维种类荧光颜色纤维种类荧光颜色棉淡黄色粘胶纤维白色紫阴光第3页共8页第2页共8页编号:时间:2021年x月x日书山有路勤为径,学海无涯苦作舟页码:第3页共8页棉(丝光)黄麻(生)黄麻羊毛丝(脱胶)淡红色紫褐色淡蓝色淡黄色淡蓝色粘胶纤维(有光)涤纶锦纶维纶(有光)淡黄色紫阴光白色青光很亮淡蓝色淡黄色紫阴光燃烧法:各种纤维的化学组成不同,其燃烧特征也不同。通过观察纤维观察接近火焰、在火焰中和离开火焰后的燃烧特征,散发的气味及燃烧后的残留物,可将常用纤维分为三类,即纤维素纤维、蛋白质纤维及合成纤维三大类。这三大纤维的燃烧特征有明显差异,如下表所示。三大纤维的燃烧特征纤维类别接近火焰在火焰中离开火焰后残留物形态味道纤维素纤维不熔不缩迅速燃烧继续燃烧细腻、灰白色烧纸味蛋白质纤维收缩渐渐燃烧不易延燃松脆、黑灰烧毛发臭味合成纤维收缩、熔融熔融燃烧继续燃烧硬快各种特殊气味燃烧法能有效地识别上述3大类纤维,在特定条件下,也可用于鉴别纤维,但难以鉴别相同种类中的不同品种。化学溶解法...

1、当您付费下载文档后,您只拥有了使用权限,并不意味着购买了版权,文档只能用于自身使用,不得用于其他商业用途(如 [转卖]进行直接盈利或[编辑后售卖]进行间接盈利)。
2、本站所有内容均由合作方或网友上传,本站不对文档的完整性、权威性及其观点立场正确性做任何保证或承诺!文档内容仅供研究参考,付费前请自行鉴别。
3、如文档内容存在违规,或者侵犯商业秘密、侵犯著作权等,请点击“违规举报”。

碎片内容

纺织纤维的鉴定

确认删除?
VIP
微信客服
  • 扫码咨询
会员Q群
  • 会员专属群点击这里加入QQ群
客服邮箱
回到顶部