电脑桌面
添加小米粒文库到电脑桌面
安装后可以在桌面快捷访问

项目二 机械加工工艺规程VIP免费

项目二 机械加工工艺规程_第1页
1/32
项目二 机械加工工艺规程_第2页
2/32
项目二 机械加工工艺规程_第3页
3/32
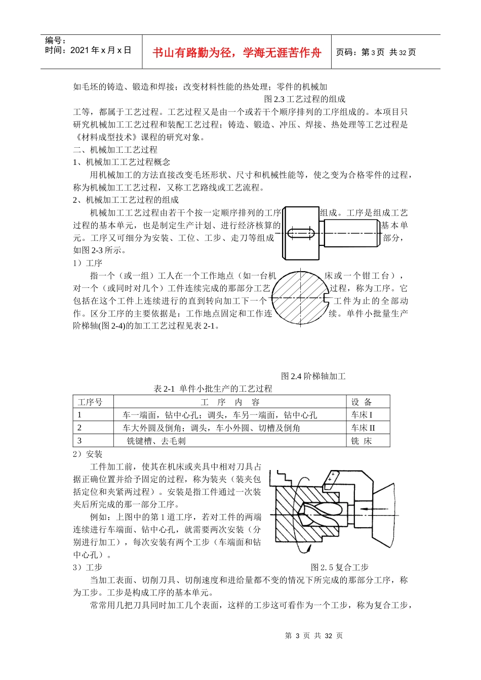
第1页共32页编号:时间:2021年x月x日书山有路勤为径,学海无涯苦作舟页码:第1页共32页项目二机械加工工艺规程【项目描述】机械加工的目的是将毛坯加工成符合产品要求的零件。在生产实际中,由于零件的生产类型、形状、尺寸和技术要求等不同,一个零件往往不是单独在一种机床上加工完成的,而是需要经过一定的工艺过程,经过若干工序才能转化为符合产品要求的零件一个相同结构相同要求的机器零件,可以采用几种不同的工艺过程完成,但其中总有一种工艺过程在某一特定条件下是最经济、最合理的。即需要根据零件的具体要求,选择合适的加工方法,合理安排加工顺序,一步步地把零件加工出来。这就需要有机械加工工艺的知识。如图2-1所示钻孔加工须先要确定孔的位置尺寸及其公差。在现有的生产条件下,如何采用经济有效的加工方法,合理地安排加工工艺路线以获得符合产品要求的零件,这是本章所要解决的重点。【学习目标】机械加工工艺规程的基本知识1、零件加工的工艺过程和工艺规程2、定位基准的选择3、工艺路线的拟定4、加工余量和工序尺寸的确定5、工艺尺寸链【能力目标】合理安排工艺路线,编制简单模具零件的加工工艺。图2.1钻孔第2页共32页第1页共32页编号:时间:2021年x月x日书山有路勤为径,学海无涯苦作舟页码:第2页共32页任务一零件加工的工艺过程和工艺规程【活动场景】首先我们来看一下汽车的生产过程(图2-2)。图2.2汽车生产过程从汽车的生产过程可以看出汽车是由很多零部件组装而成的,而零件是由各种工程材料采用不同的工艺方法按照一定的步骤加工而成的。本任务就介绍零件加工的工艺过程和其作用。【任务要求】了解零件加工工艺过程和工艺规程一些基本概念【基本活动】一、生产过程和工艺过程生产过程是指从原材料(或半成品)制成产品的全部过程。对机器生产而言包括原材料的运输和保存,生产的准备,毛坯的制造,零件的加工和热处理,产品的装配、及调试,油漆和包装等内容。生产过程的内容十分广泛,现代企业用系统工程学的原理和方法组织生产和指导生产,将生产过程看成是一个具有输入和输出的生产系统。能使企业的管理科学化,使企业更具应变力和竞争力。在生产过程中,直接改变原材料(或毛坯)形状、尺寸和性能,使之变为成品的过程,称为工艺过程。它是生产过程的主要部分。例第3页共32页第2页共32页编号:时间:2021年x月x日书山有路勤为径,学海无涯苦作舟页码:第3页共32页如毛坯的铸造、锻造和焊接;改变材料性能的热处理;零件的机械加图2.3工艺过程的组成工等,都属于工艺过程。工艺过程又是由一个或若干个顺序排列的工序组成的。本项目只研究机械加工工艺过程和装配工艺过程;铸造、锻造、冲压、焊接、热处理等工艺过程是《材料成型技术》课程的研究对象。二、机械加工工艺过程1、机械加工工艺过程概念用机械加工的方法直接改变毛坯形状、尺寸和机械性能等,使之变为合格零件的过程,称为机械加工工艺过程,又称工艺路线或工艺流程。2、机械加工工艺过程的组成机械加工工艺过程由若干个按一定顺序排列的工序组成。工序是组成工艺过程的基本单元,也是制定生产计划、进行经济核算的基本单元。工序又可细分为安装、工位、工步、走刀等组成部分,如图2-3所示。1)工序指一个(或一组)工人在一个工作地点(如一台机床或一个钳工台),对一个(或同时对几个)工件连续完成的那部分工艺过程,称为工序。它包括在这个工件上连续进行的直到转向加工下一个工件为止的全部动作。区分工序的主要依据是:工作地点固定和工作连续。单件小批量生产阶梯轴(图2-4)的加工工艺过程见表2-1。图2.4阶梯轴加工表2-1单件小批生产的工艺过程工序号工序内容设备1车一端面,钻中心孔;调头,车另一端面,钻中心孔车床I2车大外圆及倒角;调头,车小外圆、切槽及倒角车床II3铣键槽、去毛刺铣床2)安装工件加工前,使其在机床或夹具中相对刀具占据正确位置并给予固定的过程,称为装夹(装夹包括定位和夹紧两过程)。安装是指工件通过一次装夹后所完成的那一部分工序。例如:上图中的第1道工序,若对工件的两端连续进行车端面、钻中心孔,就需要两次安装(分别进行加工),每次...

1、当您付费下载文档后,您只拥有了使用权限,并不意味着购买了版权,文档只能用于自身使用,不得用于其他商业用途(如 [转卖]进行直接盈利或[编辑后售卖]进行间接盈利)。
2、本站所有内容均由合作方或网友上传,本站不对文档的完整性、权威性及其观点立场正确性做任何保证或承诺!文档内容仅供研究参考,付费前请自行鉴别。
3、如文档内容存在违规,或者侵犯商业秘密、侵犯著作权等,请点击“违规举报”。

碎片内容

项目二 机械加工工艺规程

您可能关注的文档

确认删除?
VIP
微信客服
  • 扫码咨询
会员Q群
  • 会员专属群点击这里加入QQ群
客服邮箱
回到顶部