电脑桌面
添加小米粒文库到电脑桌面
安装后可以在桌面快捷访问

葡萄酒业施工组织设计方案VIP免费

葡萄酒业施工组织设计方案_第1页
1/139
葡萄酒业施工组织设计方案_第2页
2/139
葡萄酒业施工组织设计方案_第3页
3/139
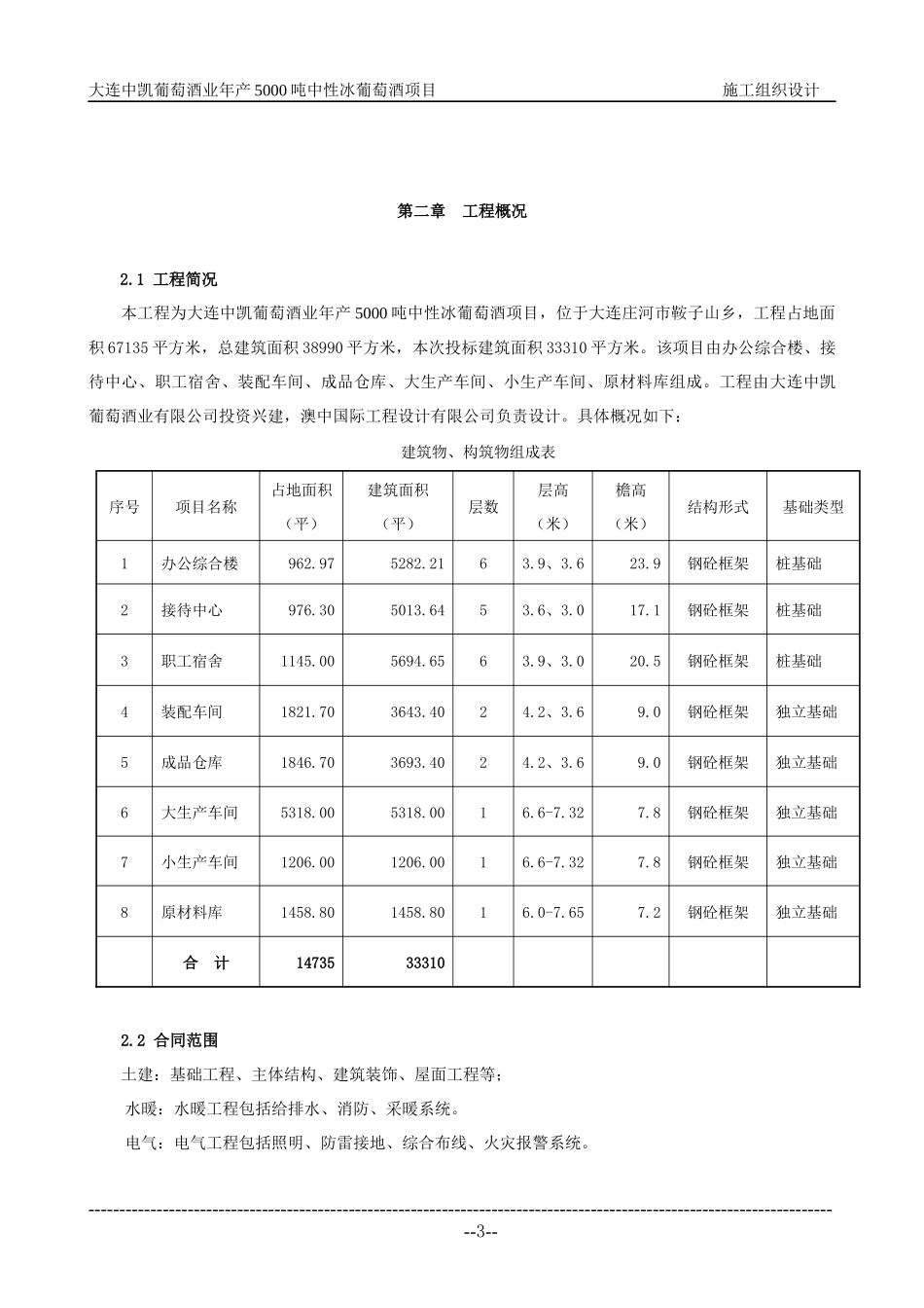
大连中凯葡萄酒业年产5000吨中性冰葡萄酒项目施工组织设计大连中凯葡萄酒业年产5000吨中性冰葡萄酒项目施工组织设计第一章编制依据及各项目标首先,我们诚恳地表示:如果我方能够荣幸中标,我们愿意同业主、监理、设计单位一起建设好大连中凯葡萄酒业年产5000吨中性冰葡萄酒项目,我们的目标是“干一项工程,创一个名牌,树一座丰碑”。1.1编制依据1)工程招标文件及施工图纸;2)《测量规范》(GBJ50026-93);3)《建筑工程施工质量验收规范》(GB50300-2001);4)《建筑装饰装修工程质量验收规范》(GB50210-2001)5)《建筑地基基础工程施工质量验收规范》(GB50202-2002);6)《砌体工程施工及验收规范》(GB50203-2002);7)《地下防水工程施工及验收规范》(GB50208-2002);8)《建设工程项目管理规范》(GB/T50382-2001);9)《混凝土结构工程施工质量验收规范》(GB50204-2002);10)《低合金钢焊条》GB5118—85、《碳钢焊条》GB5117—85;11)《建筑给水排水及采暖工程施工质量验收规范》(GB50242-2002);12)《建设工程文件归档整理规范》(GB/T50382-2001)13)《外墙饰面砖工程施工及验收规程》(JGJ126-2000);14)《建筑施工工程安全技术规程》(国务院);15)《建筑工程施工现场管理规定》(建设部15号令);16)《建筑机械使用安全技术规程》(JGB33-86);17)《建筑安全监督管理规定》(建设部13号令)。18)《建筑施工安全检查评分标准》JGJ59—99;19)《建筑施工高处作业安全技术规范》JGJ80—91;20)《施工现场临时用电安全技术规范》JGJ46—88。1.2编制目的确保合同工期和质量目标的实现。--------------------------------------------------------------------------------------------------------------------------1--大连中凯葡萄酒业年产5000吨中性冰葡萄酒项目施工组织设计使整个施工过程受控,通过保证措施的实施,使施工每个环节都规范化,以确保满足业主的要求。1.3质量目标单位工程的质量目标为合格工程。1.4工期目标工期要求:18个月。1.5安全及文明施工目标采取有效措施,杜绝重大安全事故和死亡、重伤事故,轻伤事故率控制在3.0‰以内。现场文明施工按照大连市文明工地标准实施。项目施工组织管理控制目标管理项目管理目标工程质量⑴分项工程合格率100%;分部工程合格率100%。⑵单位工程质量等级定为合格。⑶重大质量事故为零;一般质量问题返工损失率小于万分之一安全防火⑴无死亡、重伤事故,无火灾事故,无重大机械设备责任事故⑵轻伤负伤率≤3.0‰⑶安全检查综合评分≥80分文明施工⑴创建“文明施工合格工地”⑵争创“文明工地”施工工期⑴确保合同规定的各阶段节点控制工期及合同总工期(18个月)目标的实现服务信誉⑴积极配合完成施工期间的各项服务工作⑵无来自传媒的曝光或政府主管部门的通报批评⑵一般不合格项责任整改率100%1.6编制内容方案编制内容包括招标范围内的土建工程、水暖工程、电气工程。主要内容有:工程概况,施工组织管理机构设置,施工部署和施工方案,施工进度计划安排,劳动力及机具投入情况,质量、安全、文明施工保证措施等。--------------------------------------------------------------------------------------------------------------------------2--大连中凯葡萄酒业年产5000吨中性冰葡萄酒项目施工组织设计第二章工程概况2.1工程简况本工程为大连中凯葡萄酒业年产5000吨中性冰葡萄酒项目,位于大连庄河市鞍子山乡,工程占地面积67135平方米,总建筑面积38990平方米,本次投标建筑面积33310平方米。该项目由办公综合楼、接待中心、职工宿舍、装配车间、成品仓库、大生产车间、小生产车间、原材料库组成。工程由大连中凯葡萄酒业有限公司投资兴建,澳中国际工程设计有限公司负责设计。具体概况如下:建筑物、构筑物组成表序号项目名称占地面积(平)建筑面积(平)层数层高(米)檐高(米)结构形式基础类型1办公综合楼962.975282.2163.9、3.623.9钢砼框架桩基础2接待中心976.305013.6453.6、3.017.1钢砼框架桩基础3职工宿舍1145.005694.6563.9、3.020.5钢砼框架桩基础4装配车间182...

1、当您付费下载文档后,您只拥有了使用权限,并不意味着购买了版权,文档只能用于自身使用,不得用于其他商业用途(如 [转卖]进行直接盈利或[编辑后售卖]进行间接盈利)。
2、本站所有内容均由合作方或网友上传,本站不对文档的完整性、权威性及其观点立场正确性做任何保证或承诺!文档内容仅供研究参考,付费前请自行鉴别。
3、如文档内容存在违规,或者侵犯商业秘密、侵犯著作权等,请点击“违规举报”。

碎片内容

葡萄酒业施工组织设计方案

确认删除?
VIP
微信客服
  • 扫码咨询
会员Q群
  • 会员专属群点击这里加入QQ群
客服邮箱
回到顶部