电脑桌面
添加小米粒文库到电脑桌面
安装后可以在桌面快捷访问

纺织品的标准与检测VIP免费

纺织品的标准与检测_第1页
1/45
纺织品的标准与检测_第2页
2/45
纺织品的标准与检测_第3页
3/45
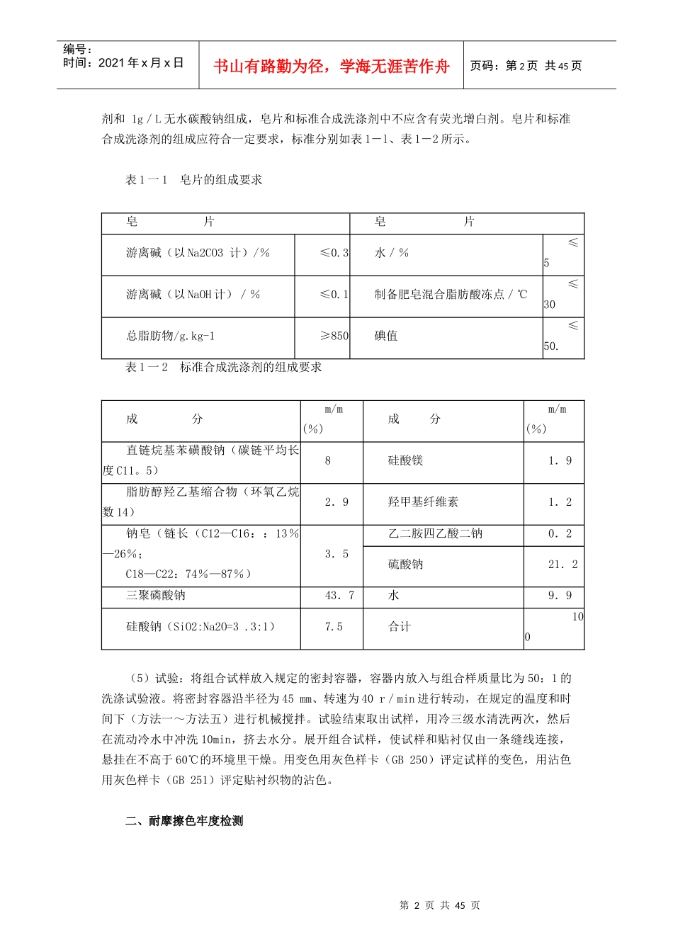
第1页共45页编号:时间:2021年x月x日书山有路勤为径,学海无涯苦作舟页码:第1页共45页纺织品的检测标准第一部分纺织品的色牢度检测一耐洗色牢度检测在人们的日常生活中,基本上所有纺织品都是要进行洗涤的,洗涤时纺织品在一定温度的洗涤液中洗涤,由于洗涤液的作用,染料会从纺织品上脱落,最终使纺织品原本的颜色发生变化,这称之为变色。同时进入洗涤液的染料又会沾染其他纺织品,亦会使其他纺织品的颜色产生变化,这称之为沾色。1.检测标准ISO105-C01-C05-1989《纺织品色牢度试验·耐洗色牢度:试验l一试验5》、EN20105C01-C05-1992《纺织品·色牢度试验·耐洗涤色牢度:试验1一试验5》,DINEN20105C01-C05-1993《纺织品·色牢度试验·耐洗色牢度:试验l一试验5》、AATCC172-2002耐家庭洗涤无氧漂白色牢度》、GB/T3921.1-5-1997《纺织品·色牢度试验·耐洗色牢度:试验l一试验5》。2.检测原理耐洗色牢度试验是将纺织品试样与一或两块规定的贴村织物贴合,放于皂液中,在规定的时间和温度条件下,经机械搅拌,再经冲洗、干燥。用灰色样卡评定试样的变色和贴衬织物的沾色。耐洗色牢度共有五个试验方法,主要区别在于试验温度和时间不同,其他皆基本相同。3.检测方法(l)试样:尺寸为40mmx100mm,贴衬织物尺寸与试样相同,可以是两块规定的单纤维贴衬织物或一块多纤维贴衬织物,与试样沿短边缝合,形成一个组合试样。(2)仪器:多个直径75mm、高125mm的密封容器,密封容器能沿半径为45mm。、转速为40r/min进行转动,并能保持在规定的温度和时间下进行机械搅拌。(3)试验条件:五种试验方法的温度、时间和加料分别是:方法一;40℃,30min;方法二:50℃,30min;方法三:60℃,30min;方法四:95℃,30min,加10粒不锈钢珠;方法五:95℃,240min,加10位不锈钢珠。(4)洗涤试液:试液由5g/L皂片和2g/L无水碳酸钠,或4g/L标准合成洗涤第2页共45页第1页共45页编号:时间:2021年x月x日书山有路勤为径,学海无涯苦作舟页码:第2页共45页剂和1g/L无水碳酸钠组成,皂片和标准合成洗涤剂中不应含有荧光增白剂。皂片和标准合成洗涤剂的组成应符合一定要求,标准分别如表1-l、表1-2所示。表1一1皂片的组成要求皂片皂片游离碱(以Na2CO3计)/%≤0.3水/%≤5游离碱(以NaOH计)/%≤0.1制备肥皂混合脂肪酸冻点/℃≤30总脂肪物/g.kg-1≥850碘值≤50.表1一2标准合成洗涤剂的组成要求成分m/m(%)成分m/m(%)直链烷基苯磺酸钠(碳链平均长度C11。5)8硅酸镁1.9脂肪醇羟乙基缩合物(环氧乙烷数14)2.9羟甲基纤维素1.2钠皂(链长(C12—C16::13%—26%;C18—C22:74%—87%)3.5乙二胺四乙酸二钠0.2硫酸钠21.2三聚磷酸钠43.7水9.9硅酸钠(SiO2:Na2O=3.3:1)7.5合计100(5)试验:将组合试样放入规定的密封容器,容器内放入与组合样质量比为50:1的洗涤试验液。将密封容器沿半径为45mm、转速为40r/min进行转动,在规定的温度和时间下(方法一~方法五)进行机械搅拌。试验结束取出试样,用冷三级水清洗两次,然后在流动冷水中冲洗10min,挤去水分。展开组合试样,使试样和贴衬仅由一条缝线连接,悬挂在不高于60℃的环境里干燥。用变色用灰色样卡(GB250)评定试样的变色,用沾色用灰色样卡(GB251)评定贴衬织物的沾色。二、耐摩擦色牢度检测第3页共45页第2页共45页编号:时间:2021年x月x日书山有路勤为径,学海无涯苦作舟页码:第3页共45页家用纺织品在使用过程中经常要与其他物体进行摩擦,有时这种摩擦还是在湿态情况下进行的,若染料的染色牢度不好,在摩擦过程中就会沾染其他物品,所以应对家用纺织品的耐摩擦色牢度进行要求。摩擦过程中主要是沾染其他物品,故耐摩擦色牢度只有沾色,而无变色。1.检测标准ISO105-X12-2001《纺织品·色牢度试验·耐摩擦色牢度》JISL0849—1996《耐摩擦色牢度试验方法(ADPISO105-X12:93)》DINENISO105-X12-2002《纺织品·色牢度试验·耐摩擦色牢度》、AATCC8-2001《耐摩擦色牢度:AATCC摩擦仪法》。GB/T3920-1997《纺织品·色牢度试验·耐摩擦色牢度》。2.检测原理将试样分别用一块干的纯棉标准摩...

1、当您付费下载文档后,您只拥有了使用权限,并不意味着购买了版权,文档只能用于自身使用,不得用于其他商业用途(如 [转卖]进行直接盈利或[编辑后售卖]进行间接盈利)。
2、本站所有内容均由合作方或网友上传,本站不对文档的完整性、权威性及其观点立场正确性做任何保证或承诺!文档内容仅供研究参考,付费前请自行鉴别。
3、如文档内容存在违规,或者侵犯商业秘密、侵犯著作权等,请点击“违规举报”。

碎片内容

纺织品的标准与检测

您可能关注的文档

中小学教育精品资料+ 关注
实名认证
内容提供者

中小学教育资料,优质文档创作者

相关文档

确认删除?
VIP
微信客服
  • 扫码咨询
会员Q群
  • 会员专属群点击这里加入QQ群
客服邮箱
回到顶部