电脑桌面
添加小米粒文库到电脑桌面
安装后可以在桌面快捷访问

电力系统设计报告VIP免费

电力系统设计报告_第1页
1/27
电力系统设计报告_第2页
2/27
电力系统设计报告_第3页
3/27
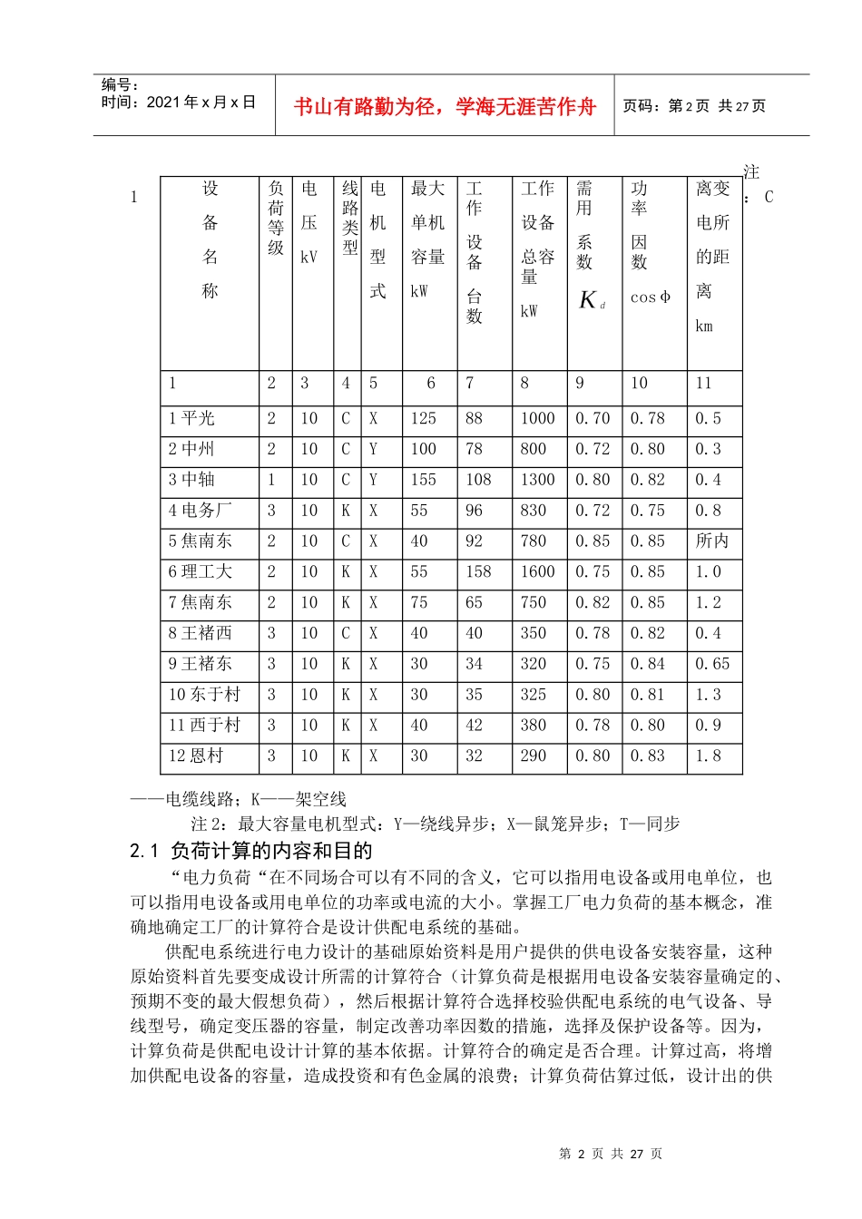
1概述电力系统是由发电厂、电力网和电能用户组成的一个发电、输电、变电、配电和用电的整体。电能的产生、输送、分配和尝试用的全过程,实际上是同时进行的,即发电厂任何时刻的生产的电能等于该时刻用电设备消耗的电能和输送、分配中消耗的电能的总和。变电所是电力系统的重要组成部分,其任务是接受电能、变换电压和分配电能,即受压——变压——配压。此设计是大型城市的变电所,电压等级是35KV。众所周知,电能是现代工业生产的主要能源和动力。电能既易于由其它形式的能量转换而来,又易于转换为其它形式的能量以供应用;电能的输送的分配既简单经济,又便于控制、调节和测量,有利于实现生产过程自动化。因此,电能在现代工业生产及整个国民经济生活中应用极为广泛。发电厂电气主接线是发电厂电气设计的主体,它与电力系统,电厂动能参数,基本原始资料以及电厂运行可靠性,经济性的要求等密切相关,对电器选择和布置,继电保护和控制方式等都有较大的影响。短路电流直接影响电器的安全,危害主接线的运行。特别是在大容量发电厂中,当发电机并联运行于发电机电压母线上,即采用有母线的主接线时,短路电流可达几万安至几十万安。为了使电器能承受短路电流的冲击,提高电能的质量,往往通过短路电流计算选用适当容量的电器设备。因此,做好发电厂设备对于发展工业生产,实现工业现代化,具有十分重要的意义。由于能源节约是工厂供电工作的一个重要方面,对于节约能源、支援国家经济建设,也具有重大的作用。2负荷计算及功率补偿变电所负荷数据如表2.1第2页共27页编号:时间:2021年x月x日书山有路勤为径,学海无涯苦作舟页码:第2页共27页注1:C——电缆线路;K——架空线注2:最大容量电机型式:Y—绕线异步;X—鼠笼异步;T—同步2.1负荷计算的内容和目的“电力负荷“在不同场合可以有不同的含义,它可以指用电设备或用电单位,也可以指用电设备或用电单位的功率或电流的大小。掌握工厂电力负荷的基本概念,准确地确定工厂的计算符合是设计供配电系统的基础。供配电系统进行电力设计的基础原始资料是用户提供的供电设备安装容量,这种原始资料首先要变成设计所需的计算符合(计算负荷是根据用电设备安装容量确定的、预期不变的最大假想负荷),然后根据计算符合选择校验供配电系统的电气设备、导线型号,确定变压器的容量,制定改善功率因数的措施,选择及保护设备等。因为,计算负荷是供配电设计计算的基本依据。计算符合的确定是否合理。计算过高,将增加供配电设备的容量,造成投资和有色金属的浪费;计算负荷估算过低,设计出的供设备名称负荷等级电压kV线路类型电机型式最大单机容量kW工作设备台数工作设备总容量kW需用系数功率因数cosφ离变电所的距离km12345678910111平光210CX1258810000.700.780.52中州210CY100788000.720.800.33中轴110CY15510813000.800.820.44电务厂310KX55968300.720.750.85焦南东210CX40927800.850.85所内6理工大210KX5515816000.750.851.07焦南东210KX75657500.820.851.28王褚西310CX40403500.780.820.49王褚东310KX30343200.750.840.6510东于村310KX30353250.800.811.311西于村310KX40423800.780.800.912恩村310KX30322900.800.831.8第3页共27页第2页共27页编号:时间:2021年x月x日书山有路勤为径,学海无涯苦作舟页码:第3页共27页配电系统的线路和电气设备承受不了实际的负荷电流,使电能损耗增大,使用寿命降低,甚至影响到系统正常可靠的运行。这次设计让我们学会如何让计算或估算工厂电力负荷的大小,负荷计算是正确选择供配电系统中导线、电缆、开关电器、变压器等的基础。2.2负荷计算的方法负荷计算的方法有需要系数法、利用系数法及二项式等几种。本设计采用需要系数法确定。主要计算公式有:有功功率:P30=Pe·Kd;无功功率:Q30=P30·tanφ;视在功率:S30=P30/tanφ。计算结果如表2.2/KW/kvar/kvA/A12345671平光公司380.8070056089751.82中州公司370.7557643272041.63中轴集团350.701040728126873.24电务厂410.88598526797465焦南东区320.62663411780456理工大学320.621200744141281.57焦南东区320.6261538172441.88王褚西350.70...

1、当您付费下载文档后,您只拥有了使用权限,并不意味着购买了版权,文档只能用于自身使用,不得用于其他商业用途(如 [转卖]进行直接盈利或[编辑后售卖]进行间接盈利)。
2、本站所有内容均由合作方或网友上传,本站不对文档的完整性、权威性及其观点立场正确性做任何保证或承诺!文档内容仅供研究参考,付费前请自行鉴别。
3、如文档内容存在违规,或者侵犯商业秘密、侵犯著作权等,请点击“违规举报”。

碎片内容

电力系统设计报告

确认删除?
VIP
微信客服
  • 扫码咨询
会员Q群
  • 会员专属群点击这里加入QQ群
客服邮箱
回到顶部