电脑桌面
添加小米粒文库到电脑桌面
安装后可以在桌面快捷访问

纺织纤维鉴别实验报告VIP免费

纺织纤维鉴别实验报告_第1页
1/30
纺织纤维鉴别实验报告_第2页
2/30
纺织纤维鉴别实验报告_第3页
3/30
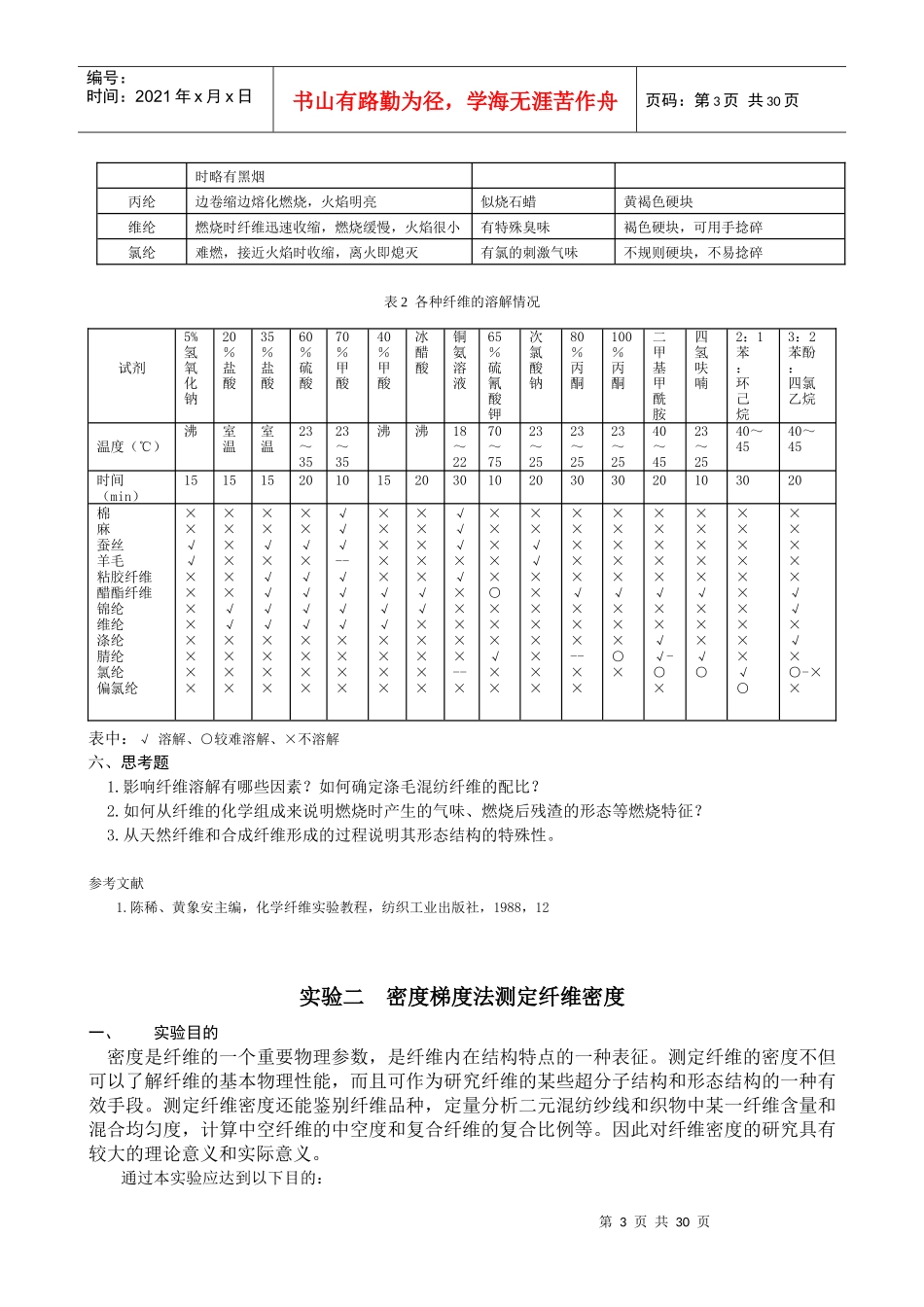
第1页共30页编号:时间:2021年x月x日书山有路勤为径,学海无涯苦作舟页码:第1页共30页实验一纺织纤维的鉴别一、实验目的纤维鉴别通常采用的方法有显微镜法、燃烧法、溶解法、熔点法等。对一般纤维,用单一的方法或用这些方法的组合便可比较准确、快捷的完成鉴别。否则将需借助红外光谱仪、气相色谱仪、热分析仪X光衍射仪和电子显微镜等仪器进行分析。本实验采用常规方法对纤维进行鉴别。通过实验达到以下目的:1.学会以燃烧法、溶剂溶解及显微镜观察法鉴别各种纤维;2.熟练掌握手切法制作纤维切片的技术。二、实验原理纤维鉴别就是利用各种纤维的外观形态和内在性质的差异,采用物理、化学等方法将其区分开来,一般采用如下三个步序。1.显微镜法天然纤维中棉、毛、麻、丝由于动植物物种的差异及形成纤维的过程不同,致使纤维形态各异。化学纤维由于纺丝方法、成形条件不同,横截面形状也有所不同。借助显微镜观察纤维纵向外形、截面形状或配合染色等方法,可以进行大致的区分,对形态特征典型的试样即可进行较准确的判断。当然利用显微镜法进行观察首先能够判别样品是否为单一纤维构成,进而考虑分开鉴别。常见的几种纤维的形态特征见表1和图1。观察纤维的横截面须将纤维切成较薄的切片。用切片机制得的切片厚度可小于10µm,利于观察,但操作复杂,成本较高。常用的切片方法还有哈氏切片法,也可用金属孔板或塑料管等来制作切片。哈氏切片法可制得10~30µm的切片。后两种方法简捷,但切片较厚,影响观察,不过作为一般纤维的鉴别,这两种方法还是比较实用的。2.燃烧法不同纤维的化学组成不同,可以根据各种纤维燃烧现象进行鉴别。譬如,棉花与粘胶、麻类等纤维素纤维的主要成分均为纤维素,因此在与火焰接触时迅速燃烧,离开火焰后会继续燃烧,且伴有烧纸(主要成分亦为纤维素)气味,燃烧后留下少量灰烬;羊毛之类的动物纤维接触火焰时也能燃烧,燃烧时散发出类似烧头发的强烈臭味,这是因为它们的组成主要是角质蛋白,燃烧完毕留下黑色松脆的灰烬;上述方法能够粗略地区分纤维的大类。合成纤维一般组成差异较大,接近火焰时,也有各种气味,但很难从中确切判断的纤维品种。各种纤维的燃烧特征见表2。燃烧法简单易行,无需特殊的设备和仪器,但比较粗糙,仅能进行大致的区分。这种方法不适于混合的纤维及经阻燃处理的纤维。在纤维燃烧过程中可给出很多信息,如燃烧的状态、火焰的颜色、散发出的气味、燃烧后灰烬的颜色、形状和硬度等,均可作为鉴别的依据。对纤维热分解时产生的气体进行分析也会有助于纤维区分。即将纤维试样放入试管,加热试管,用pH试纸在试管口检验。纤维受热后释放出的气体可以是酸性、中性或碱性,通过鉴定释出的气体酸碱性。第2页共30页第1页共30页编号:时间:2021年x月x日书山有路勤为径,学海无涯苦作舟页码:第2页共30页酸性:棉、麻、粘胶纤维、铜氨纤维、醋酸纤维素纤维、维纶、氯纶;中性:丙纶、腈纶;碱性:羊毛、蚕丝、锦纶等。3.溶解法溶解法是利用各种纤维在不同的化学溶剂中的溶解特性来鉴别纤维的。采用这种方法,试剂准备简单,准确性较高,且不受混纺、染色的影响,故应用范围较广。对于混纺纤维可用一种试剂溶去一种组分,从而可以进行定量测定。各种纤维的溶解情况见表2。由于一种溶剂往往能溶解多种纤维,因此,需要进行几种溶剂的溶解试验,才能最终确认鉴别结果。三、仪器、试剂与试样仪器:哈氏切片器,光学显微镜,酒精灯;刀片、镊子、梳子、烧杯、试管、玻璃棒、载玻片、盖玻片、1mm×3mm×8mm的塑料管等。试剂:5%NaOH;35%HCl;70%H2SO4;40%甲酸;冰醋酸;铜氨溶液;65%硫氰酸钾;丙酮;二甲基甲酰胺;四氢呋喃;苯酚四氯乙烷混合液(1:1重量比)等。试样:棉、毛、粘胶纤维、醋酸纤维素纤维、涤纶、锦纶、腈纶、维纶、氯纶等。四、实验步骤1.显微镜法首先将需要鉴别的纤维用哈氏切片器切成薄片,置于滴有少许甘油的载玻片上,然后覆盖上盖玻片,即可进行观察,并粗略描绘其形状。也可采用简易手切法。该法所用工具包括长1mm×3mm×8mm的塑料管、刀片、载玻片、铜丝等。将纤维梳理成平行的纤维束,再用细铜丝钩住穿...

1、当您付费下载文档后,您只拥有了使用权限,并不意味着购买了版权,文档只能用于自身使用,不得用于其他商业用途(如 [转卖]进行直接盈利或[编辑后售卖]进行间接盈利)。
2、本站所有内容均由合作方或网友上传,本站不对文档的完整性、权威性及其观点立场正确性做任何保证或承诺!文档内容仅供研究参考,付费前请自行鉴别。
3、如文档内容存在违规,或者侵犯商业秘密、侵犯著作权等,请点击“违规举报”。

碎片内容

纺织纤维鉴别实验报告

确认删除?
VIP
微信客服
  • 扫码咨询
会员Q群
  • 会员专属群点击这里加入QQ群
客服邮箱
回到顶部