电脑桌面
添加小米粒文库到电脑桌面
安装后可以在桌面快捷访问

建筑节能工程质量验收表(doc 14页)VIP免费

建筑节能工程质量验收表(doc 14页)_第1页
1/16
建筑节能工程质量验收表(doc 14页)_第2页
2/16
建筑节能工程质量验收表(doc 14页)_第3页
3/16
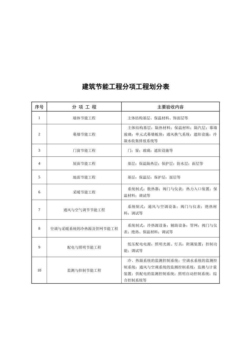
建筑节能工程分项工程划分表序号分项工程主要验收内容1墙体节能工程主体结构基层、保温材料、饰面层等2幕墙节能工程主体结构基层;隔热材料;保温材料;隔汽层;幕墙玻璃;单元式幕墙板块;通风换气系统;遮阳设施;冷凝水收集排放系统等3门窗节能工程门;窗;玻璃;遮阳设施等4屋面节能工程基层;保温隔热层;保护层;防水层;面层等5地面节能工程基层;保温层;保护层;面层等6采暖节能工程系统制式;散热器;阀门与仪表;热力入口装置;保温材料;调试等7通风与空气调节节能工程系统制式;通风与空调设备;阀门与仪表;绝热材料;调试等8空调与采暖系统的冷热源及管网节能工程系统制式;冷热源设备;辅助设备;管网;阀门与仪表;绝热、保温材料;调试等9配电与照明节能工程低压配电电源;照明光源、灯具;附属装置;控制功能;调试等10监测与控制节能工程冷、热源系统的监测控制系统;空调水系统的监测控制系统;通风与空调系统的监测控制系统;监测与计量装置;供配电的监测控制系统;照明自动控制系统;综合控制系统等建筑节能分部工程质量验收记录表10□□□工程名称结构类型及层数施工单位技术部门负责人质量部门负责人分包单位分包单位负责人分包技术负责人序号分项工程名称检验批数施工单位检查评定验收意见1墙体节能工程节能工程2幕墙节能工程3门窗节能工程4屋面节能工程5地面节能工程6采暖节能工程7通风与空气调节节能工程8空调与采暖系统的冷热源及管网节能工程9配电与照明节能工程10监测与控制节能工程质量控制资料外墙节能构造现场实体检验外窗气密性现场实体检测系统节能性能检测验收结论其他参加验收人员:验分包单位:项目经理:年月日收单位施工单位:项目经理:年月日设计单位:项目负责人:年月日监理(建设)单位总监理工程师:(建设单位项目负责人):年月日建筑节能分项工程质量验收汇总表1000□□□工程名称结构类型检验批数设计单位监理单位施工单位项目经理项目技术负责人分包单位分包单位负责人分包项目经理序号检验批部位、区段、系统施工单位检查评定结果监理(建设)单位验收结论检查结论项目专业技术负责人:年月日验收结论监理工程师:(建设单位项目专业技术负责人)年月日墙体节能工程检验批/分项工程质量验收表GB50411—2007100001□□□工程名称大汉龙城#楼分部工程名称建筑节能分部验收部位施工单位荆门市名大建设有限公司项目经理张忠林分包单位/分包项目经理/施工执行标准名称及编号《建筑节能工程质量验收规范》GB50411-2007施工质量验收规范的规定施工单位检查评定记录监理单位(建设)单位验收记录主控项目1材料、构件等进场验收第4.2.1条2保温隔热材料的性能第4.2.2条3保温材料、粘结材料复验第4.2.3条4基层处理情况第4.2.5条5各层构造做法第4.2.6条6墙体节能工程的施工第4.2.7条7预置保温板浇筑混凝土墙体第4.2.8条8保温浆料的同条件试件第4.2.9条9各类饰面层的基层及面层施工第4.2.10条10保温砌块砌筑的墙体施工第4.2.11条11预制保温板墙体施工第4.2.12条12隔汽层的设置及做法第4.2.13条13外墙或毗邻不采暖空间墙体上的门窗洞口、凸窗四周的侧面的保温措施第4.2.14条1保温材料与构件的外观与包装第4.3.1条2加强网的铺贴和搭接第4.3.2条3设置空调房间外墙热桥部位第4.3.3条一般项4穿墙套管、脚手架、孔洞等第4.3.4条5墙体保温板材接缝方法第4.3.5条6墙体采用保温浆料施工情况第4.3.6条7阳角、门窗洞口及不同材料基体的交接处等特殊部位第4.3.7条8采用现场喷涂或模板浇注的有机类保温材料做外保温第4.3.8条施工单位检查评定结果专业工长(施工员)施工班组长项目专业质量检查员:年月日监理(建设)单位验收结论监理工程师:(建设单位项目专业技术负责人)年月日幕墙节能工程检验批/分项工程质量验收表GB50411—2007100002□□□工程名称大汉龙城#楼分部工程名称建筑节能分部验收部位施工单位荆门市名大建设有限公司项目经理张忠林分包单位/分包项目经理/施工执行标准名称及编号《建筑节能工程质量验收规范》GB50411-2007施工质量验收规范的规定施工单位检查评定记录监理单位(建设)单位验收记录主控项目1用于幕墙节能工程的材料、...

1、当您付费下载文档后,您只拥有了使用权限,并不意味着购买了版权,文档只能用于自身使用,不得用于其他商业用途(如 [转卖]进行直接盈利或[编辑后售卖]进行间接盈利)。
2、本站所有内容均由合作方或网友上传,本站不对文档的完整性、权威性及其观点立场正确性做任何保证或承诺!文档内容仅供研究参考,付费前请自行鉴别。
3、如文档内容存在违规,或者侵犯商业秘密、侵犯著作权等,请点击“违规举报”。

碎片内容

建筑节能工程质量验收表(doc 14页)

确认删除?
VIP
微信客服
  • 扫码咨询
会员Q群
  • 会员专属群点击这里加入QQ群
客服邮箱
回到顶部