电脑桌面
添加小米粒文库到电脑桌面
安装后可以在桌面快捷访问

电力机车空气断路器辅助连锁技术改造VIP免费

电力机车空气断路器辅助连锁技术改造_第1页
1/6
电力机车空气断路器辅助连锁技术改造_第2页
2/6
电力机车空气断路器辅助连锁技术改造_第3页
3/6
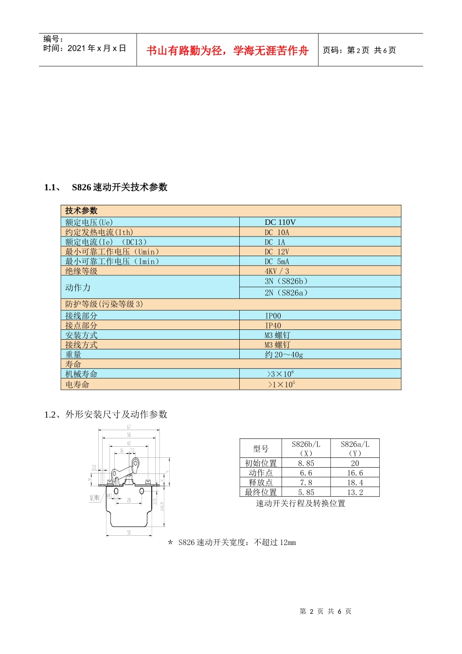
第1页共6页编号:时间:2021年x月x日书山有路勤为径,学海无涯苦作舟页码:第1页共6页电力机车空气断路器辅助连锁技术改造郭涛(1、西安沙尔特宝电气有限公司,陕西西安)摘要:本文介绍了一种兰州铁路局迎水桥机务段技术科和西安沙尔特宝电气有限公司联合开发的一种新型电力机车空气断路器辅助连锁装置,该装置采用西安沙尔特宝电气有限公司引进德国沙尔特宝的先进触头元件,该触头元件具有高可靠、长寿命、防护等级高、少维修或免维修的特点,整体结构紧凑,重量轻,体积小可完全替代原车使用的LW5K型万能转换开关用作空气断路器的辅助连锁组件。关键词:内燃机车;空气断路器;辅助连锁组件;高可靠;长寿命;高防护等级引言以前,国内电力机车用真空断路器辅助连锁组件是采用LW5K型万能转换开关用作辅助连锁组件,该型万能转换开关采用的是开放式触头结构,在正常使用中经常会发生虚接,短路等故障,尤其在高风沙地区更容易由于沙尘侵袭出头而造成触头接触电阻过大导致烧损触头的情况发生,从而影响行车安全。所以,开发一种新型的,高可靠和高防护等级的辅助连锁组件就显得非常重要。兰州铁路局迎水桥机务段技术科和西安沙尔特宝电气有限公司联合开发的S122型空气断路器辅助连锁组件就很好的解决了这些问题。一、使用环境1、海拔不超过2500m;2、最高周围空气温度不超过45℃;3、最低周围空气温度为-25℃,并允许在-40℃存放;4、周围空气湿度,最湿月的月平均最大相对湿度不大于90%(该月月平均温度最低为25℃);5、相对于正常位置的倾斜度不大于10°;6、相应于机车的垂向、横向、纵向存在着频率f为1~15Hz的正弦振动,其振动加速度当频率f为1~10Hz时等于0.1fg(g为重力加速度,计算时可化简为10m/s2),当频率为10~50Hz时等于1g;因机车连挂时的冲击,沿机车纵向激起的加速度不大于3g;7、装在有防雨、雪、风、沙的车(箱)体内。二、结构及外形S122辅助触头装置结构与外形示意图见图1;S122辅助触头装置闭合表见图2;三、主要技术参数1、S826速动开关S826速动开关为速动转换型,技术性能符合VDE0660,Part2007/92(EN60947,IEC947),具有体积小、重量轻、安装方便、速动、自净、强制断开、模块化等特点,两组动接点相互绝缘,可以不同极随意使用,接点为自净带有永磁灭弧功能,尤其适合接通小电流信号,如传送计算机信号,同时又有较强的分断能力,且接线时对极性无要求。该速动开关适用范围广,现已广泛地应用于我公司的各类产品中。第2页共6页第1页共6页编号:时间:2021年x月x日书山有路勤为径,学海无涯苦作舟页码:第2页共6页1.1、S826速动开关技术参数1.2、外形安装尺寸及动作参数型号S826b/L(X)S826a/L(Y)初始位置8.8520动作点6.616.6释放点7.818.4最终位置5.8513.2速动开关行程及转换位置*S826速动开关宽度:不超过12mm技术参数额定电压(Ue)DC110V约定发热电流(Ith)DC10A额定电流(Ie)(DC13)DC1A最小可靠工作电压(Umin)DC12V最小可靠工作电压(Imin)DC5mA绝缘等级4KV/3动作力3N(S826b)2N(S826a)防护等级(污染等级3)接线部分IP00接点部分IP40安装方式M3螺钉接线方式M3螺钉重量约20~40g寿命机械寿命>3×106电寿命>1×105第3页共6页第2页共6页编号:时间:2021年x月x日书山有路勤为径,学海无涯苦作舟页码:第3页共6页1.3、S826速动开关接线方式及寿命2、S800SB速动开关2.1、S800SB速动开关技术参数2.2、S800SB速动开关外形安装尺寸及动作参数S800SB速动开关为速动转换型,技术性能符合VDE0660,Part2007/92(EN60947,IEC947),具有安装方便、速动、强制断开、模块化、接点容量大的特点(Ith=20A)。两组动接点相互绝缘,主要应用于需要分断一定功率的场合,现主要应用于扳钮开关及司机控制器产品中。接线方式M3螺钉重量约25~45g寿命机械寿命>3×106电寿命>1×105技术参数额定电压(Ue)DC110V约定发热电流(Ith)DC20A额定电流(Ie)DC10A(DC1)DC5A(DC13)绝缘等级4KV/3动作力13.5N(S800b/SB)9N(S800a/SB)防护等级(污染等级3)接线部分IP00接点部分IP40安装方式M3螺钉接线方式M3螺钉重量约45~60g寿命机械寿命>3×106电寿命>1×105第4页共6页第3...

1、当您付费下载文档后,您只拥有了使用权限,并不意味着购买了版权,文档只能用于自身使用,不得用于其他商业用途(如 [转卖]进行直接盈利或[编辑后售卖]进行间接盈利)。
2、本站所有内容均由合作方或网友上传,本站不对文档的完整性、权威性及其观点立场正确性做任何保证或承诺!文档内容仅供研究参考,付费前请自行鉴别。
3、如文档内容存在违规,或者侵犯商业秘密、侵犯著作权等,请点击“违规举报”。

碎片内容

电力机车空气断路器辅助连锁技术改造

中小学教育精品资料+ 关注
实名认证
内容提供者

中小学教育资料,优质文档创作者

相关文档

确认删除?
VIP
微信客服
  • 扫码咨询
会员Q群
  • 会员专属群点击这里加入QQ群
客服邮箱
回到顶部