电脑桌面
添加小米粒文库到电脑桌面
安装后可以在桌面快捷访问

钢筋工程检验批质量验收记录(原材料、钢筋加工)VIP免费

钢筋工程检验批质量验收记录(原材料、钢筋加工)_第1页
1/42
钢筋工程检验批质量验收记录(原材料、钢筋加工)_第2页
2/42
钢筋工程检验批质量验收记录(原材料、钢筋加工)_第3页
3/42
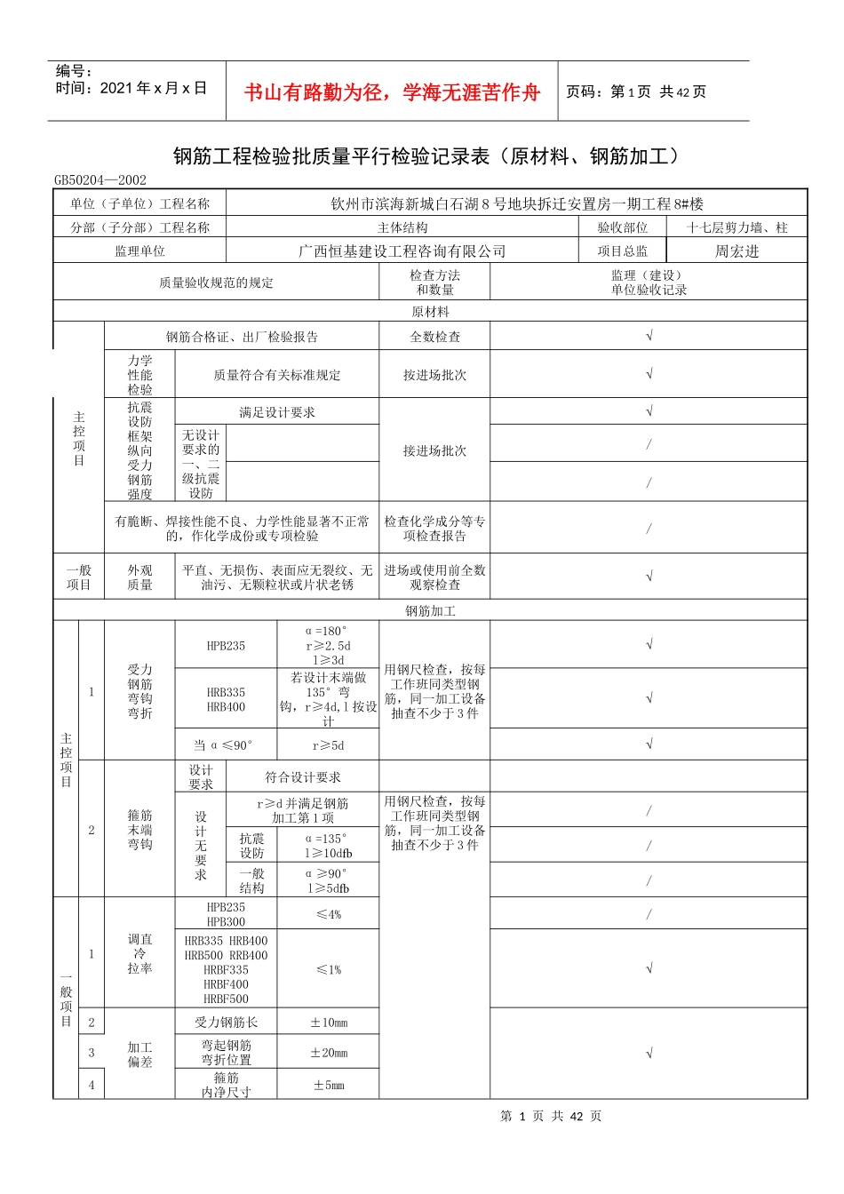
第1页共42页编号:时间:2021年x月x日书山有路勤为径,学海无涯苦作舟页码:第1页共42页钢筋工程检验批质量平行检验记录表(原材料、钢筋加工)GB50204—2002单位(子单位)工程名称钦州市滨海新城白石湖8号地块拆迁安置房一期工程8#楼分部(子分部)工程名称主体结构验收部位十七层剪力墙、柱监理单位广西恒基建设工程咨询有限公司项目总监周宏进质量验收规范的规定检查方法和数量监理(建设)单位验收记录原材料主控项目钢筋合格证、出厂检验报告全数检查√力学性能检验质量符合有关标准规定按进场批次√抗震设防框架纵向受力钢筋强度满足设计要求接进场批次√无设计要求的一、二级抗震设防//有脆断、焊接性能不良、力学性能显著不正常的,作化学成份或专项检验检查化学成分等专项检查报告/一般项目外观质量平直、无损伤、表面应无裂纹、无油污、无颗粒状或片状老锈进场或使用前全数观察检查√钢筋加工主控项目1受力钢筋弯钩弯折HPB235α=180°r≥2.5dl≥3d用钢尺检查,按每工作班同类型钢筋,同一加工设备抽查不少于3件√HRB335HRB400若设计末端做135°弯钩,r≥4d,l按设计√当α≤90°r≥5d√2箍筋末端弯钩设计要求符合设计要求设计无要求r≥d并满足钢筋加工第1项用钢尺检查,按每工作班同类型钢筋,同一加工设备抽查不少于3件/抗震设防α=135°l≥10d/一般结构α≥90°l≥5d/一般项目1调直冷拉率HPB235HPB300≤4%/HRB335HRB400HRB500RRB400HRBF335HRBF400HRBF500≤1%√2加工偏差受力钢筋长±10mm√3弯起钢筋弯折位置±20mm4箍筋内净尺寸±5mm第2页共42页第1页共42页编号:时间:2021年x月x日书山有路勤为径,学海无涯苦作舟页码:第2页共42页监理(建设)单位验收结论主控项目全部合格,一般项目满足规范要求,本平行检验合格监理单位参加检验人员年月日注:表中字母含义:α—弯曲角;r—弯弧内径;l—弯钩后平直长度;d—受力钢筋直径;d—箍筋直径;—钢筋抗拉强度实测值;—钢筋屈服强度实测值;—钢筋强度标准值。钢筋工程检验批质量平行检验记录表(原材料、钢筋加工)GB50204—2002单位(子单位)工程名称钦州市滨海新城白石湖8号地块拆迁安置房一期工程8#楼分部(子分部)工程名称主体结构验收部位一层剪力墙、柱监理单位广西恒基建设工程咨询有限公司项目总监周宏进质量验收规范的规定检查方法和数量监理(建设)单位验收记录原材料主控项目钢筋合格证、出厂检验报告全数检查√力学性能检验质量符合有关标准规定按进场批次√抗震设防框架纵向受力钢筋强度满足设计要求接进场批次√无设计要求的一、二级抗震设防//有脆断、焊接性能不良、力学性能显著不正常的,作化学成份或专项检验检查化学成分等专项检查报告/一般项目外观质量平直、无损伤、表面应无裂纹、无油污、无颗粒状或片状老锈进场或使用前全数观察检查√钢筋加工主控项目1受力钢筋弯钩弯折HPB235α=180°r≥2.5dl≥3d用钢尺检查,按每工作班同类型钢筋,同一加工设备抽查不少于3件√HRB335HRB400若设计末端做135°弯钩,r≥4d,l按设计√当α≤90°r≥5d√2箍筋末端弯钩设计要求符合设计要求设计无要求r≥d并满足钢筋加工第1项用钢尺检查,按每工作班同类型钢筋,同一加工设备抽查不少于3件/抗震设防α=135°l≥10d/一般结构α≥90°l≥5d/一般1调直冷HPB235HPB300≤4%√第3页共42页第2页共42页编号:时间:2021年x月x日书山有路勤为径,学海无涯苦作舟页码:第3页共42页项目拉率HRB335HRB400HRB500RRB400HRBF335HRBF400HRBF500≤1%√2加工偏差受力钢筋长±10mm3弯起钢筋弯折位置±20mm4箍筋内净尺寸±5mm监理(建设)单位验收结论主控项目全部合格,一般项目满足规范要求,本平行检验合格监理单位参加检验人员年月日注:表中字母含义:α—弯曲角;r—弯弧内径;l—弯钩后平直长度;d—受力钢筋直径;d—箍筋直径;—钢筋抗拉强度实测值;—钢筋屈服强度实测值;—钢筋强度标准值。钢筋工程检验批质量平行检验记录表(原材料、钢筋加工)GB50204—2002单位(子单位)工程名称钦州市滨海新城白石湖8号地块拆迁安置房一期工程8#楼分部(子分部)工程名称地基与基础验收部位二层梁板监理单位广西...

1、当您付费下载文档后,您只拥有了使用权限,并不意味着购买了版权,文档只能用于自身使用,不得用于其他商业用途(如 [转卖]进行直接盈利或[编辑后售卖]进行间接盈利)。
2、本站所有内容均由合作方或网友上传,本站不对文档的完整性、权威性及其观点立场正确性做任何保证或承诺!文档内容仅供研究参考,付费前请自行鉴别。
3、如文档内容存在违规,或者侵犯商业秘密、侵犯著作权等,请点击“违规举报”。

碎片内容

钢筋工程检验批质量验收记录(原材料、钢筋加工)

确认删除?
VIP
微信客服
  • 扫码咨询
会员Q群
  • 会员专属群点击这里加入QQ群
客服邮箱
回到顶部