电脑桌面
添加小米粒文库到电脑桌面
安装后可以在桌面快捷访问

检验表35桥梁总体现场质量检验报告单VIP免费

检验表35桥梁总体现场质量检验报告单_第1页
1/58
检验表35桥梁总体现场质量检验报告单_第2页
2/58
检验表35桥梁总体现场质量检验报告单_第3页
3/58
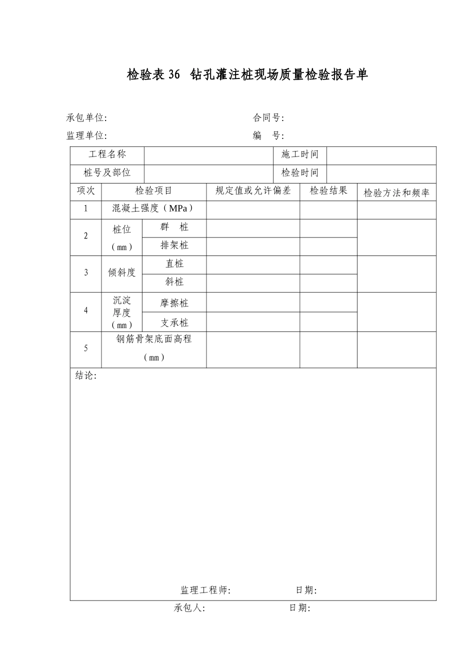
检验表35桥梁总体现场质量检验报告单承包单位:合同号:监理单位:编号:工程名称施工时间桩号及部位检验时间项次检验项目规定值或允许偏差检验结果检验方法和频率1桥面中线偏位(mm)2桥宽(mm)行车道人行道3桥长(mm)4引道中心线与桥梁中心线的衔接(mm)5桥头高程衔接(mm)结论:监理工程师:日期:承包人:日期:检验表36钻孔灌注桩现场质量检验报告单承包单位:合同号:监理单位:编号:工程名称施工时间桩号及部位检验时间项次检验项目规定值或允许偏差检验结果检验方法和频率1混凝土强度(MPa)2桩位(mm)群桩排架桩3倾斜度直桩斜桩4沉淀厚度(mm)摩擦桩支承桩5钢筋骨架底面高程(mm)结论:监理工程师:日期:承包人:日期:检验表37钻孔桩桩孔现场质量检验报告单承包单位:合同号:监理单位:编号:工程名称施工时间桩号及部位检验时间项次检验项目规定值或允许偏差检验结果检验方法和频率1倾斜度2钻孔底标高(mm)3钻孔深度(mm)4钻孔直径(mm)5护筒顶标高(mm)6地质情况结论:监理工程师:日期:承包人:日期:检验表38钻孔桩钢筋现场质量检验报告单承包单位:合同号:监理单位:编号:工程名称施工时间桩号及部位检验时间项次检验项目规定值或允许偏差检验结果检验方法和频率1主筋根数(mm)直径(mm)间距(mm)焊接长度(mm)2骨架筋长度(mm)外径(mm)3箍筋间距(mm)4保护层厚度(mm)结论:监理工程师:日期:承包人:日期:检验表39挖孔桩现场质量检验报告单承包单位:合同号:监理单位:编号:工程名称施工时间桩号及部位检验时间项次检验项目规定值或允许偏差检验结果检验方法和频率1混凝土强度(MPa)2桩位(mm)群桩排架桩3倾斜度(mm)直桩斜桩4钢筋骨架底面高程(mm)结论:监理工程师:日期:承包人:日期:检验表40沉桩现场质量检验报告单承包单位:合同号:监理单位:编号:工程名称施工时间桩号及部位检验时间项次检验项目规定值或允许偏差检验结果检验方法和频率1桩位(mm)群桩中间桩外缘桩排架桩顺桥方向垂直桥轴方向2桩尖高程(mm)贯入度(mm)3倾斜度直桩斜桩结论:监理工程师:日期:承包人:日期:检验表41管柱现场质量检验报告单承包单位:合同号:监理单位:编号:工程名称施工时间桩号及部位检验时间项次检验项目规定值或允许偏差检验结果检验方法和频率1内柱内芯混凝土强度(MPa)(mm)2管柱顶面中心偏位(mm)管柱群单排柱3倾斜度不钻岩钻岩单排顺桥向4管柱底高程(mm)5钢筋骨架底面高程(mm)结论:监理工程师:日期:承包人:日期:检验表42沉井现场质量检验报告单承包单位:合同号:监理单位:编号:工程名称施工时间桩号及部位检验时间项次检验项目规定值或允许偏差检验结果检验方法和频率1各节沉井混凝土强度(MPa)2沉井平面尺寸(mm)长、宽半径3井壁厚度(mm)混凝土钢筋混凝土4沉井刃脚高程(mm)5顶、底面中心偏位(纵横向)(mm)一般浮式6沉井最大倾斜度(纵横向)(mm)7平面扭转角一般浮式结论:监理工程师:日期:承包人:日期:检验表43桥涵基坑现场质量检验报告单承包单位:合同号:监理单位:编号:工程名称施工时间桩号及部位检验时间项次检验项目规定值或允许偏差检验结果检验方法和频率1基底平面尺寸(mm)2基底标高(mm)3基底承载能力(Mpa)4平整度(mm)结论:监理工程师:日期:承包人:日期:检验表44浆砌片石基础现场质量检验报告单承包单位:合同号:监理单位:编号:工程名称施工时间桩号及部位检验时间项次检验项目规定值或允许偏差检验结果检验方法和频率1砂浆强度(Mpa)2轴线偏位(mm)3断面尺寸(mm)4顶面高程(mm)5基础高程土质(mm)石质结论:监理工程师:日期:承包人:日期:检验表45墩、台身砌体现场质量检验报告单承包单位:合同号:监理单位:编号:工程名称施工时间桩号及部位检验时间项次检验项目规定值或允许偏差检验结果检验方法和频率1砂浆强度(MPa)在合格标准内2墩台长宽(mm)片石+40,-10块石+30,-10+26,+32,+28+33,+22,+35粗料石、混凝土块+20,-103竖直度或坡度片石0.5%块石、粗料石、混凝土块0.3%0.25%,0.2%0.32%,0.21%4墩、台顶面标高(mm)±10+12,+9,+10-5,+8,+95轴线偏...

1、当您付费下载文档后,您只拥有了使用权限,并不意味着购买了版权,文档只能用于自身使用,不得用于其他商业用途(如 [转卖]进行直接盈利或[编辑后售卖]进行间接盈利)。
2、本站所有内容均由合作方或网友上传,本站不对文档的完整性、权威性及其观点立场正确性做任何保证或承诺!文档内容仅供研究参考,付费前请自行鉴别。
3、如文档内容存在违规,或者侵犯商业秘密、侵犯著作权等,请点击“违规举报”。

碎片内容

检验表35桥梁总体现场质量检验报告单

确认删除?
VIP
微信客服
  • 扫码咨询
会员Q群
  • 会员专属群点击这里加入QQ群
客服邮箱
回到顶部