电脑桌面
添加小米粒文库到电脑桌面
安装后可以在桌面快捷访问

电气设备调试、试验记录VIP免费

电气设备调试、试验记录_第1页
1/12
电气设备调试、试验记录_第2页
2/12
电气设备调试、试验记录_第3页
3/12
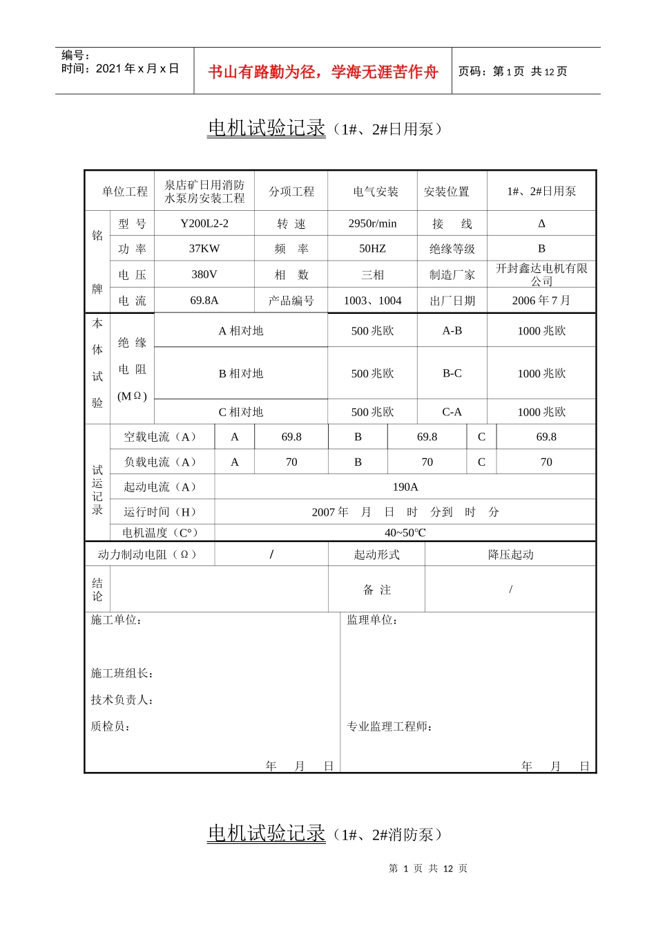
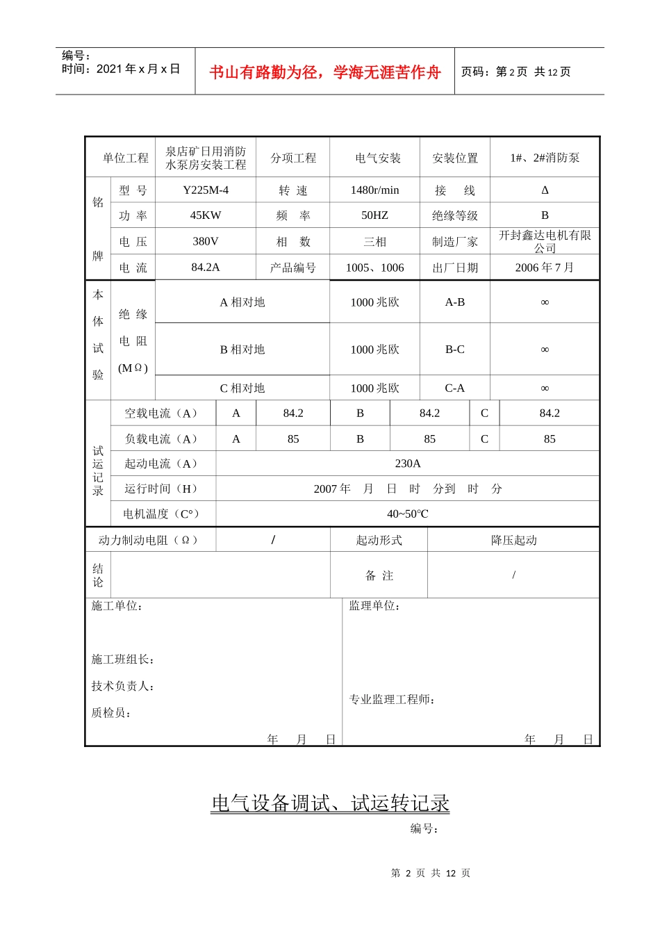
第1页共12页编号:时间:2021年x月x日书山有路勤为径,学海无涯苦作舟页码:第1页共12页电机试验记录(1#、2#日用泵)电机试验记录(1#、2#消防泵)单位工程泉店矿日用消防水泵房安装工程分项工程电气安装安装位置1#、2#日用泵铭牌型号Y200L2-2转速2950r/min接线Δ功率37KW频率50HZ绝缘等级B电压380V相数三相制造厂家开封鑫达电机有限公司电流69.8A产品编号1003、1004出厂日期2006年7月本体试验绝缘电阻(MΩ)A相对地500兆欧A-B1000兆欧B相对地500兆欧B-C1000兆欧C相对地500兆欧C-A1000兆欧试运记录空载电流(A)A69.8B69.8C69.8负载电流(A)A70B70C70起动电流(A)190A运行时间(H)2007年月日时分到时分电机温度(C°)40~50℃动力制动电阻(Ω)/起动形式降压起动结论备注/施工单位:施工班组长:技术负责人:质检员:年月日监理单位:专业监理工程师:年月日第2页共12页第1页共12页编号:时间:2021年x月x日书山有路勤为径,学海无涯苦作舟页码:第2页共12页电气设备调试、试运转记录编号:单位工程泉店矿日用消防水泵房安装工程分项工程电气安装安装位置1#、2#消防泵铭牌型号Y225M-4转速1480r/min接线Δ功率45KW频率50HZ绝缘等级B电压380V相数三相制造厂家开封鑫达电机有限公司电流84.2A产品编号1005、1006出厂日期2006年7月本体试验绝缘电阻(MΩ)A相对地1000兆欧A-B∞B相对地1000兆欧B-C∞C相对地1000兆欧C-A∞试运记录空载电流(A)A84.2B84.2C84.2负载电流(A)A85B85C85起动电流(A)230A运行时间(H)2007年月日时分到时分电机温度(C°)40~50℃动力制动电阻(Ω)/起动形式降压起动结论备注/施工单位:施工班组长:技术负责人:质检员:年月日监理单位:专业监理工程师:年月日第3页共12页第2页共12页编号:时间:2021年x月x日书山有路勤为径,学海无涯苦作舟页码:第3页共12页电气设备调试、试运转记录单位工程浓缩车间设备安装工程分项工程循环水泵安装工程安装位置608铭牌型号KK400-6功率因数0.824接线Y功率220KW效率/绝缘等级F电压6000V定额SI制造厂家武汉鄂龙电机电流27.7A频率50HZ出厂日期2005年12月转速988r/min相数三相产品编号003本体试验绝缘电阻(MΩ)定子R60S/15SA相对地A-BB相对地B-CC相对地C-A转子对地及其它绕组直流R60S/15S直流电阻(Ω)定子A//转子//B////C////试运记录空载电流(A)ABC负载电流(A)ABC起动电流(A)运行时间(H)2006年月日时分到时分电机温度(C°)动力制动电阻(Ω)/起动形式直接起动结论备注天气晴环境温度测量时间监理单位:年月日施工单位:年月日第4页共12页第3页共12页编号:时间:2021年x月x日书山有路勤为径,学海无涯苦作舟页码:第4页共12页编号:单位工程浓缩车间设备安装工程分项工程尾煤底流泵安装工程安装位置603铭牌型号YL60M-4功率因数0.85接线Δ功率11KW效率/绝缘等级B电压380V定额SI制造厂家长沙电机厂电流22.6A频率50HZ出厂日期2005年12月转速1460r/min相数三相产品编号2344本体试验绝缘电阻(MΩ)定子R60S/15SA相对地A-BB相对地B-CC相对地C-A转子对地及其它绕组直流R60S/15S直流电阻(Ω)定子A//转子//B////C////试运记录空载电流(A)ABC负载电流(A)ABC起动电流(A)运行时间(H)2006年月日时分到时分电机温度(C°)动力制动电阻(Ω)/起动形式直接起动结论备注天气晴环境温度测量时间监理单位:年月日施工单位:年月日第5页共12页第4页共12页编号:时间:2021年x月x日书山有路勤为径,学海无涯苦作舟页码:第5页共12页电气设备调试、试运转记录编号:第6页共12页第5页共12页编号:时间:2021年x月x日书山有路勤为径,学海无涯苦作舟页码:第6页共12页电气设备调试、试运转记录单位工程浓缩车间设备安装工程分项工程尾煤底流泵安装工程安装位置604铭牌型号YL60M-4功率因数0.85接线Δ功率11KW效率/绝缘等级B电压380V定额SI制造厂家长沙电机厂电流22.6A频率50HZ出厂日期2005年12月转速1460r/min相数三相产品编号2344本体试验绝缘电阻(MΩ)定子R60S/15SA相对地A-BB相对地B-CC相对地C-A转子对地及其它绕组直流R60S/15S直流电阻(Ω)定子A//转子//B////C////试运记录空载电流(A)ABC负载电流(A)ABC起...

1、当您付费下载文档后,您只拥有了使用权限,并不意味着购买了版权,文档只能用于自身使用,不得用于其他商业用途(如 [转卖]进行直接盈利或[编辑后售卖]进行间接盈利)。
2、本站所有内容均由合作方或网友上传,本站不对文档的完整性、权威性及其观点立场正确性做任何保证或承诺!文档内容仅供研究参考,付费前请自行鉴别。
3、如文档内容存在违规,或者侵犯商业秘密、侵犯著作权等,请点击“违规举报”。

碎片内容

电气设备调试、试验记录

确认删除?
VIP
微信客服
  • 扫码咨询
会员Q群
  • 会员专属群点击这里加入QQ群
客服邮箱
回到顶部