电脑桌面
添加小米粒文库到电脑桌面
安装后可以在桌面快捷访问

福田站机电安装施工质量安全文明施工保障措施2017VIP专享VIP免费

福田站机电安装施工质量安全文明施工保障措施2017_第1页
1/51
福田站机电安装施工质量安全文明施工保障措施2017_第2页
2/51
福田站机电安装施工质量安全文明施工保障措施2017_第3页
3/51
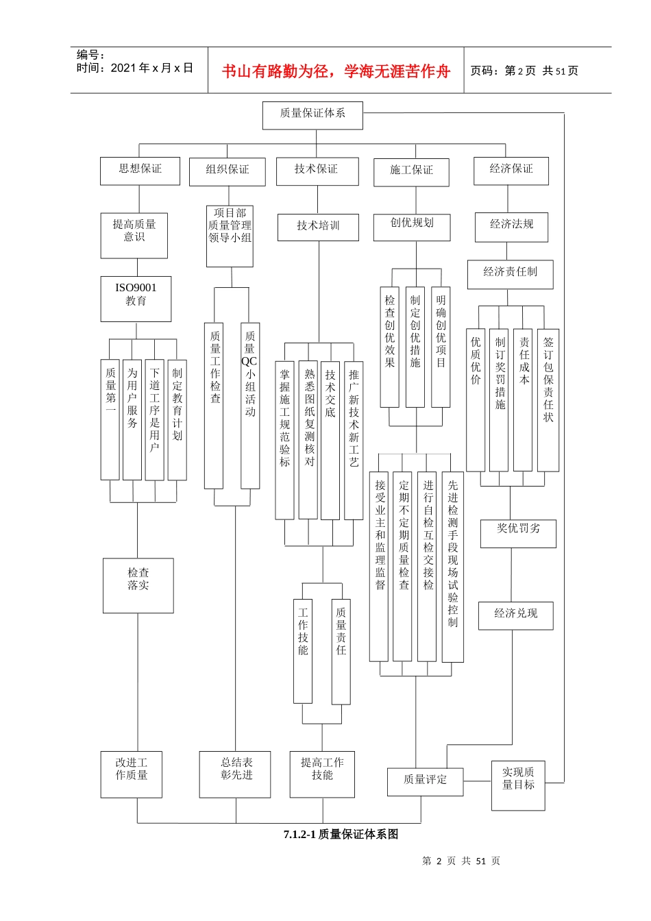
第1页共51页编号:时间:2021年x月x日书山有路勤为径,学海无涯苦作舟页码:第1页共51页7质量保证措施和创优计划7.1质量保证体系7.1.1质量目标全部工程达到国家有关铁路工程的质量验收标准及业主招标文件中关于工程质量标准的要求,单位工程、分部工程、分项工程和检验批一次验收合格率均达到100%。工程质量等级不低于中华人民共和国《工程施工质量验收规范》的合格标准。无大、重大质量事故。竣工文件真实可靠,规范整洁,完整无缺,一次验收交接合格。7.1.2质量管理体系1.质量保证体系要素构成及分配建立的质量管理体系达到了下列要求:明确了质量管理的目标;明确了各个质量管理计划,以及思想、组织保证体系;对各项质量管理活动规定了准则和程序,并提供资源保证;在相关的程序和文件中规定了质量记录的要求和传递途径,保证相关人员得到必要的信息;对质量管理过程和工程产品实现过程通过检验、试验、检查、审核、评审等手段进行监控、测量,并进行分析,发现问题,解决问题,改进质量体系。质量保证体系各要素在各部门进行分解,使质量要素处于受控状态。质量保证体系见图7.1.2-1:第2页共51页第1页共51页质量保证体系思想保证提高质量意识ISO9001教育质量第一为用户服务下道工序是用户制定教育计划检查落实改进工作质量组织保证质量工作检查质量QC小组活动总结表彰先进技术保证技术培训掌握施工规范验标熟悉图纸复测核对技术交底推广新技术新工艺工作技能提高工作技能质量责任经济保证经济法规经济责任制优质优价制订奖罚措施责任成本签订包保责任状奖优罚劣经济兑现实现质量目标施工保证创优规划检查创优效果制定创优措施明确创优项目接受业主和监理监督定期不定期质量检查进行自检互检交接检先进检测手段现场试验控制质量评定项目部质量管理领导小组编号:时间:2021年x月x日书山有路勤为径,学海无涯苦作舟页码:第2页共51页7.1.2-1质量保证体系图第3页共51页第2页共51页编号:时间:2021年x月x日书山有路勤为径,学海无涯苦作舟页码:第3页共51页2.质量职责机电安装主要管理人员及职能部门所担负的质量职责如下(1)机电项目经理为工程的质量责任人,实施质量终身责任制。贯彻实施项目质量方针和质量目标,严格执行质量保证手册,负责工程内施工生产的组织协调和指挥工作,对工程施工质量全面负责。严格履行合同文件有关条款的规定,加强内外、上下协调,合理组织施工力量,保证工程质量和工期。对施工进度、工程质量及质量体系的执行情况进行监督检查。定期组织安全生产、工程质量大检查,确保质量体系的有效运行。及时参加建设单位组织的施工协调等工作会议,配合建设单位组织好验收、开通和交付工作。(2)机电项目副经理贯彻实施质量方针和质量目标,严格执行质量保证手册和程序文件,对工程质量负责。负责召开质量分析会,负责对质量问题的审定和改进措施的检查落实,配合建设单位组织好工程验收、开通、交付工作。负责编制本工程质量培训计划,并组织落实,对培训效果负责。(3)机电总工贯彻实施质量方针和目标,检查落实质量保证手册和程序文件的执行情况,对工程质量管理和工程质量负技术责任。负责组织施工设计文件的会审工作,主持特殊和重点项目施工方案的编制和审批及技术交底工作。主持制定新设备、新材料的首次安装标准及作业指导书的编制,并组织技术交底和指导实施。组织施工质量和过程质量检查;定期组织召开质量分析会,主持制定改进措施,确保工程质量持续改进。主持编制开通方案,参加组织验收、开通、交付工作。(4)机电工程专业工程师在机电项目经理、机电项目副经理和机电总工的领导下,负责本工程的施工技术管理工作组织施工设计文件的审核,施工调查,现场定测,以及施工配合协议签订。负责第4页共51页第3页共51页编号:时间:2021年x月x日书山有路勤为径,学海无涯苦作舟页码:第4页共51页编制特殊和重点项目的施工技术方案和作业指导书,并做好技术交底和指导实施工作。参加建设单位和项目部组织的工程质量检查及事故的调查、分析和处理工作,制定预防和纠正措施并指导实施。对因施工管理不当造成的不合格负责,有权下令暂停施工。负责制...

1、当您付费下载文档后,您只拥有了使用权限,并不意味着购买了版权,文档只能用于自身使用,不得用于其他商业用途(如 [转卖]进行直接盈利或[编辑后售卖]进行间接盈利)。
2、本站所有内容均由合作方或网友上传,本站不对文档的完整性、权威性及其观点立场正确性做任何保证或承诺!文档内容仅供研究参考,付费前请自行鉴别。
3、如文档内容存在违规,或者侵犯商业秘密、侵犯著作权等,请点击“违规举报”。

碎片内容

福田站机电安装施工质量安全文明施工保障措施2017

确认删除?
VIP
微信客服
  • 扫码咨询
会员Q群
  • 会员专属群点击这里加入QQ群
客服邮箱
回到顶部