电脑桌面
添加小米粒文库到电脑桌面
安装后可以在桌面快捷访问

混凝土工程质量验收表1(DOC76页)VIP免费

混凝土工程质量验收表1(DOC76页)_第1页
1/74
混凝土工程质量验收表1(DOC76页)_第2页
2/74
混凝土工程质量验收表1(DOC76页)_第3页
3/74
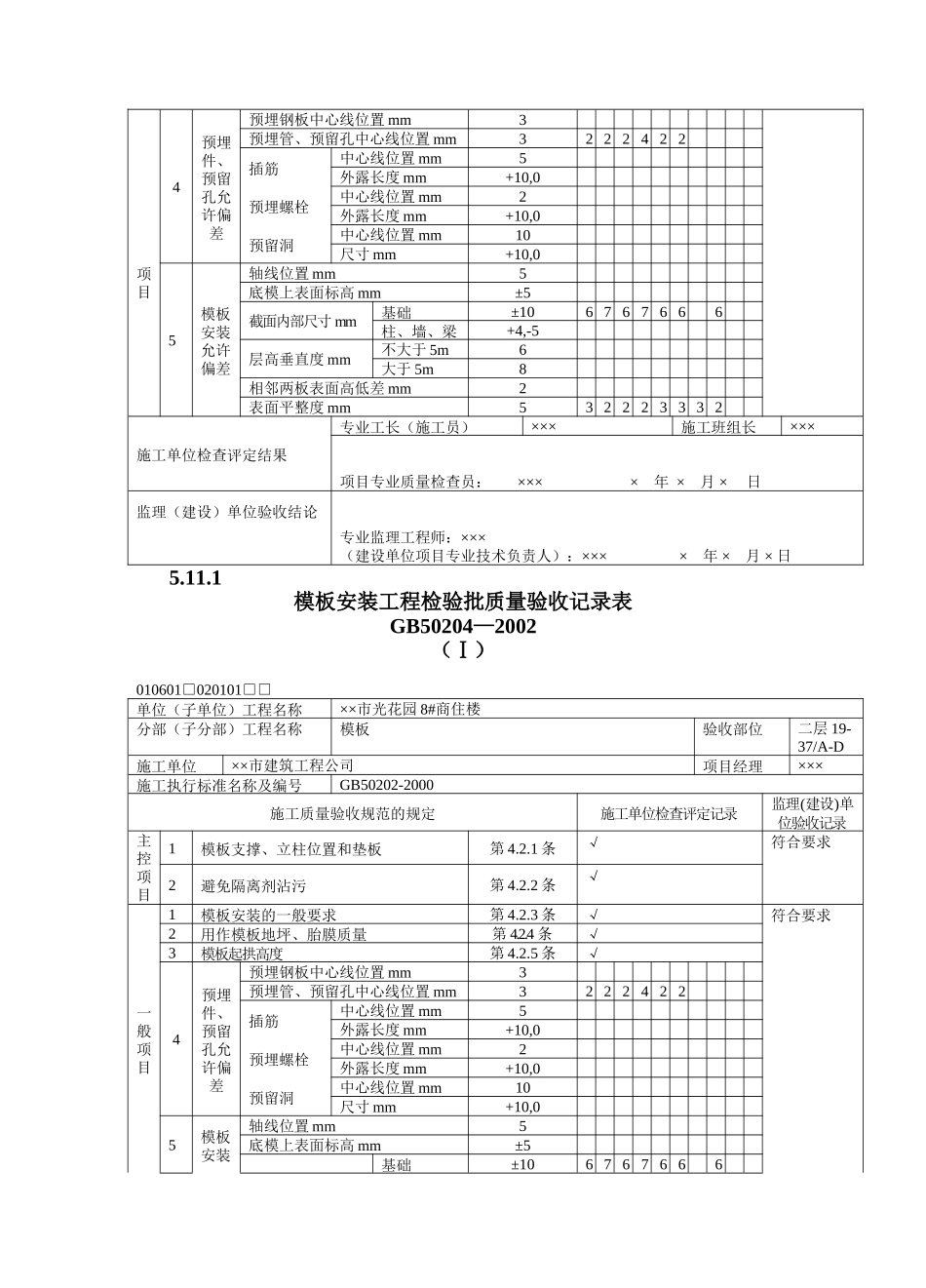
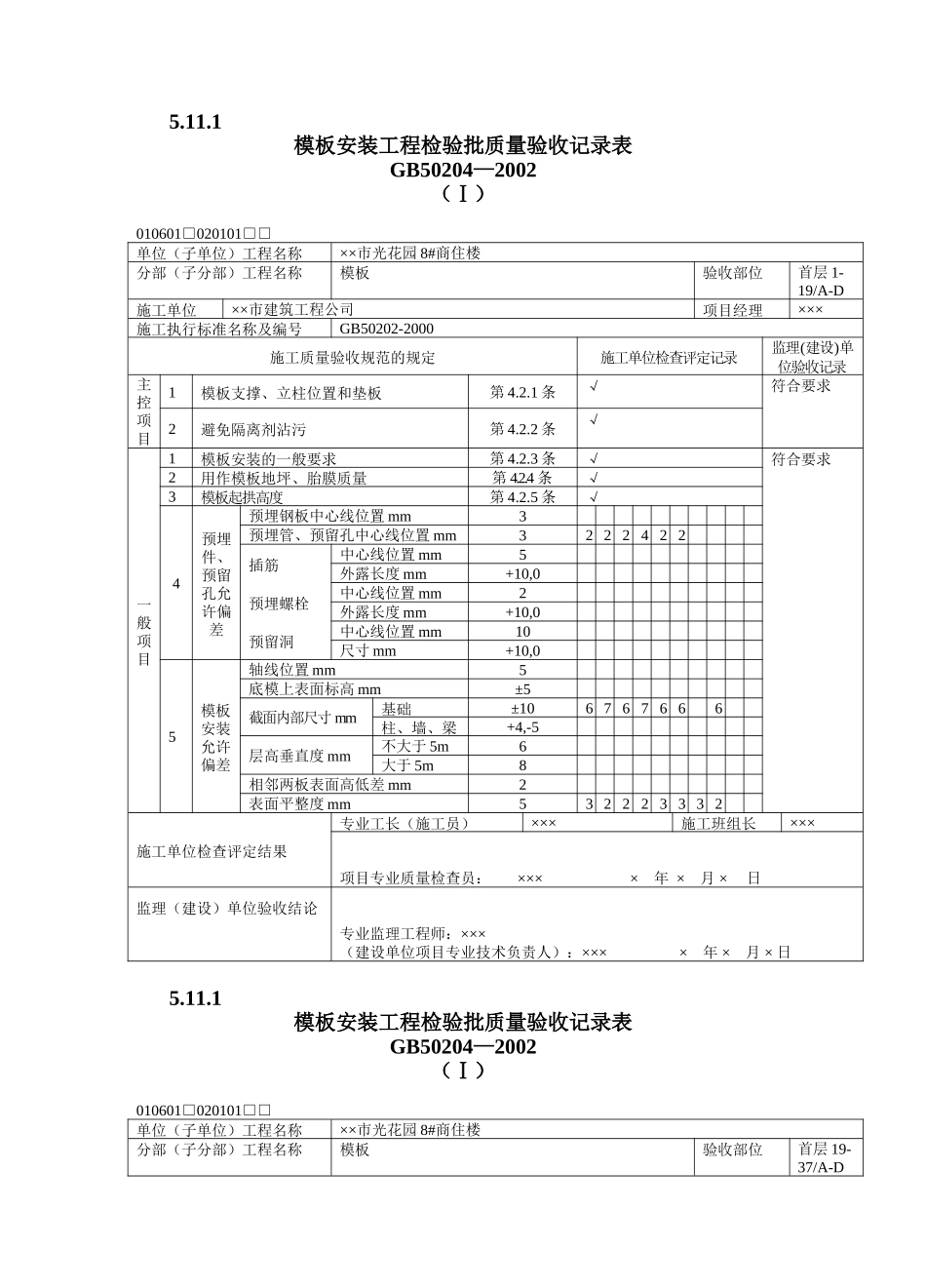
5.11.1模板安装工程检验批质量验收记录表GB50204—2002(Ⅰ)010601□020101□□单位(子单位)工程名称××市光花园8#商住楼分部(子分部)工程名称模板验收部位首层1-19/A-D施工单位××市建筑工程公司项目经理×××施工执行标准名称及编号GB50202-2000施工质量验收规范的规定施工单位检查评定记录监理(建设)单位验收记录主控项目1模板支撑、立柱位置和垫板第4.2.1条√符合要求2避免隔离剂沾污第4.2.2条√一般项目1模板安装的一般要求第4.2.3条√符合要求2用作模板地坪、胎膜质量第4.2.4条√3模板起拱高度第4.2.5条√4预埋件、预留孔允许偏差预埋钢板中心线位置mm3预埋管、预留孔中心线位置mm3222422插筋中心线位置mm5外露长度mm+10,0预埋螺栓中心线位置mm2外露长度mm+10,0预留洞中心线位置mm10尺寸mm+10,05模板安装允许偏差轴线位置mm5底模上表面标高mm±5截面内部尺寸mm基础±106767666柱、墙、梁+4,-5层高垂直度mm不大于5m6大于5m8相邻两板表面高低差mm2表面平整度mm532223332施工单位检查评定结果专业工长(施工员)×××施工班组长×××项目专业质量检查员:××××年×月×日监理(建设)单位验收结论专业监理工程师:×××(建设单位项目专业技术负责人):××××年×月×日5.11.1模板安装工程检验批质量验收记录表GB50204—2002(Ⅰ)010601□020101□□单位(子单位)工程名称××市光花园8#商住楼分部(子分部)工程名称模板验收部位首层19-37/A-D施工单位××市建筑工程公司项目经理×××施工执行标准名称及编号GB50202-2000施工质量验收规范的规定施工单位检查评定记录监理(建设)单位验收记录主控项目1模板支撑、立柱位置和垫板第4.2.1条√符合要求2避免隔离剂沾污第4.2.2条√一般项目1模板安装的一般要求第4.2.3条√符合要求2用作模板地坪、胎膜质量第4.2.4条√3模板起拱高度第4.2.5条√4预埋件、预留孔允许偏差预埋钢板中心线位置mm3预埋管、预留孔中心线位置mm3222422插筋中心线位置mm5外露长度mm+10,0预埋螺栓中心线位置mm2外露长度mm+10,0预留洞中心线位置mm10尺寸mm+10,05模板安装允许偏差轴线位置mm5底模上表面标高mm±5截面内部尺寸mm基础±106767666柱、墙、梁+4,-5层高垂直度mm不大于5m6大于5m8相邻两板表面高低差mm2表面平整度mm532223332施工单位检查评定结果专业工长(施工员)×××施工班组长×××项目专业质量检查员:××××年×月×日监理(建设)单位验收结论专业监理工程师:×××(建设单位项目专业技术负责人):××××年×月×日5.11.1模板安装工程检验批质量验收记录表GB50204—2002(Ⅰ)010601□020101□□单位(子单位)工程名称××市光花园8#商住楼分部(子分部)工程名称模板验收部位二层1-19/A-D施工单位××市建筑工程公司项目经理×××施工执行标准名称及编号GB50202-2000施工质量验收规范的规定施工单位检查评定记录监理(建设)单位验收记录主控项目1模板支撑、立柱位置和垫板第4.2.1条√符合要求2避免隔离剂沾污第4.2.2条√一般1模板安装的一般要求第4.2.3条√符合要求2用作模板地坪、胎膜质量第4.2.4条√3模板起拱高度第4.2.5条√项目4预埋件、预留孔允许偏差预埋钢板中心线位置mm3预埋管、预留孔中心线位置mm3222422插筋中心线位置mm5外露长度mm+10,0预埋螺栓中心线位置mm2外露长度mm+10,0预留洞中心线位置mm10尺寸mm+10,05模板安装允许偏差轴线位置mm5底模上表面标高mm±5截面内部尺寸mm基础±106767666柱、墙、梁+4,-5层高垂直度mm不大于5m6大于5m8相邻两板表面高低差mm2表面平整度mm532223332施工单位检查评定结果专业工长(施工员)×××施工班组长×××项目专业质量检查员:××××年×月×日监理(建设)单位验收结论专业监理工程师:×××(建设单位项目专业技术负责人):××××年×月×日5.11.1模板安装工程检验批质量验收记录表GB50204—2002(Ⅰ)010601□020101□□单位(子单位)工程名称××市光花园8#商住楼分部(子分部)工程名称模板验收部位二层19-37/A-D施工单位××市建筑工程公司项目经理×××施工执行标准名称及编号GB50202-2000施工质量验收规范的规定施工单位检查评定记录监理(建...

1、当您付费下载文档后,您只拥有了使用权限,并不意味着购买了版权,文档只能用于自身使用,不得用于其他商业用途(如 [转卖]进行直接盈利或[编辑后售卖]进行间接盈利)。
2、本站所有内容均由合作方或网友上传,本站不对文档的完整性、权威性及其观点立场正确性做任何保证或承诺!文档内容仅供研究参考,付费前请自行鉴别。
3、如文档内容存在违规,或者侵犯商业秘密、侵犯著作权等,请点击“违规举报”。

碎片内容

混凝土工程质量验收表1(DOC76页)

您可能关注的文档

确认删除?
VIP
微信客服
  • 扫码咨询
会员Q群
  • 会员专属群点击这里加入QQ群
客服邮箱
回到顶部