电脑桌面
添加小米粒文库到电脑桌面
安装后可以在桌面快捷访问

箱型基础工程施工组织设计方案(DOC12页)VIP免费

箱型基础工程施工组织设计方案(DOC12页)_第1页
1/13
箱型基础工程施工组织设计方案(DOC12页)_第2页
2/13
箱型基础工程施工组织设计方案(DOC12页)_第3页
3/13
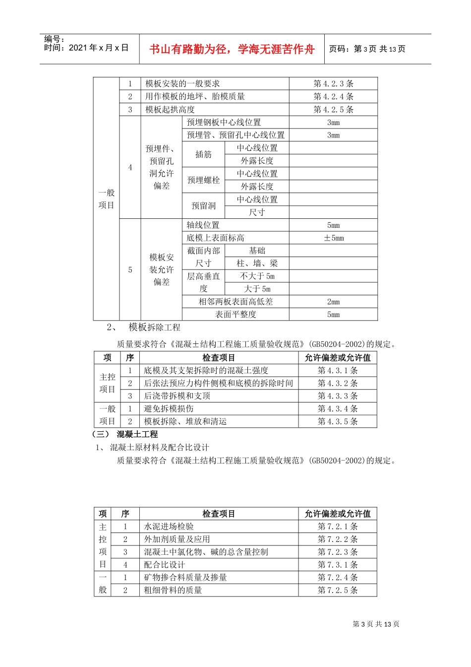
第1页共13页编号:时间:2021年x月x日书山有路勤为径,学海无涯苦作舟页码:第1页共13页一、施工准备(一)作业条件1、地基土质情况,钎探、地基处理、基础轴线尺寸、基底标高情况等均经过勘察、设计、监理单位验收,并办理完隐检手续。2、完成基槽验线,办完验收手续。3、地下降水工作完成,具备施工条件。4、根据设计及规范要求进行,校核混凝土配合比,做完混凝土配合比试配。原材料的复试、台秤经校准、检定合格,准备好混凝土试模。(二)材质要求1、水泥:水泥品种、强度等级应根据设计要求确定。质量符合现行水泥标准。工期紧时可做水泥快测。2、砂、石子:根据结构尺寸、钢筋密度、混凝±工程施工工艺、混凝土强度等级的要求确定石子粒径、砂子细度。砂、石质量符合现行标准。3、水:自来水或不含有害物质的洁净水。4、外加剂:根据施工组织设计要求,确定是否采用外加剂。外加剂必须经试验合格后,方可在工程上使用。5、掺合料:根据施工组织设计要求,确定是否采用掺合料,质量符合现行标准。6、钢筋:钢筋的级别、规格必须符合设计要求,质量符合现行标准。钢筋表面应保持清洁,无锈蚀和油污,必要时做化学分析。7、隔离剂:水性隔离剂、甲基硅树酯。(三)施工器具1、混凝土机具:磅秤、混凝土搅拌机、插入式振捣器、平尖头铁锹、胶皮管、手推车、布料杆、3m杠尺、木抹子、塑料布等。2、钢筋机具:调直机、弯曲机、切断机、钢筋钩子、扳手、无齿锯、钢筋连接机具、电焊机、撬棍等。3、模板机具:铁、木榔头、水平尺、手锯、钢卷尺、拖线板、气泵、吸尘器、手提电锯等。二、质量要求(一)钢筋工程1、钢筋原材料及钢筋加工工程质量要求符合《混凝土结构工程施工质量验收规范》(GB50204-2002)的规定。项序检查项目允许偏差或允许值主控项目1力学性能检验第5.2.1条2抗震用钢筋强度实测值第5.2.2条3化学成分等专项检验第5.2.3条4受力钢筋的弯钩和弯折第5.3.1条第2页共13页编号:时间:2021年x月x日书山有路勤为径,学海无涯苦作舟页码:第2页共13页5箍筋弯钩形式第5.3.1条一般项目1外观质量第5.2.4条2钢筋调直第5.3.3条3钢筋加工的形状、尺寸±10mm±20mm±5mm2、钢筋安装工程质量要求符合《混凝土结构工程施工质量验收规范》(GB50204-2002)的规定。项序检查项目允许偏差或允许值主控项目1纵向受力钢筋的连接方式第5.4.1条2机械连接和焊接接头的力学性能第5.4.2条3受力钢筋的品种、级别和数量第5.5.1条一般项目1接头位置和数量第5.4.3条2机械连接、焊接的外观质量第5.4.4条3机械连接、焊接的接头面积百分率第5.4.5条4绑扎搭接接头面积百分率和搭接长度第5.4.6条附录B±5搭接长度范围内的箍筋第5.4.7条6钢筋安装允许偏差绑扎钢筋网长宽±10mm网眼尺寸±20mm绑扎钢筋骨架长±10mm宽、高±5mm受力钢筋间距±10mm排距±5mm保护层厚度基础±10mm柱、梁±5mm板、墙、壳±3mm绑扎箍筋、横向钢筋间距±20mm钢筋弯起点位置20mm预埋件中心线位置5mm水平高差+3,0mm(二)模板工程1、质量要求符合《混凝±结构工程施工质量验收规范》(GB50204-2002)的规定。项序检查项目允许偏差或允许值主控项目1模板支撑、立柱位置和垫板第4.2.1条2避免隔离剂沾污第4.2.2条第3页共13页编号:时间:2021年x月x日书山有路勤为径,学海无涯苦作舟页码:第3页共13页一般项目1模板安装的一般要求第4.2.3条2用作模板的地坪、胎模质量第4.2.4条3模板起拱高度第4.2.5条4预埋件、预留孔洞允许偏差预埋钢板中心线位置3mm预埋管、预留孔中心线位置3mm插筋中心线位置外露长度预埋螺栓中心线位置外露长度预留洞中心线位置尺寸5模板安装允许偏差轴线位置5mm底模上表面标高±5mm截面内部尺寸基础柱、墙、梁层高垂直度不大于5m大于5m相邻两板表面高低差2mm表面平整度5mm2、模板拆除工程质量要求符合《混凝±结构工程施工质量验收规范》(GB50204-2002)的规定。项序检查项目允许偏差或允许值主控项目1底模及其支架拆除时的混凝土强度第4.3.1条2后张法预应力构件侧模和底模的拆除时间第4.3.2条3后浇带拆模和支顶第4.3.3条一般项目1避免拆模损伤第4.3.4条2模板拆除、堆放和清运第4.3.5条(三)混凝土工程1、混凝土原材料及...

1、当您付费下载文档后,您只拥有了使用权限,并不意味着购买了版权,文档只能用于自身使用,不得用于其他商业用途(如 [转卖]进行直接盈利或[编辑后售卖]进行间接盈利)。
2、本站所有内容均由合作方或网友上传,本站不对文档的完整性、权威性及其观点立场正确性做任何保证或承诺!文档内容仅供研究参考,付费前请自行鉴别。
3、如文档内容存在违规,或者侵犯商业秘密、侵犯著作权等,请点击“违规举报”。

碎片内容

箱型基础工程施工组织设计方案(DOC12页)

您可能关注的文档

中小学教育精品资料+ 关注
实名认证
内容提供者

中小学教育资料,优质文档创作者

确认删除?
VIP
微信客服
  • 扫码咨询
会员Q群
  • 会员专属群点击这里加入QQ群
客服邮箱
回到顶部