电脑桌面
添加小米粒文库到电脑桌面
安装后可以在桌面快捷访问

电气管理员岗位说明书AVIP免费

电气管理员岗位说明书A_第1页
1/4
电气管理员岗位说明书A_第2页
2/4
电气管理员岗位说明书A_第3页
3/4
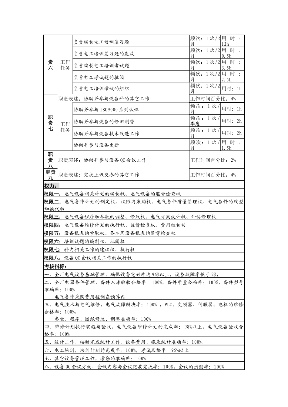
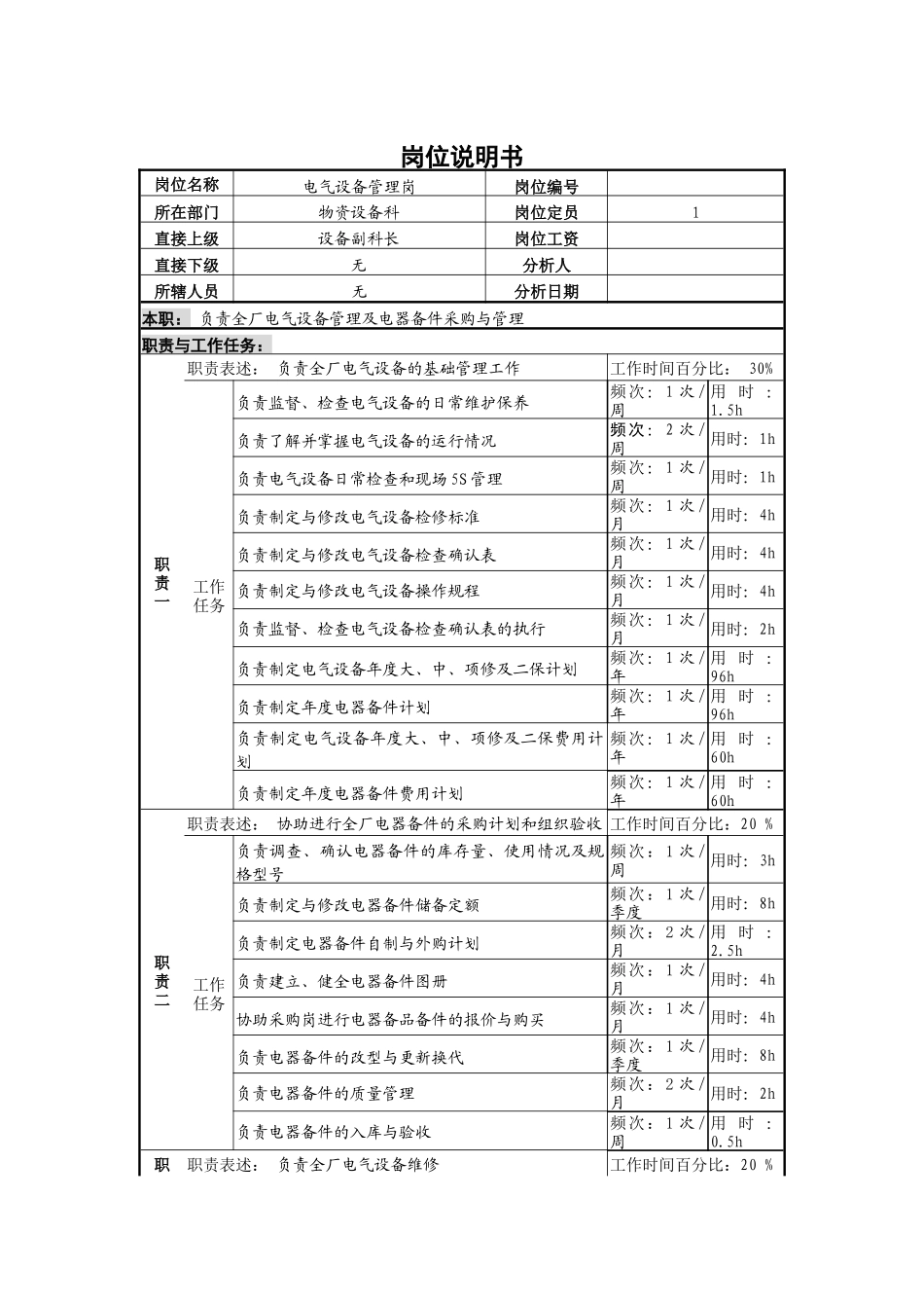
岗位说明书岗位名称电气设备管理岗岗位编号所在部门物资设备科岗位定员1直接上级设备副科长岗位工资直接下级无分析人所辖人员无分析日期本职:负责全厂电气设备管理及电器备件采购与管理职责与工作任务:职责一职责表述:负责全厂电气设备的基础管理工作工作时间百分比:30%工作任务负责监督、检查电气设备的日常维护保养频次:1次/周用时:1.5h负责了解并掌握电气设备的运行情况频次:2次/周用时:1h负责电气设备日常检查和现场5S管理频次:1次/周用时:1h负责制定与修改电气设备检修标准频次:1次/月用时:4h负责制定与修改电气设备检查确认表频次:1次/月用时:4h负责制定与修改电气设备操作规程频次:1次/月用时:4h负责监督、检查电气设备检查确认表的执行频次:1次/月用时:2h负责制定电气设备年度大、中、项修及二保计划频次:1次/年用时:96h负责制定年度电器备件计划频次:1次/年用时:96h负责制定电气设备年度大、中、项修及二保费用计划频次:1次/年用时:60h负责制定年度电器备件费用计划频次:1次/年用时:60h职责二职责表述:协助进行全厂电器备件的采购计划和组织验收工作时间百分比:20%工作任务负责调查、确认电器备件的库存量、使用情况及规格型号频次:1次/周用时:3h负责制定与修改电器备件储备定额频次:1次/季度用时:8h负责制定电器备件自制与外购计划频次:2次/月用时:2.5h负责建立、健全电器备件图册频次:1次/月用时:4h协助采购岗进行电器备品备件的报价与购买频次:1次/月用时:4h负责电器备件的改型与更新换代频次:1次/季度用时:8h负责电器备件的质量管理频次:2次/月用时:2h负责电器备件的入库与验收频次:1次/周用时:0.5h职职责表述:负责全厂电气设备维修工作时间百分比:20%责三工作任务负责解决全厂电气技术疑难问题频次:2次/周用时:1h负责设备改造中电气控制方案的设计以及实施频次:1次/月用时:2.5h负责电气设备的安装、调试频次:1次/月用时:2.5h负责全厂电气图纸的修改、调整与存档频次:1次/月用时:2h负责全厂PLC、变频器、伺服器程序及参数的修改、调整与存档频次:1次/月用时:6h负责监督与指导电气设备维修频次:2次/周用时:0.5h负责全厂PLC、变频器、伺服器与电动机的维修频次:1次/月用时:14h职责四职责表述:负责全厂电气设备维修计划执行、费用控制及验收工作时间百分比:10%工作任务负责将电气设备维修计划下发到车间频次:1次/月用时:0.5h负责监督电气设备维修计划的执行进度频次:1次/天大修时,60天用时:1h负责监督、控制电气设备维修费用的使用情况频次:1次/月用时:2.5h负责监督电气设备维修质量频次:1次/天大修时,60天用时:0.5h负责电气设备维修工作协调与现场5S管理频次:1次/天大修时,60天用时:0.5h负责电气设备检修后的验收频次:1次/月用时:2.5h参与监督技术改造及设备更新的执行进度频次:1次/月用时:2h参与监督控制技术改造及设备更新费用的使用情况频次:1次/月用时:2h职责五职责表述:负责全厂设备费用以及设备管理指标的统计工作工作时间百分比:5%工作任务负责统计各车间设备维修费用频次:1次/月用时:1.5h负责统计设备大、中、项修及二保费用频次:1次/月用时:2h负责统计设备技术改造费用频次:1次/月用时:2h负责统计设备更新费用频次:1次/月用时:1.5h负责统计各车间设备一级保养报表频次:1次/月用时:0.7h负责统计各车间设备管理月报表频次:1次/月用时:1h负责将设备费用以及设备管理报表上报公司频次:1次/月用时:1h职职责表述:负责全厂电工培训工作工作时间百分比:5%责六工作任务负责编制电工培训复习题频次:1次/2月用时:12h负责电工培训复习题的发放频次:1次/2月用时:0.5h负责编制电工培训考试题频次:1次/2月用时:3.5h负责电工考试题的批阅频次:1次/2月用时:2.5h负责电工培训考试的组织频次:1次/2月用时:1h职责七职责表述:协助并参与设备科的其它工作工作时间百分比:4%工作任务协助并参与ISO9000系列认证频次:1次/月用时:1h协助并参与设备的修旧利费频次:1次/季度用时:2h协助并参与设备技术改造工作频次:1次/月用时:2h协助并参与设备更新频次:1次/月用...

1、当您付费下载文档后,您只拥有了使用权限,并不意味着购买了版权,文档只能用于自身使用,不得用于其他商业用途(如 [转卖]进行直接盈利或[编辑后售卖]进行间接盈利)。
2、本站所有内容均由合作方或网友上传,本站不对文档的完整性、权威性及其观点立场正确性做任何保证或承诺!文档内容仅供研究参考,付费前请自行鉴别。
3、如文档内容存在违规,或者侵犯商业秘密、侵犯著作权等,请点击“违规举报”。

碎片内容

电气管理员岗位说明书A

确认删除?
VIP
微信客服
  • 扫码咨询
会员Q群
  • 会员专属群点击这里加入QQ群
客服邮箱
回到顶部