电脑桌面
添加小米粒文库到电脑桌面
安装后可以在桌面快捷访问

电力管线施工方案(DOC10页)VIP免费

电力管线施工方案(DOC10页)_第1页
1/8
电力管线施工方案(DOC10页)_第2页
2/8
电力管线施工方案(DOC10页)_第3页
3/8
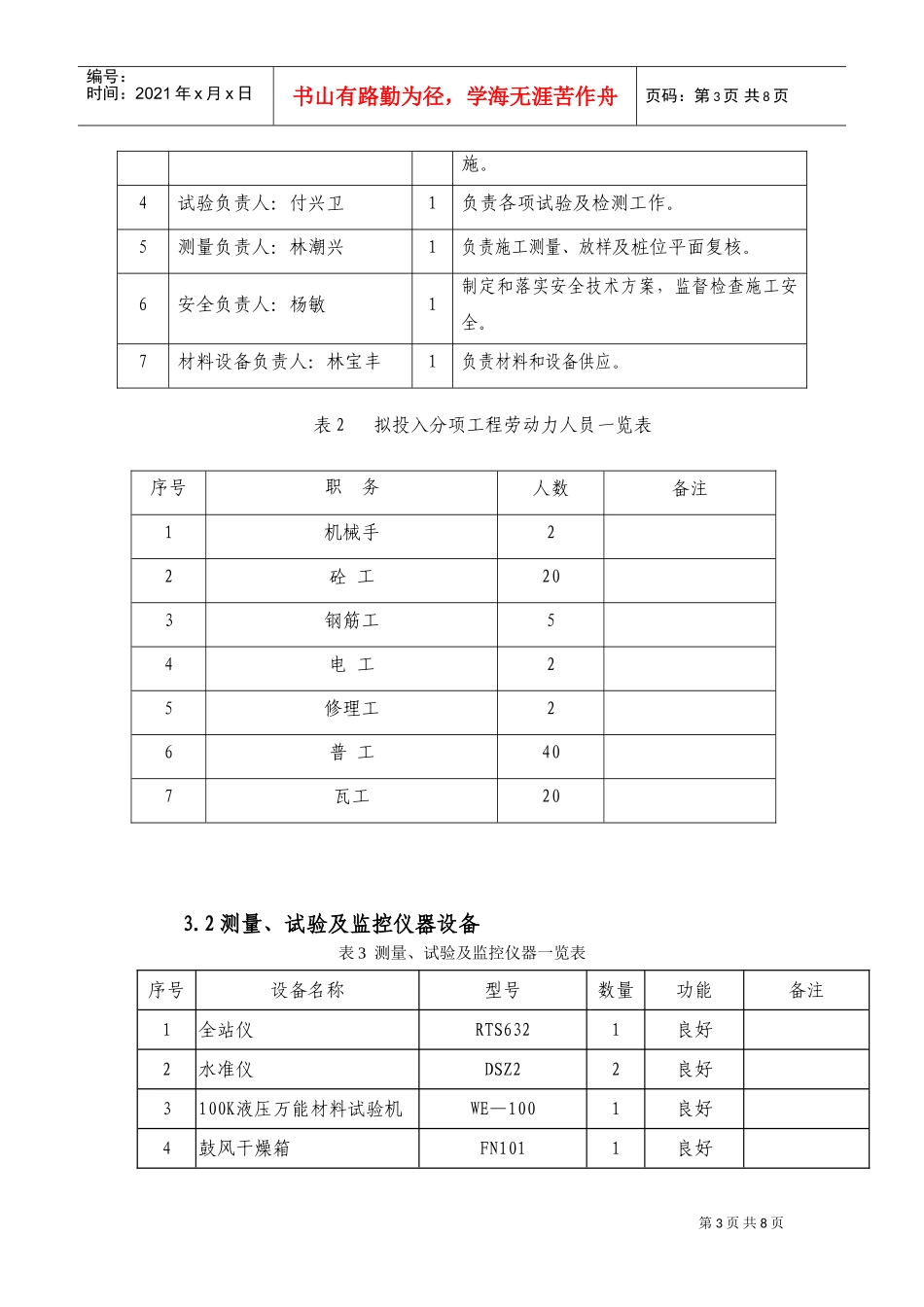
第1页共8页编号:时间:2021年x月x日书山有路勤为径,学海无涯苦作舟页码:第1页共8页电力管线施工方案1、工程简介机场路景观改造及机场南干道改扩建工程中,机场路设计全长960.471米,电力管线主要在北侧人行道或绿化带中设1.4×1.4和1.2×1.2覆土隐蔽式电缆沟.1.4×1.4的电缆沟与规划中的110kV机场二站出线电缆沟顺接;南干道设计全长3.35KM,电力管线主要在西侧人行道中设1.2×1.2隐蔽式电缆沟.电缆沟与相邻道路顺接。过路管束如下表:序号桩号管束型式序号桩号管束型式1M0+000P3×8SBB15015F1+943P3×6SBB1502M0+144P1×4SBB15016F2+094P1×6SBB1503M0+334P1×4SBB15017F2+220P3×8SBB1504M0+444P2×4SBB15018F2+260P3×6SBB1505过A、B匝道P3×9SBB15019F2+405P3×6SBB1506M0+959P1×4SBB15020F2+557P3×8SBB1507F0+900P1×6SBB15021F2+590P3×6SBB1508F1+060P1×6SBB15022F2+893P3×8SBB1509F1+163P2×9SBB15023F2+950P3×6SBB15010F1+208P2×9SBB15024F3+292P3×8SBB15011F1+484P1×6SBB15025F3+353P3×6SBB15012F1+620P1×10SBB15026F3+644P1×6SBB15013F1+850P1×6SBB15027F3+725P1×6SBB15014F1+905P3×8SBB15028F3+943P1×6SBB1502、工程数量机场路工程数量序号管束型式单位数量备注11×4SBB150m140第2页共8页编号:时间:2021年x月x日书山有路勤为径,学海无涯苦作舟页码:第2页共8页22×4SBB150m11033×8SBB150m10143×9SBB150m16554×7SBB150m6262×14SBB150m11机场南干道序号管束型式单位数量备注13×8SBB150m400砼垫层23×6SBB150m250砼垫层32×12SBB150m130砼垫层42×9SBB150m100砼垫层51×6SBB150m400砼垫层3、施工总体部署3.1人员安排及组织项目部管理人员及技术人员均已基本到位,电信管施工队作业人员将根据其它管线施工情况陆续进场,具体人员安排如下:表1投入分项工程现场管理及技术人员一览表序号职务人数主要职责1现场负责人:林惜泉1组织管理现场施工。2总工程师:杨经纬1对具体施工做全面的计划及安排。3质检负责人:李新景1负责施工质量检测及质量保证措施的实第3页共8页编号:时间:2021年x月x日书山有路勤为径,学海无涯苦作舟页码:第3页共8页施。4试验负责人:付兴卫1负责各项试验及检测工作。5测量负责人:林潮兴1负责施工测量、放样及桩位平面复核。6安全负责人:杨敏1制定和落实安全技术方案,监督检查施工安全。7材料设备负责人:林宝丰1负责材料和设备供应。表2拟投入分项工程劳动力人员一览表序号职务人数备注1机械手22砼工203钢筋工54电工25修理工26普工407瓦工203.2测量、试验及监控仪器设备表3测量、试验及监控仪器一览表序号设备名称型号数量功能备注1全站仪RTS6321良好2水准仪DSZ22良好3100K液压万能材料试验机WE—1001良好4鼓风干燥箱FN1011良好第4页共8页编号:时间:2021年x月x日书山有路勤为径,学海无涯苦作舟页码:第4页共8页序号设备名称型号数量功能备注5标准振动台0.6×1.01良好6压力试验机NYL—2000A1良好7震动式标准振筛机28SX×92A1良好8水泥净浆搅拌机SJ—1601良好9水泥胶砂搅拌机R137/651良好10水泥振动台TZT—851良好11雷氏沸煮箱CF—A1良好12卷尺2m、5m15良好13多功能检验尺2m1良好14接地摇表2良好15容重桶2升3良好16砼试模15*15*15cm20良好17三联有底砂浆试模7.07*7.07*7.07cm20良好18泥浆粘度计4良好19比重仪10良好20砂率测试仪10良好21水泥快速养护箱NSW—A1良好22测绳40m3良好3.3施工机械设备进场计划机械进场数量根据其余埋深较通信管道深的管道施工情况,主要机械设备和机具见下表:表4拟投入分项主要机械设备一览表序号机械名称规格、型号数量(台/辆)备注第5页共8页编号:时间:2021年x月x日书山有路勤为径,学海无涯苦作舟页码:第5页共8页1挖掘机PC20022自卸汽车日野15t53柴油发电机组200kw24滚洞搅拌机35023.4施工用电由于通信管道用电量较小,考虑配备2台24KVA发电机组。3.5材料供应(1)砼使用商品砼,砼供应商选择经过质量认证的众力建商品砼有限公司,供应商砼经过试验合格。(2)管材为深圳市工大复合材料有限公司,管材经过相应的相关试验及抽检合格。以上各项材料自检合格后,经监理单位批准同意后...

1、当您付费下载文档后,您只拥有了使用权限,并不意味着购买了版权,文档只能用于自身使用,不得用于其他商业用途(如 [转卖]进行直接盈利或[编辑后售卖]进行间接盈利)。
2、本站所有内容均由合作方或网友上传,本站不对文档的完整性、权威性及其观点立场正确性做任何保证或承诺!文档内容仅供研究参考,付费前请自行鉴别。
3、如文档内容存在违规,或者侵犯商业秘密、侵犯著作权等,请点击“违规举报”。

碎片内容

电力管线施工方案(DOC10页)

确认删除?
VIP
微信客服
  • 扫码咨询
会员Q群
  • 会员专属群点击这里加入QQ群
客服邮箱
回到顶部