电脑桌面
添加小米粒文库到电脑桌面
安装后可以在桌面快捷访问

陈洞南路一期雨水管网工程计算单VIP免费

陈洞南路一期雨水管网工程计算单_第1页
1/91
陈洞南路一期雨水管网工程计算单_第2页
2/91
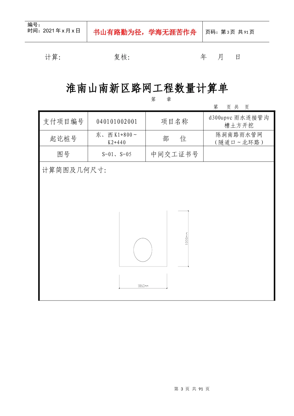
陈洞南路一期雨水管网工程计算单_第3页
3/91
第1页共91页编号:时间:2021年x月x日书山有路勤为径,学海无涯苦作舟页码:第1页共91页淮南山南新区路网工程数量计算单第章第页共页支付项目编号040101002001项目名称D600砼管沟槽土方开挖起讫桩号东、西K1+800~K2+440部位陈洞南路雨水管网(隧道口~北环路)图号S-01、S-05中间交工证书号计算简图及几何尺寸:计算式:h=[﹙83.97+72﹚*1/2+83.94+82.84+80.99+78.89+77.78+76.46+75.28+73.59]*60/540-76.66+0.06+0.1=2.14ma1=0.6+0.06*2+0.5*2=1.72ma2=2.14*0.67*2+1.72=4.59mL=530+18*2=566mV=(1.72+4.59)*2.14*1/2*566*1.02*2=7796m3(三类土)其中机械挖方:V1=7796*0.9=7016m3湿土排水7796*0.3=2339m3人工挖方V2=7796*0.1=780m3斗容量1m3反铲甩方7796*0.3=2339m3计算单位m3工程数量7796第2页共91页第1页共91页编号:时间:2021年x月x日书山有路勤为径,学海无涯苦作舟页码:第2页共91页计算:复核:年月日淮南山南新区路网工程数量计算单第章第页共页支付项目编号040101002001项目名称D1000砼管沟槽土方开挖起讫桩号东、西K1+800~K2+440部位陈洞南路雨水管网(隧道口~北环路)图号S-01、S-05中间交工证书号计算简图及几何尺寸:计算式:K1+330处D1000砼管道沟槽开挖h=1.76+0.1+0.2=2.06ma1=1+0.1*2+0.5*2=2.2ma2=2.06*0.67*2+2.2=4.96mL=12mV=(2.2+4.96)*2.06*1/2*12*1.02=90.3m3(三类土)其中机械挖方:V1=90.3*0.9=81.3m3湿土排水90.3*0.3=27m3人工挖方V2=90.3*0.1=9m3斗容量1m3反铲甩方90.3*0.3=27m3计算单位m3工程数量90.3第3页共91页第2页共91页编号:时间:2021年x月x日书山有路勤为径,学海无涯苦作舟页码:第3页共91页计算:复核:年月日淮南山南新区路网工程数量计算单第章第页共页支付项目编号040101002001项目名称d300upvc雨水连接管沟槽土方开挖起讫桩号东、西K1+800~K2+440部位陈洞南路雨水管网(隧道口~北环路)图号S-01、S-05中间交工证书号计算简图及几何尺寸:第4页共91页第3页共91页编号:时间:2021年x月x日书山有路勤为径,学海无涯苦作舟页码:第4页共91页计算式:h=1ma=1.26+0.3*2=1860ml=(7+1.26*2)*18=171.4mV=1.86*1*171.4*2=637.6m3(三类土)其中机械挖方:V1=637.6*0.9=573.8m3湿土排水:637.6*0.3=191m3人工挖方V2=637.6*0.1=63.8m3斗容量1m3反铲甩方637.6*0.3=191m3计算单位m3工程数量637.6计算:复核:监理工程师:年月日淮南山南新区路网工程数量计算单第章第页共页支付项目编号040202001002项目名称拆除道路基层起讫桩号东、西K1+800~K2+440部位陈洞南路雨水管网(隧道口~北环路)图号S-01、S-05中间交工证书号计算简图及几何尺寸:第5页共91页第4页共91页编号:时间:2021年x月x日书山有路勤为径,学海无涯苦作舟页码:第5页共91页计算式:拆除多骨料基层51cm(人工装,机动翻斗车外运1km),a=1.86ml=171.4ms=1.86*171.4*2=637.6㎡计算单位㎡工程数量637.6计算:复核:监理工程师:年月日淮南山南新区路网工程数量计算单第章第页共页支付项目编号040202004001项目名称石灰、粉煤灰、土路基恢复(12:40:48)厚15cm起讫桩号东、西K1+800~K2+440部位陈洞南路雨水管网(隧道口~北环路)图号S-01、S-05中间交工证书号第6页共91页第5页共91页编号:时间:2021年x月x日书山有路勤为径,学海无涯苦作舟页码:第6页共91页计算简图及几何尺寸:计算式:a=1.86ml=171.4ms=1.86*171.4*2=637.6㎡灰土(12:40:48)路基恢复15cm厚s=637.6㎡(自卸汽车运输,运距5km)计算单位㎡工程数量637.6计算:复核:监理工程师:年月日淮南山南新区路网工程数量计算单第章第页共页支付项目编号040202006001项目名称石灰、粉煤灰、碎石路基恢复(8:12:80)厚36cm第7页共91页第6页共91页编号:时间:2021年x月x日书山有路勤为径,学海无涯苦作舟页码:第7页共91页起讫桩号东、西K1+800~K2+440部位陈洞南路雨水管网(隧道口~北环路)图号S-01、S-05中间交工证书号计算简图及几何尺寸:计算式:a=1.86ml=171.4ms=1.86*171.4*2=637.6㎡碎石(8:12:80)路基恢复36cm厚s=637.6㎡(自卸汽车运输,运距5km)计算单位㎡工程数量637.6计算:复核:监...

1、当您付费下载文档后,您只拥有了使用权限,并不意味着购买了版权,文档只能用于自身使用,不得用于其他商业用途(如 [转卖]进行直接盈利或[编辑后售卖]进行间接盈利)。
2、本站所有内容均由合作方或网友上传,本站不对文档的完整性、权威性及其观点立场正确性做任何保证或承诺!文档内容仅供研究参考,付费前请自行鉴别。
3、如文档内容存在违规,或者侵犯商业秘密、侵犯著作权等,请点击“违规举报”。

碎片内容

陈洞南路一期雨水管网工程计算单

确认删除?
VIP
微信客服
  • 扫码咨询
会员Q群
  • 会员专属群点击这里加入QQ群
客服邮箱
回到顶部