电脑桌面
添加小米粒文库到电脑桌面
安装后可以在桌面快捷访问

采煤方法改革设计说明书VIP免费

采煤方法改革设计说明书_第1页
1/53
采煤方法改革设计说明书_第2页
2/53
采煤方法改革设计说明书_第3页
3/53
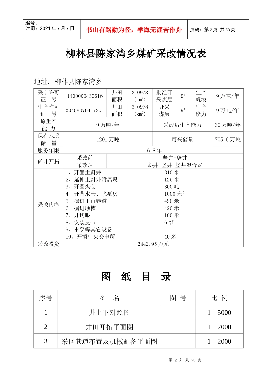
第1页共53页编号:时间:2021年x月x日书山有路勤为径,学海无涯苦作舟页码:第1页共53页柳林县陈家湾乡煤矿采煤方法改革设计说明书生产能力:300Kt/a所长:刘拴亮总工:刘俊保项目负责人:王建生吕梁地区煤炭设计研究所二00四年十二月第2页共53页第1页共53页编号:时间:2021年x月x日书山有路勤为径,学海无涯苦作舟页码:第2页共53页柳林县陈家湾乡煤矿采改情况表地址:柳林县陈家湾乡采矿许可证号1400000430616井田面积2.0978(km2)批准开采煤层9#生产规模9万吨/年生产许可证号X040807041Y2G1井田面积2.0978(km2)开采煤层9#生产能力9万吨/年原生产能力9万吨/年采改后生产能力30万吨/年保有地质储量1201万吨可采储量705.6万吨服务年限16.8年矿井开拓采改前竖井-竖井采改后斜井-竖井-竖井混合式采改内容1、开凿主斜井310米2、延伸主斜井附属段125米3、开凿煤仓300吨4、开凿水仓、水泵房1000米35、掘进下山巷道490米6、掘进顺槽420米7、开切眼100米8、安装皮带6部9、水泵等其它设备10、开凿中央变电所40米采改投资2442.95万元图纸目录序号图名图号比例1井上下对照图1︰50002井田开拓平面图1︰20003采区巷道布置及机械配备平面图1︰2000第3页共53页第2页共53页编号:时间:2021年x月x日书山有路勤为径,学海无涯苦作舟页码:第3页共53页4通风系统图1︰20005井上下供电系统图6回采工艺布置图78910前言根据国家“资源整合、关小建大”的战略布置,坚持“提高一批、规范一批、关闭一批”的原则,坚决遏制重特大事故的发生,矿方为合理规划,正规开采,实现规模化生产,建成规模型、效益型、系统型的企业,委托我所编制采煤方法改革设计方案。一、编制依据1、煤矿开采设计的有关手册及国家的有关法律、法规、规程等。2、吕行发(2004)28号《关于煤矿停产整顿复产验收的实施方案》。3、矿方提供的有关图纸、资料和井下实测资料。4、根据柳安监字[2002]41号文件。二、设计的指导思想设计在贯彻执行煤炭工业政策、法规、条例的前提下,以经济第4页共53页第3页共53页编号:时间:2021年x月x日书山有路勤为径,学海无涯苦作舟页码:第4页共53页效益、安全生产为中心,以促进区域经济的发展为目标,以矿井资源条件、开发条件为基础,以市场需求为导向,本着“规范设计,正规开采,提高效率,改善矿井安全状况”的原则,为矿井安全高效生产创造良好的条件,力争使该矿改造工程达到工程量省、投资少、工期短、见效快的目的,通过采煤方法改革把煤矿建设成用人少、效率高、成本低、环境效益好的环保型企业。三、设计的主要内容1、根据政策,改造井下运输系统。2、进行采煤方法改革的设计,减少资源浪费,解放生产力。3、本着“整体规划,正规开采,重点设计”的原则,以“一矿、一井、一采、两掘”为出发点进行设计。4、利用已开凿的主斜井(已基本临近煤层),后期调整运输和通风系统。第一章矿井基本情况一、地理概况陈家湾乡煤矿位于柳林县陈家湾乡下寺头村,在柳林县县城东南直距约11km处,地理坐标为:东经110º54′40″——110º00′52″,北纬37º21′28″——37º22′45″距孝柳铁路穆村站19km,距307国道13km,东山矿区循环公路经过该矿区,交通较为便利。(见交通位置图)该矿区西邻张家社煤矿,东靠陈家湾村煤矿,南依郭家山、狮第5页共53页第4页共53页编号:时间:2021年x月x日书山有路勤为径,学海无涯苦作舟页码:第5页共53页尾沟联营煤矿,北为风氧化带尖灭区。二、企业概况该矿于1988年经山西省煤炭资源委员会晋煤资字[1988]第237号批准筹建,2000年投产,属乡办集体企业。批准井田面积2.0978km2,批准开采9#煤层,采矿许可证号1400000430616,生产规模30万吨/年。生产许可证号X040807041Y2G1,核准生产能力9万吨/年。该矿地质构造为单斜构造,简单且稳定,煤层平均厚度5.2m。据山西省煤炭地质公司提交的地质报告知,该矿现保有地质储量1201万吨,可采储量705.6万吨,若生产能力按30万吨/年计算,服务年限16.8年,虽然服务年限较短,但该矿以南郭家山和狮尾沟联营矿均属集团公司煤矿,目前该两矿都在开采上组煤,根据公司整体部署,决定把这两个矿长2500米,宽360米的下组煤整合给...

1、当您付费下载文档后,您只拥有了使用权限,并不意味着购买了版权,文档只能用于自身使用,不得用于其他商业用途(如 [转卖]进行直接盈利或[编辑后售卖]进行间接盈利)。
2、本站所有内容均由合作方或网友上传,本站不对文档的完整性、权威性及其观点立场正确性做任何保证或承诺!文档内容仅供研究参考,付费前请自行鉴别。
3、如文档内容存在违规,或者侵犯商业秘密、侵犯著作权等,请点击“违规举报”。

碎片内容

采煤方法改革设计说明书

您可能关注的文档

确认删除?
VIP
微信客服
  • 扫码咨询
会员Q群
  • 会员专属群点击这里加入QQ群
客服邮箱
回到顶部