电脑桌面
添加小米粒文库到电脑桌面
安装后可以在桌面快捷访问

路灯工程隐蔽资料(DOC65页)VIP免费

路灯工程隐蔽资料(DOC65页)_第1页
1/80
路灯工程隐蔽资料(DOC65页)_第2页
2/80
路灯工程隐蔽资料(DOC65页)_第3页
3/80
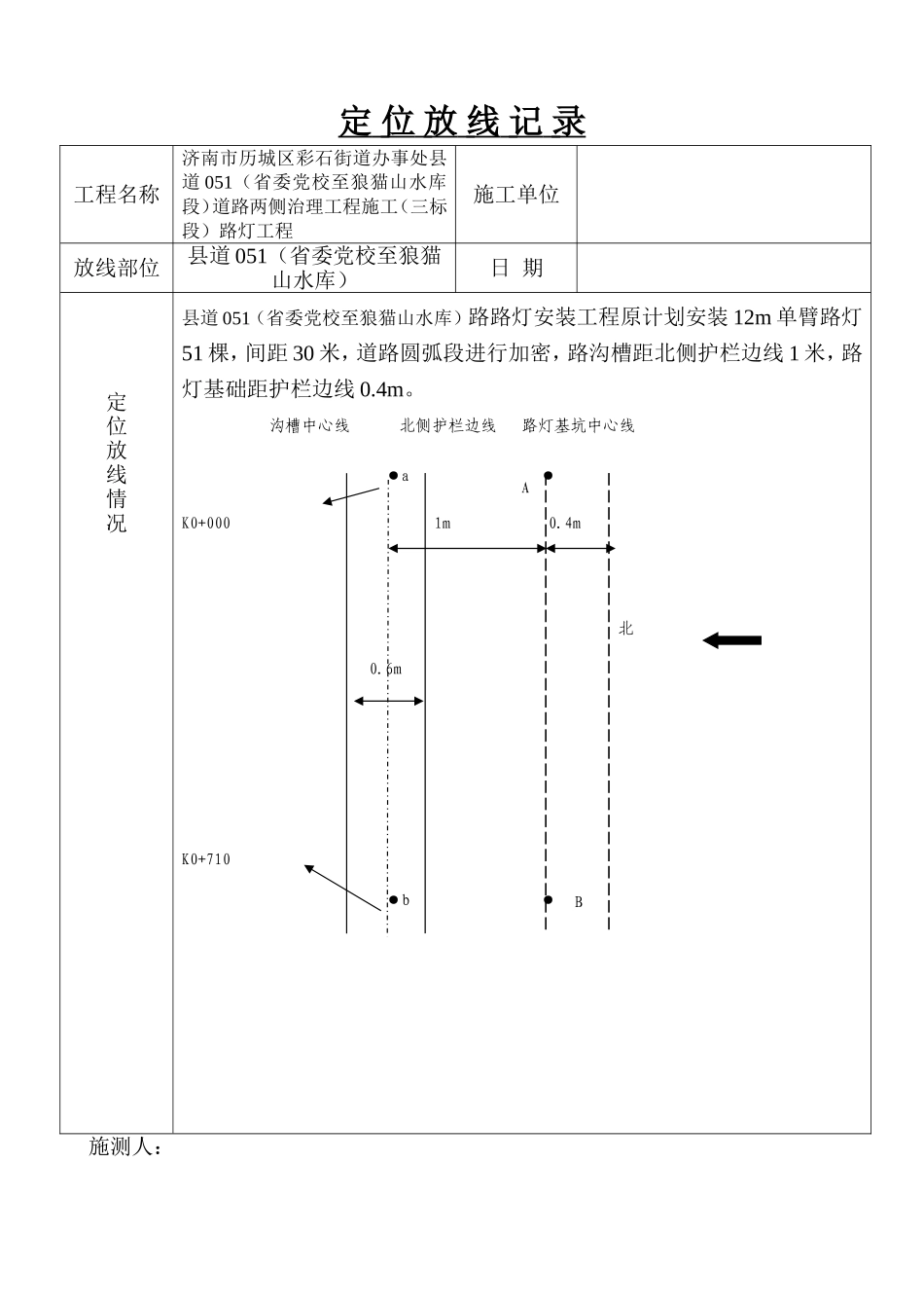
表B.0.7定位放线报审、报验表工程名称:编号:致:(监理单位)我方已完成济南市历城区彩石街道办事处县道051(省委党校至狼猫山水库段)道路两侧治理工程施工(三标段)路灯工程定位放线工作,经自检合格,请予以审查或验收。附件:□隐蔽工程质量检验资料□检验批质量检验资料□分项工程质量检验资料□施工试验室证明资料þ其他施工项目经理部(盖章)项目经理或项目技术负责人(签字)年月日审查或验收意见:项目监理机构(盖章)专业监理工程师(签字)年月日注:本表一式二份,项目监理机构、施工单位各一份定位放线记录工程名称济南市历城区彩石街道办事处县道051(省委党校至狼猫山水库段)道路两侧治理工程施工(三标段)路灯工程施工单位放线部位县道051(省委党校至狼猫山水库)日期定位放线情况县道051(省委党校至狼猫山水库)路路灯安装工程原计划安装12m单臂路灯51棵,间距30米,道路圆弧段进行加密,路沟槽距北侧护栏边线1米,路灯基础距护栏边线0.4m。沟槽中心线北侧护栏边线路灯基坑中心线●a●K0+0001m0.4m北0.6mK0+710●b●施测人:AB施记3测量复核记录工程名称济南市历城区彩石街道办事处县道051(省委党校至狼猫山水库段)道路两侧治理工程施工(三标段)路灯工程子单位工程路灯工程施工单位复核内容K0+000-K0+710沟槽、基坑开挖日期原施测人测量复核人测量复核情况(示意图)沟槽中心线北侧护栏边线路灯基坑中心线●a●K0+0001m0.4m北0.6mK0+710●b●监理意见经复核,K0+000-K0+990路灯沟槽宽度符合设计要求监理工程师AB定位放线记录工程名称济南市历城区彩石街道办事处县道051(省委党校至狼猫山水库段)道路两侧治理工程施工(三标段)路灯工程施工单位放线部位县道051(省委党校至狼猫山水库)日期定位放线情况县道051(省委党校至狼猫山水库)路路灯安装工程原计划安装12m单臂路灯51棵,间距30米,道路圆弧段进行加密,路沟槽距北侧护栏边线1米,路灯基础距护栏边线0.4m。沟槽中心线北侧护栏边线路灯基坑中心线●a●K0+7101m0.4m北0.6mK0+1410●b●施测人:施记3AB测量复核记录工程名称济南市历城区彩石街道办事处县道051(省委党校至狼猫山水库段)道路两侧治理工程施工(三标段)路灯工程子单位工程路灯工程施工单位复核内容K0+710-K0+1410沟槽、基坑开挖日期原施测人测量复核人测量复核情况(示意图)沟槽中心线北侧护栏边线路灯基坑中心线●a●K0+7101m0.4m北0.6mK0+1410●b●监理意见经复核,K0+1020-K0+1410路灯沟槽宽度符合设计要求监理工程师AB表B.0.7沟槽开挖报审、报验表工程名称:编号:致:(项目监理机构)我方已完成K0+000-K0+710沟槽开挖工作,经自检合格,请予以审查或验收。附件:þ隐蔽工程质量检验资料þ检验批质量检验资料□分项工程质量检验资料□施工试验室证明资料þ其他施工项目经理部(盖章)项目经理或项目技术负责人(签字)年月日审查或验收意见:项目监理机构(盖章)专业监理工程师(签字)年月日注:本表一式二份,项目监理机构、施工单位各一份表1隐蔽工程验收记录年月日工程名称济南市历城区彩石街道办事处县道051(省委党校至狼猫山水库段)道路两侧治理工程施工(三标段)路灯工程施工单位隐检项目沟槽开挖隐检部位K0+000-K0+710隐检依据符合有关国家现行施工标准规范(GB50268-2008)隐检内容质量情况备注开挖采用机械与人工配合挖槽,槽底留200-300mm由人工处理;挖土自上下分层开挖,无掏洞开挖。原状地基无扰动、受水浸泡等现象;地基承载力符合设计要求;槽底宽度及边坡经实测满足规范及设计要求。图示:0.8m验收结论监理单位施工项目技术负责人质检员填表人0.6m表B.0.1检验批质量检验记录编号:工程名称济南市历城区彩石街道办事处县道051(省委党校至狼猫山水库段)道路两侧治理工程施工(三标段)路灯工程施工单位子单位工程名称路灯工程分部工程名称土方工程分项工程名称沟槽开挖验收部位K0+000-K0+710路灯检验日期项目经理技术负责人交方班组工程数量本段沟槽长710m,槽底宽0.6m质检员施工负责人接方班组检验项目检验依据/允许偏差(cm)检查结果/实测点偏差值或实测值123456789101112131415应测点数合格点...

1、当您付费下载文档后,您只拥有了使用权限,并不意味着购买了版权,文档只能用于自身使用,不得用于其他商业用途(如 [转卖]进行直接盈利或[编辑后售卖]进行间接盈利)。
2、本站所有内容均由合作方或网友上传,本站不对文档的完整性、权威性及其观点立场正确性做任何保证或承诺!文档内容仅供研究参考,付费前请自行鉴别。
3、如文档内容存在违规,或者侵犯商业秘密、侵犯著作权等,请点击“违规举报”。

碎片内容

路灯工程隐蔽资料(DOC65页)

您可能关注的文档

确认删除?
VIP
微信客服
  • 扫码咨询
会员Q群
  • 会员专属群点击这里加入QQ群
客服邮箱
回到顶部