电脑桌面
添加小米粒文库到电脑桌面
安装后可以在桌面快捷访问

钢筋工程检验批质量验收记录(钢筋安装)VIP免费

钢筋工程检验批质量验收记录(钢筋安装)_第1页
1/35
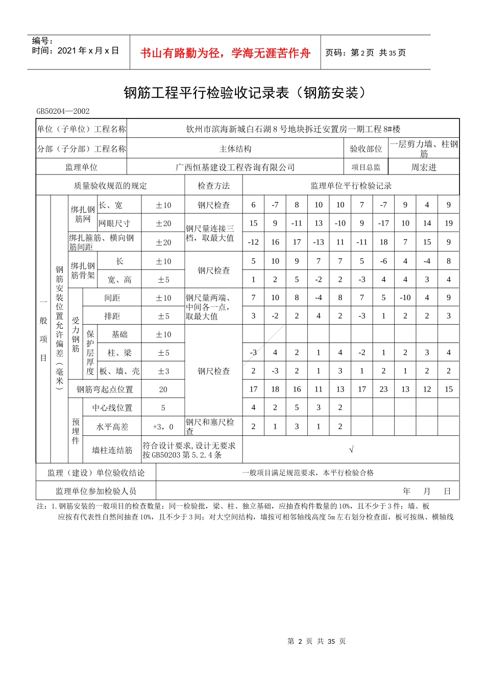
钢筋工程检验批质量验收记录(钢筋安装)_第2页
2/35
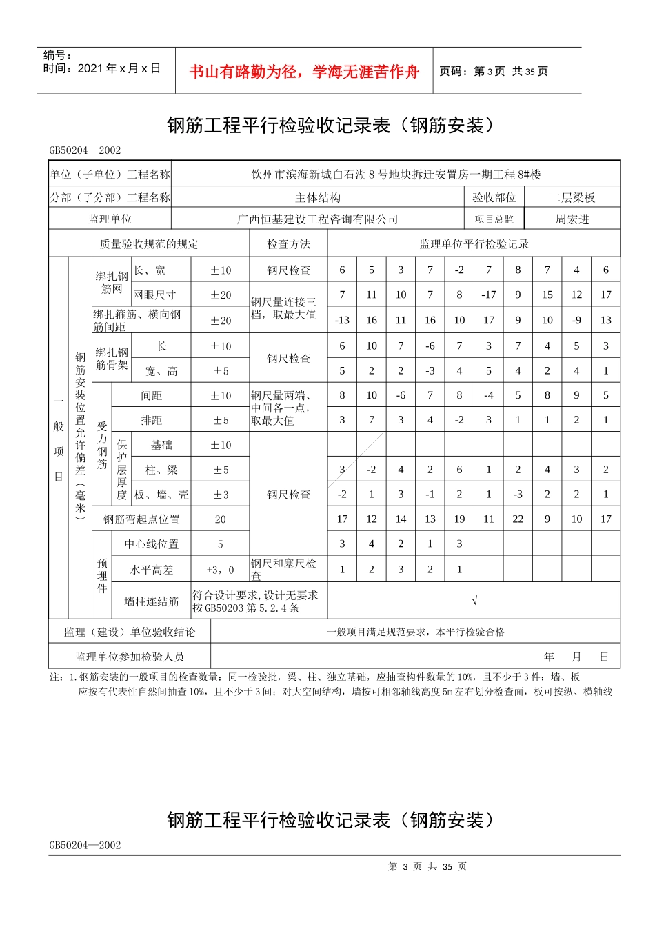
钢筋工程检验批质量验收记录(钢筋安装)_第3页
3/35
第1页共35页编号:时间:2021年x月x日书山有路勤为径,学海无涯苦作舟页码:第1页共35页钢筋工程平行检验收记录表(钢筋安装)GB50204—2002单位(子单位)工程名称钦州市滨海新城白石湖8号地块拆迁安置房一期工程8#楼分部(子分部)工程名称地基与基础验收部位基础、承台梁监理单位广西恒基建设工程咨询有限公司项目总监周宏进质量验收规范的规定检查方法监理单位平行检验记录一般项目钢筋安装位置允许偏差︵毫米︶绑扎钢筋网长、宽±10钢尺检查658-5796-948网眼尺寸±20钢尺量连接三档,取最大值-111311-918914-131415绑扎箍筋、横向钢筋间距±2012-17169181710-9158绑扎钢筋骨架长±10钢尺检查69-76458453宽、高±5423125-3341受力钢筋间距±10钢尺量两端、中间各一点,取最大值89-658-7549-5排距±53-3432-31-231保护层厚度基础±10钢尺检查58-7-6589748柱、梁±5板、墙、壳±3钢筋弯起点位置2012181411191722131015预埋件中心线位置531421水平高差+3,0钢尺和塞尺检查12132墙柱连结筋符合设计要求,设计无要求按GB50203第5.2.4条/监理(建设)单位验收结论一般项目满足规范要求,本平行检验合格监理单位参加检验人员年月日注:1.钢筋安装的一般项目的检查数量:同一检验批,梁、柱、独立基础,应抽查构件数量的10%,且不少于3件;墙、板应按有代表性自然间抽查10%,且不少于3间;对大空间结构,墙按可相邻轴线高度5m左右划分检查面,板可按纵、横轴线第2页共35页第1页共35页编号:时间:2021年x月x日书山有路勤为径,学海无涯苦作舟页码:第2页共35页钢筋工程平行检验收记录表(钢筋安装)GB50204—2002单位(子单位)工程名称钦州市滨海新城白石湖8号地块拆迁安置房一期工程8#楼分部(子分部)工程名称主体结构验收部位一层剪力墙、柱钢筋监理单位广西恒基建设工程咨询有限公司项目总监周宏进质量验收规范的规定检查方法监理单位平行检验记录一般项目钢筋安装位置允许偏差︵毫米︶绑扎钢筋网长、宽±10钢尺检查6-7810107-7949网眼尺寸±20钢尺量连接三档,取最大值159-1113-109-17101419绑扎箍筋、横向钢筋间距±20-121617-1311-11187159绑扎钢筋骨架长±10钢尺检查5109775-64-48宽、高±5125-22-34434受力钢筋间距±10钢尺量两端、中间各一点,取最大值7108-4875-1049排距±53-2242-31223保护层厚度基础±10钢尺检查柱、梁±5-34214-21234板、墙、壳±32-321312122钢筋弯起点位置2017181611131723131215预埋件中心线位置542532水平高差+3,0钢尺和塞尺检查21312墙柱连结筋符合设计要求,设计无要求按GB50203第5.2.4条√监理(建设)单位验收结论一般项目满足规范要求,本平行检验合格监理单位参加检验人员年月日注:1.钢筋安装的一般项目的检查数量:同一检验批,梁、柱、独立基础,应抽查构件数量的10%,且不少于3件;墙、板应按有代表性自然间抽查10%,且不少于3间;对大空间结构,墙按可相邻轴线高度5m左右划分检查面,板可按纵、横轴线第3页共35页第2页共35页编号:时间:2021年x月x日书山有路勤为径,学海无涯苦作舟页码:第3页共35页钢筋工程平行检验收记录表(钢筋安装)GB50204—2002单位(子单位)工程名称钦州市滨海新城白石湖8号地块拆迁安置房一期工程8#楼分部(子分部)工程名称主体结构验收部位二层梁板监理单位广西恒基建设工程咨询有限公司项目总监周宏进质量验收规范的规定检查方法监理单位平行检验记录一般项目钢筋安装位置允许偏差︵毫米︶绑扎钢筋网长、宽±10钢尺检查6537-278746网眼尺寸±20钢尺量连接三档,取最大值7111078-179151217绑扎箍筋、横向钢筋间距±20-131611161017910-913绑扎钢筋骨架长±10钢尺检查6107-6737453宽、高±5522-3454241受力钢筋间距±10钢尺量两端、中间各一点,取最大值810-678-45895排距±53734-231121保护层厚度基础±10钢尺检查柱、梁±53-242612432板、墙、壳±3-213-121-3221钢筋弯起点位置201712141319112291017预埋件中心线位置534213水平高差+3,0钢尺和塞尺检查12321墙柱连结筋符合设计要求,设计无要求按GB50203第5.2.4条√监理(建设)单位验收结论一般项目满足规范要求,本平行检验合格监理单位参加检验人员年月...

1、当您付费下载文档后,您只拥有了使用权限,并不意味着购买了版权,文档只能用于自身使用,不得用于其他商业用途(如 [转卖]进行直接盈利或[编辑后售卖]进行间接盈利)。
2、本站所有内容均由合作方或网友上传,本站不对文档的完整性、权威性及其观点立场正确性做任何保证或承诺!文档内容仅供研究参考,付费前请自行鉴别。
3、如文档内容存在违规,或者侵犯商业秘密、侵犯著作权等,请点击“违规举报”。

碎片内容

钢筋工程检验批质量验收记录(钢筋安装)

确认删除?
VIP
微信客服
  • 扫码咨询
会员Q群
  • 会员专属群点击这里加入QQ群
客服邮箱
回到顶部