电脑桌面
添加小米粒文库到电脑桌面
安装后可以在桌面快捷访问

电子锁及门铃电路课程设计VIP免费

电子锁及门铃电路课程设计_第1页
1/13
电子锁及门铃电路课程设计_第2页
2/13
电子锁及门铃电路课程设计_第3页
3/13
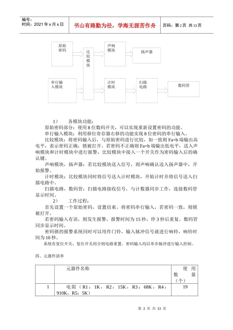
第1页共13页编号:时间:2021年x月x日书山有路勤为径,学海无涯苦作舟页码:第1页共13页电子锁及门铃电路课程设计摘要:本设计利用74194做移位寄存器,实现8位二进制码串行输入。利用7485比较器对预设置好的密码与输入的密码进行比较。若密码正确则开锁电路实现开锁功能;若密码不正确,则报警。利用74161芯片设计十八进制计数器,控制报警时间为15s,停3s之后循环;同时该报警系统可兼作门铃使用,利用74LS290设计十进制计数器来控制门铃的响铃时间为10s。数字15、3、10分别通过3个数码显示管显示出来。关键词:电子锁,门铃,移位寄存器,计数器,脉冲,扬声器一、目的1.理解密码电子锁电路的基本原理;2.了解电子门铃的基本知识;3.进一步熟悉74194的工作原理;4.熟悉应用555定时器;5.掌握TTL门电路的用途;6.了解数码显示的工作过程。二、设计指标1)设计一个电子锁,其密码为8位二进制代码,开锁指令为串行输入码。2)用8个拨码开关设置原密码,然后用一个拨码开关以单步脉冲方式输入密码至74194移位寄存器中,使之在比较器中与原密码进行比较。3)当开锁输入码与密码一致时,锁被打开。4)当开锁输入码与密码不一致时,则报警。报警时间持续15秒,停3秒后再重复出现。5)报警器可以兼作门铃使用,门铃时间为10秒。6)所有的时间数据用数码管显示出来。7)报警器与门铃的响应频率通过不同频率的振荡电路实现。三、原理框图第2页共13页第1页共13页原始密码串行输入模块比较模块声响模块计时模块扬声器扫描电路数码管编号:时间:2021年x月x日书山有路勤为径,学海无涯苦作舟页码:第2页共13页1)各模块功能:原始密码部分:使用8位数码开关,可以实现重新设置密码的功能。串行输入模块:利用移位寄存器右移的功能实现8位密码的串行输入。比较模块:将密码输入后,与原始密码进行比较,如一致则Fa=b端输出高电平,表示密码正确,锁被打开。若密码不正确则Fa=b端输出低电平,送入声响模块和计时模块中进行报警,比较模块中接入一个开关作为密码输入后的确认键。声响模块,扬声器:若比较模块送入信号,则声响确认送入扬声器中,开始报警。计时模块:比较模块同时将信号送入计时模块,开始计时并将信号送入扫描电路中。扫描电路,数码管:扫描电路接收信号,与计数器同步工作,连接数码管显示时间。2)工作过程:首先设置一个原始密码,设置结束。将密码串行输入,若密码一致,则锁被打开。若密码输入有误,则发生报警,报警时间为15秒,停3秒后重复。数码管同步显示时间。密码锁的报警系统同时可以用作门铃,输入脉冲信号就进行响铃,响铃时间为10秒。系统有复位开关,复位开关闭合则电路重置。密码输入均以单步脉冲进行输入控制。四、元器件清单元器件名称使用数量(个)1电阻(R1:1K,R2:15K,R3:68K,R4:910K,R5:5K)19第3页共13页第2页共13页编号:时间:2021年x月x日书山有路勤为径,学海无涯苦作舟页码:第3页共13页2电源Vcc:5V33接地54电容(C1:0.01uF,C2:10uF,C3:100uF)85基本RS触发器168位数码开关17三极管18电动小马达19锁体110移位寄存器74LS194211比较器74LS85212计数器74LS161313译码管74LS49214数码显示管215555定时器316扬声器117TTL非门118TTL二输入与非门219TTL二输入与门320TTL四输入或非门121双掷开个K1422开关K2223导线若干五、工作进程设计74194的级联问题,将拨码开关接入级联好后的74194中,用VCC供电,再接入消抖后的单步脉冲信号,串行输入8位密码。7485比较器级联后,输入密码部分连入7485输入的A中4个引脚,拨码开关连入B中4个引脚,检查引脚连接是否有误,检查后,经比较器对输入密码进行测试,若输入正确密码则开锁;若输入错误密码则报警。调试后电路若可以正常运行,则密码输入与比较部分工作结束。报警部分用74161计数器级联设计后用来控制循环报警时间,并通过7449译码管译码和数码显示管显示所用时间。同时并连一个555定时振荡电路及扬声器用作报警,通过各种门电路来控制实现计数器与该555时基电路同时工作。门铃部分用一个555单稳态触发电路及扬声器来实现。门铃响应时间10s通过计数器74161来实现,且通过译码管及数码显示管将之显示...

1、当您付费下载文档后,您只拥有了使用权限,并不意味着购买了版权,文档只能用于自身使用,不得用于其他商业用途(如 [转卖]进行直接盈利或[编辑后售卖]进行间接盈利)。
2、本站所有内容均由合作方或网友上传,本站不对文档的完整性、权威性及其观点立场正确性做任何保证或承诺!文档内容仅供研究参考,付费前请自行鉴别。
3、如文档内容存在违规,或者侵犯商业秘密、侵犯著作权等,请点击“违规举报”。

碎片内容

电子锁及门铃电路课程设计

您可能关注的文档

确认删除?
VIP
微信客服
  • 扫码咨询
会员Q群
  • 会员专属群点击这里加入QQ群
客服邮箱
回到顶部