电脑桌面
添加小米粒文库到电脑桌面
安装后可以在桌面快捷访问

电子产品装配与调试技能竞赛说明VIP免费

电子产品装配与调试技能竞赛说明_第1页
1/6
电子产品装配与调试技能竞赛说明_第2页
2/6
电子产品装配与调试技能竞赛说明_第3页
3/6
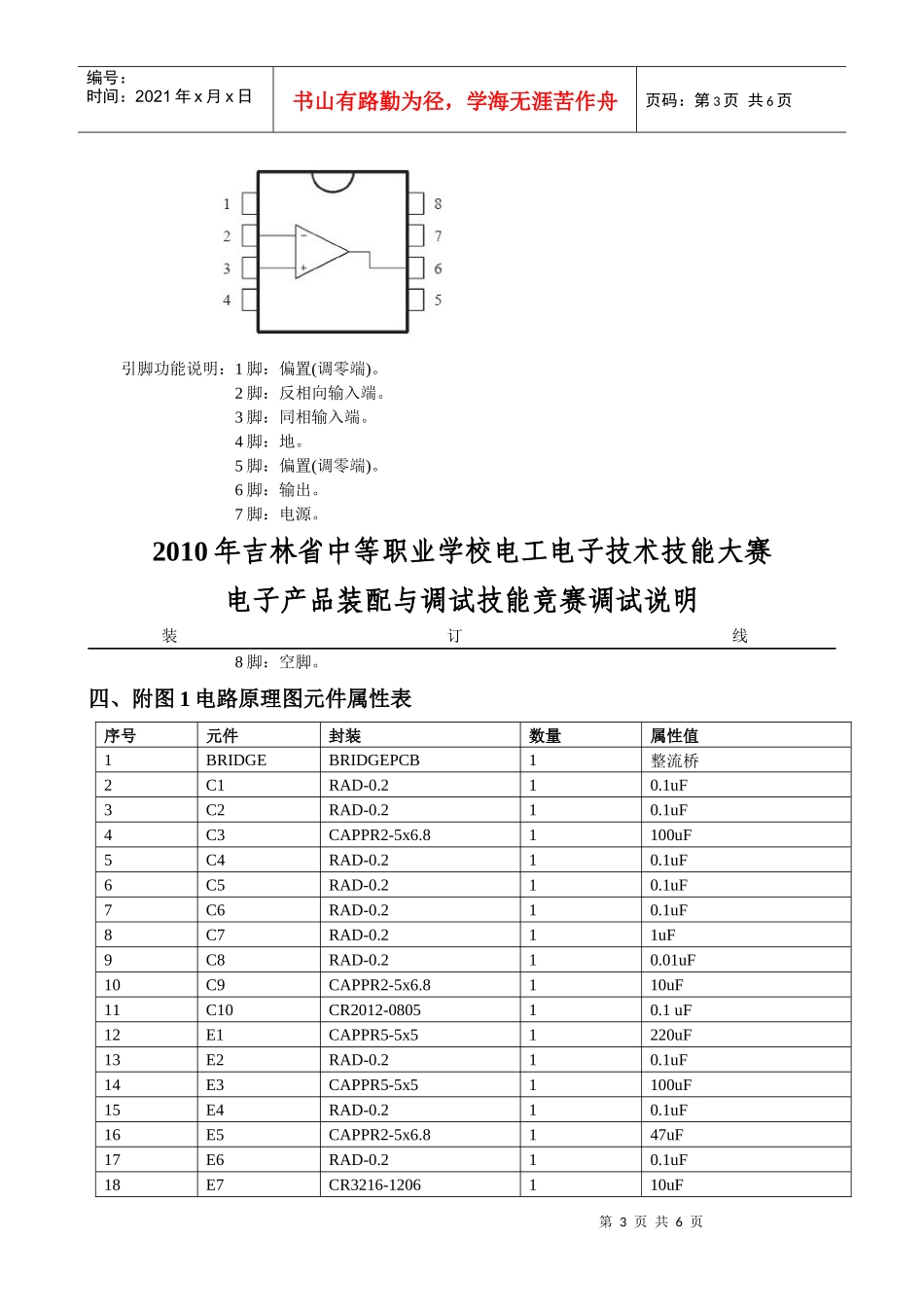
第1页共6页编号:时间:2021年x月x日书山有路勤为径,学海无涯苦作舟页码:第1页共6页2010年吉林省中等职业学校电工电子技术技能大赛电子产品装配与调试技能竞赛调试说明装订线一、功能说明抽油烟机自动控制系统—信号感测电路由温度自动检测电路和工作状态转换电路组成。温度自动检测电路自动检测温度的变化,并根据温度的变化输出状态指示;工作状态转换电路控制当前系统的工作状态。二、产品功能介绍1.电路正确连接后,J1接9V交流电。2.用手接近SE和RE,停顿约0.5秒移走,此时,J2输出单稳状态。3.用电烙铁给VD1加温(烙铁尖紧挨着VD1),LED2和LED3发光;移走电烙铁,经过一段时间后,VD1感测的温度降低,LED2和LED3熄灭;在经过一段时间之后,VD1感测到的是室内温度,系统恢复到初始状态。三、芯片介绍1、P521-2引脚如图所示:功能说明:1,2,3,4脚为输入端。5,6,7,8脚为输出端。2、7805引脚如图所示:引脚功能说明:1脚:Vi输入端。2脚:地端。3脚:Vo输出端。3、LM317引脚如图所示:第2页共6页第1页共6页编号:时间:2021年x月x日书山有路勤为径,学海无涯苦作舟页码:第2页共6页引脚功能说明:1脚:Vo输出端。2010年吉林省中等职业学校电工电子技术技能大赛电子产品装配与调试技能竞赛调试说明装订线2脚:调整端。3脚:Vi输入端。4、LM324引脚如图所示:5、LM567引脚如图所示:引脚功能说明:1脚:输出滤波。2脚:回路滤波。3脚:输入端。4脚:电源。5脚:定时电阻。6脚:定时电容7脚:地。8脚:输出端。6、UA741引脚如图所示:第3页共6页第2页共6页编号:时间:2021年x月x日书山有路勤为径,学海无涯苦作舟页码:第3页共6页引脚功能说明:1脚:偏置(调零端)。2脚:反相向输入端。3脚:同相输入端。4脚:地。5脚:偏置(调零端)。6脚:输出。7脚:电源。2010年吉林省中等职业学校电工电子技术技能大赛电子产品装配与调试技能竞赛调试说明装订线8脚:空脚。四、附图1电路原理图元件属性表序号元件封装数量属性值1BRIDGEBRIDGEPCB1整流桥2C1RAD-0.210.1uF3C2RAD-0.210.1uF4C3CAPPR2-5x6.81100uF5C4RAD-0.210.1uF6C5RAD-0.210.1uF7C6RAD-0.210.1uF8C7RAD-0.211uF9C8RAD-0.210.01uF10C9CAPPR2-5x6.8110uF11C10CR2012-080510.1uF12E1CAPPR5-5x51220uF13E2RAD-0.210.1uF14E3CAPPR5-5x51100uF15E4RAD-0.210.1uF16E5CAPPR2-5x6.8147uF17E6RAD-0.210.1uF18E7CR3216-1206110uF第4页共6页第3页共6页编号:时间:2021年x月x日书山有路勤为径,学海无涯苦作舟页码:第4页共6页19E8CR2012-080510.1uF20J1HDR1X21交流9V21J2HDR1X21测试输出22JP1HDR1X21跳线23JP2HDR1X21跳线24JP3HDR1X21跳线25JP4HDR1X21跳线26LED1LEDSHARE1红色发光管27LED2LEDSHARE1红色发光管28LED3LEDSHARE1红色发光管29Q1BCY-W31S901230Q2BCY-W312N555131R1AXIAL-0.3115KΩ32R2AXIAL-0.3115KΩ33R3AXIAL-0.312KΩ34R4AXIAL-0.312KΩ35R5AXIAL-0.31300KΩ36R6AXIAL-0.31200KΩ37R7AXIAL-0.311KΩ2010年吉林省中等职业学校电工电子技术技能大赛电子产品装配与调试技能竞赛调试说明装订线序号元件封装数量属性值38R8AXIAL-0.3110KΩ39R9AXIAL-0.3110KΩ40R10AXIAL-0.3110KΩ41R11AXIAL-0.31150KΩ42R12AXIAL-0.316.8KΩ43R13AXIAL-0.31150KΩ44R14AXIAL-0.316.8KΩ45R15AXIAL-0.312KΩ46R16AXIAL-0.312KΩ47R17AXIAL-0.3110KΩ48R18AXIAL-0.3110KΩ49R19AXIAL-0.3151Ω50R20AXIAL-0.3110KΩ51R21AXIAL-0.311KΩ52R22AXIAL-0.311KΩ第5页共6页第4页共6页编号:时间:2021年x月x日书山有路勤为径,学海无涯苦作舟页码:第5页共6页53R23AXIAL-0.3120KΩ54R24AXIAL-0.311KΩ55R25AXIAL-0.3120KΩ56R26AXIAL-0.31100KΩ57R27AXIAL-0.31100KΩ58R28AXIAL-0.31100KΩ59RELEDSHARE1红外接收管60RP1VR5120KΩ电位器61RP2VR5120KΩ电位器62RP3VR51200KΩ电位器63RP4VR5120KΩ电位器64RP5VR51200KΩ电位器65RP6VR512KΩ电位器66RP7VR512KΩ电位器67SELEDSHARE1红外发射管68U1DIP-141LM32469U2DIP-81P521-270U3DIP81UA74171U4DIP-81LM56772U5SO-G16174LS12373U6T03B1LM31774U7T03B1LM780575VD1DIO7.1-3.9x1.91IN41482010年吉...

1、当您付费下载文档后,您只拥有了使用权限,并不意味着购买了版权,文档只能用于自身使用,不得用于其他商业用途(如 [转卖]进行直接盈利或[编辑后售卖]进行间接盈利)。
2、本站所有内容均由合作方或网友上传,本站不对文档的完整性、权威性及其观点立场正确性做任何保证或承诺!文档内容仅供研究参考,付费前请自行鉴别。
3、如文档内容存在违规,或者侵犯商业秘密、侵犯著作权等,请点击“违规举报”。

碎片内容

电子产品装配与调试技能竞赛说明

中小学教育精品资料+ 关注
实名认证
内容提供者

中小学教育资料,优质文档创作者

确认删除?
VIP
微信客服
  • 扫码咨询
会员Q群
  • 会员专属群点击这里加入QQ群
客服邮箱
回到顶部