电脑桌面
添加小米粒文库到电脑桌面
安装后可以在桌面快捷访问

电缆挂钩机械手课程设计说明书VIP免费

电缆挂钩机械手课程设计说明书_第1页
1/34
电缆挂钩机械手课程设计说明书_第2页
2/34
电缆挂钩机械手课程设计说明书_第3页
3/34
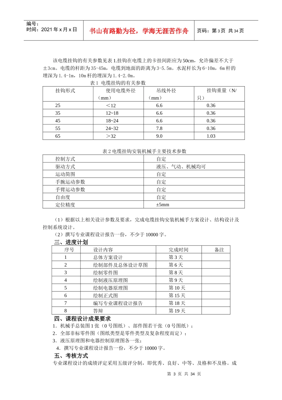
第1页共34页编号:时间:2021年x月x日书山有路勤为径,学海无涯苦作舟页码:第1页共34页目录任务书…………………………………………………………………………………………2一目的和要求……………………………………………………………………………2二主要内容………………………………………………………………………………2三进度计划………………………………………………………………………………3四课程设计成果要求……………………………………………………………………3五考核方式………………………………………………………………………………3一、机械手总体设计…………………………………………………………………………4二、手部的设计计算……………………………………………………………………………6三、手腕部分的设计……………………………………………………………………………9四、手臂液压缸设计及校核…………………………………………………………………19五、机身液压缸设计…………………………………………………………………………23六、电缆挂钩机械手的整体装配及其二维工程图的生成……………………………26七、液压控制原理图及PLC控制原理图………………………………………………28八、心得体会……………………………………………………………………………………30九、参考文献……………………………………………………………………………………30第2页共34页第1页共34页编号:时间:2021年x月x日书山有路勤为径,学海无涯苦作舟页码:第2页共34页任务书一、目的与要求《专业课程设计》是机械设计及自动化专业方向学生的重要实践性教育环节,也是该专业学生毕业设计前的最后一次课程设计。拟通过《专业课程设计》这一教学环节来着重提高学生的机构分析与综合的能力、机械结构功能设计能力、机械系统设计的能力和综合运用现代设计方法的能力,培养学生的创新与实践能力。在《专业课程设计》中,应始终注重学生能力的培养与提高。《专业课程设计》的题目为工业机械手设计,要求学生在教师的指导下,独立完成整个设计过程。学生通过《专业课程设计》,应该在下述几个方面得到锻炼:1.综合运用已学过的“机械设计学”、“液压传动”、“机械系统设计”、“计算机辅助设计”等课程和其他已学过的有关先修课程的理论和实际知识,解决某一个具体设计问题,是所学知识得到进一步巩固、深化和发展。2.通过比较完整地设计某一机电产品,培养正确的设计思想和分析问题、解决问题的能力,掌握机电产品设计的一般方法和步骤。3.培养机械设计工作者必备的基本技能,及熟练地应用有关参考资料,如设计图表、手册、图册、标准和规范等。4.进一步培养学生的自学能力、创新能力和综合素质。二、主要内容电缆挂钩安装机械手设计。本机械手是为安装架空电缆挂钩服务的。设计安装电缆挂钩的机械手,实现图1所示的工艺动作。人在地面上操作。小车的行走(不一定在地面上),可采用手动。(参看图1)图1第3页共34页第2页共34页编号:时间:2021年x月x日书山有路勤为径,学海无涯苦作舟页码:第3页共34页该电缆挂钩的有关参数见表1.挂钩在电缆上的卡挂间距应为50cm,允许偏差不大于±3cm。电缆的杆距为35-45m,电缆到地面的距离为3-5.5m。水泥杆长为6-10m,6m杆的埋深为1.4-1m,10m杆的埋深为1.4-2.0m。表1电缆挂钩的有关参数挂钩形式使用电缆外径(mm)吊线外径(mm)挂钩重量(N/只)25<126.60.363512~186.60.364518~246.60.365524~327.80.3665>329.01.03表2电缆挂钩安装机械手主要技术参数控制方式自定驱动方式液压、气动、机械均可运动简图自定手腕运动参数自定手臂运动参数自定自由度自定定位精度±5mm(1)根据以上相关设计参数及要求,完成电缆挂钩安装机械手方案设计、结构设计及控制系统设计。(2)撰写专业课程设计报告一份,不少于10000字。三、进度计划序号设计内容完成时间备注1总体方案设计第3天2绘制部件及总体设计草图第6天3绘制零件图第8天4绘制液压原理图第9天5绘制电器原理图第10天6绘制正式图第15天7编写专业课程设计报告第18天8答辩第19天...

1、当您付费下载文档后,您只拥有了使用权限,并不意味着购买了版权,文档只能用于自身使用,不得用于其他商业用途(如 [转卖]进行直接盈利或[编辑后售卖]进行间接盈利)。
2、本站所有内容均由合作方或网友上传,本站不对文档的完整性、权威性及其观点立场正确性做任何保证或承诺!文档内容仅供研究参考,付费前请自行鉴别。
3、如文档内容存在违规,或者侵犯商业秘密、侵犯著作权等,请点击“违规举报”。

碎片内容

电缆挂钩机械手课程设计说明书

确认删除?
VIP
微信客服
  • 扫码咨询
会员Q群
  • 会员专属群点击这里加入QQ群
客服邮箱
回到顶部