电脑桌面
添加小米粒文库到电脑桌面
安装后可以在桌面快捷访问

电力工程课程设计说明书VIP免费

电力工程课程设计说明书_第1页
1/33
电力工程课程设计说明书_第2页
2/33
电力工程课程设计说明书_第3页
3/33
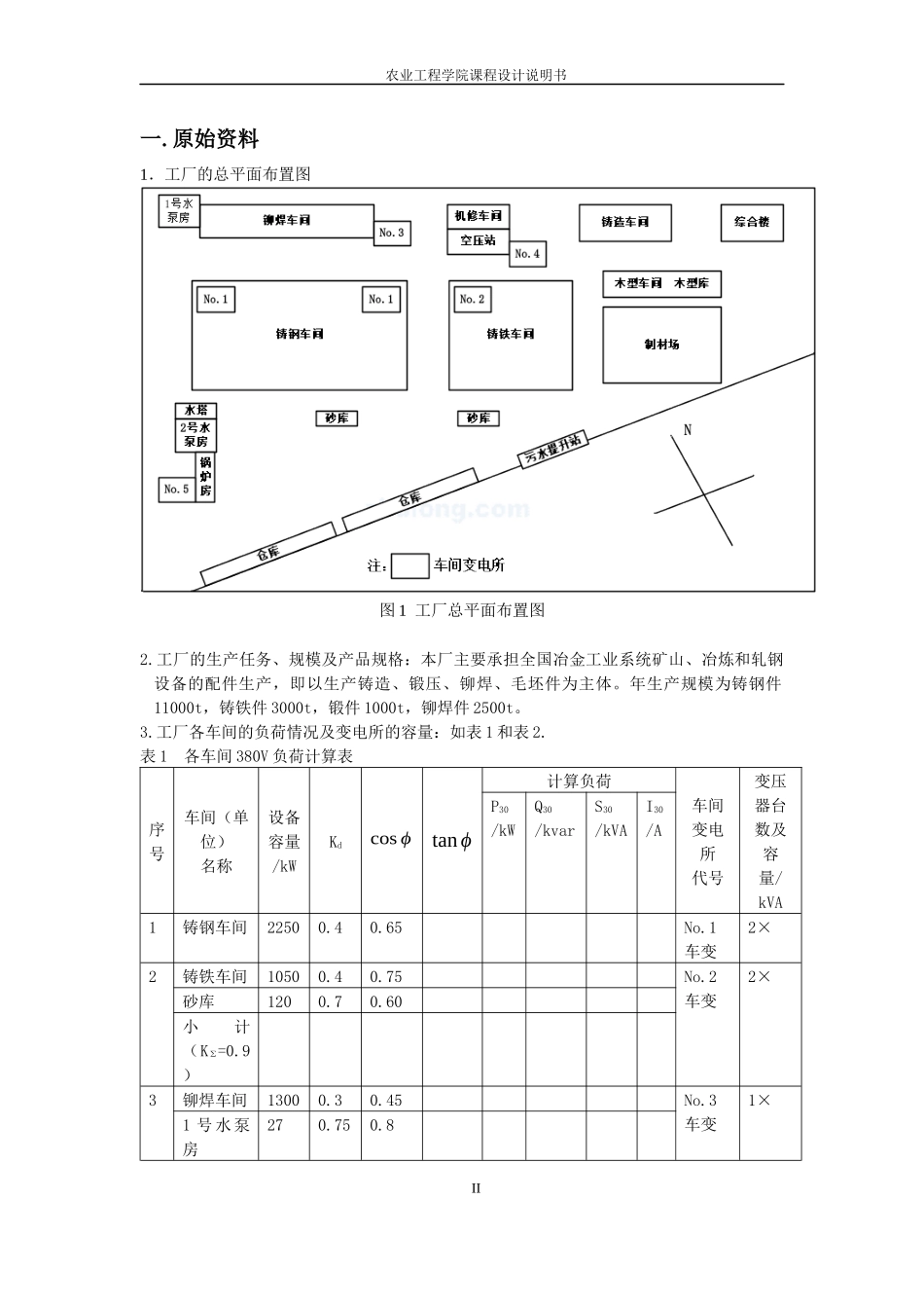
河南科技大学课程设计说明书课程名称电力工程课程设计题目XXX冶金配件生产厂变电所供配电设计学院班级学生姓名指导教师日期2014年3月10日农业工程学院课程设计说明书电力工程课程设计任务书班级:姓名:学号:设计题目:XXX冶金配件生产厂变电所供配电设计一、设计目的熟悉电力设计的相关规程、规定,树立可靠供电的观点,了解电力系统,电网设计的基本方法和基本内容,熟悉相关电力计算的内容,巩固已学习的课程内容,学习撰写工程设计说明书,对变电所区域设计有初步的认识。二、设计要求(1)通过对相应文献的收集、分析以及总结,给出相应项目分析,需求预测说明。(2)通过课题设计,掌握电力系统设计的方法和设计步骤。(3)学习按要求编写课程设计报告书,能正确阐述设计方法和计算结果。(4)学生应抱着严谨认真的态度积极投入到课程设计过程中,认真查阅相应文献以及实现,给出个人分析、设计以及实现。三、设计任务(一)设计内容1.总降压变电站设计(1)负荷计算(2)主结线设计:选主变压器及高压开关等设备,确定最优方案。(3)短路电流计算:计算三相短路电流,计算结果列出汇总表。(4)主要电气设备选择:主要电气设备选择及校验。选用型号、数量、汇成设备一览表。(5)主要设备继电保护设计:元件的保护方式选择和整定计算。(6)配电装置设计:包括配电装置布置型式的选择、设备布置图。(7)防雷、接地设计:包括直击雷保护、进行波保护和接地网设计。2.车间变电所设计根据车间负荷情况,选择车间变压器的台数、容量,以及变电所位置的原则考虑。3.厂区配电系统设计根据所给资料,列出配电系统结线方案,经过详细计算和分析比较,确定最优方案。(二)设计任务1.设计说明书,包括全部设计内容,负荷计算,短路计算及设备选择(要求列表);2.电气主接线图。四、设计时间安排查找相关资料(1天)、总降压变电站设计(3天)、车间变电所设计(2天)、厂区配电系统设计(1天)、撰写设计报告(2天)和答辩(1天)。五、主要参考文献[1]电力工程基础[2]工厂供电[3]继电保护.[4]电力系统分析[5]电气工程设计手册等资料指导教师签字:年月日I农业工程学院课程设计说明书一.原始资料1.工厂的总平面布置图图1工厂总平面布置图2.工厂的生产任务、规模及产品规格:本厂主要承担全国冶金工业系统矿山、冶炼和轧钢设备的配件生产,即以生产铸造、锻压、铆焊、毛坯件为主体。年生产规模为铸钢件11000t,铸铁件3000t,锻件1000t,铆焊件2500t。3.工厂各车间的负荷情况及变电所的容量:如表1和表2.表1各车间380V负荷计算表序号车间(单位)名称设备容量/kWKdcosϕtanϕ计算负荷车间变电所代号变压器台数及容量/kVAP30/kWQ30/kvarS30/kVAI30/A1铸钢车间22500.40.65No.1车变2×2铸铁车间10500.40.75No.2车变2×砂库1200.70.60小计(KΣ=0.9)3铆焊车间13000.30.45No.3车变1×1号水泵房270.750.8II农业工程学院课程设计说明书小计(KΣ=0.9)4空压站3900.850.75No.4车变1×机修车间1500.250.65锻造车间2200.30.55木型车间1860.350.60制材场200.280.60综合楼200.91小计(KΣ=0.9)5锅炉房3000.750.80No.5车变1×2号水泵房280.750.80仓库(1、2)880.30.65污水提升站140.650.80小计(KΣ=0.9)表2各车间6KV高压负荷计算表序号车间(单位)名称高压设备名称设备容量/KWKdcosϕtanϕ计算负荷P30/kWQ30/kvarS30/kVAI30/A1铸钢车间电弧炉2×12500.920.872铸铁车间工频炉2×2000.80.93空压站空压机2×2500.850.85小计4.供用电协议:(1)工厂电源从电力系统的某220/35KV变电站以35KV双回路架空线引入工厂,其中一路作为工作电源,另一路作为备用电源,两个电源不并列运行。系统变电站距工厂东侧8km。III农业工程学院课程设计说明书(2)系统的短路数据,如表3所示。其供电系统图,如图2所示。表3区域变电站35KV母线短路数据系统运行方式系统短路容量系统运行方式系统短路容量最大运行方式Soc.max=200MVA最小运行方式Soc.min=175MVA图2供电系统图(3)供电部门对工厂提出的技术要求:系统变电站35KV馈电线路定时限过电流保护的整定时间top=2s,工厂总降压变电所保护的动作时间不得...

1、当您付费下载文档后,您只拥有了使用权限,并不意味着购买了版权,文档只能用于自身使用,不得用于其他商业用途(如 [转卖]进行直接盈利或[编辑后售卖]进行间接盈利)。
2、本站所有内容均由合作方或网友上传,本站不对文档的完整性、权威性及其观点立场正确性做任何保证或承诺!文档内容仅供研究参考,付费前请自行鉴别。
3、如文档内容存在违规,或者侵犯商业秘密、侵犯著作权等,请点击“违规举报”。

碎片内容

电力工程课程设计说明书

确认删除?
VIP
微信客服
  • 扫码咨询
会员Q群
  • 会员专属群点击这里加入QQ群
客服邮箱
回到顶部