电脑桌面
添加小米粒文库到电脑桌面
安装后可以在桌面快捷访问

铁路工程施工质量验收标准应用指南之第4章轨道VIP免费

铁路工程施工质量验收标准应用指南之第4章轨道_第1页
1/87
铁路工程施工质量验收标准应用指南之第4章轨道_第2页
2/87
铁路工程施工质量验收标准应用指南之第4章轨道_第3页
3/87
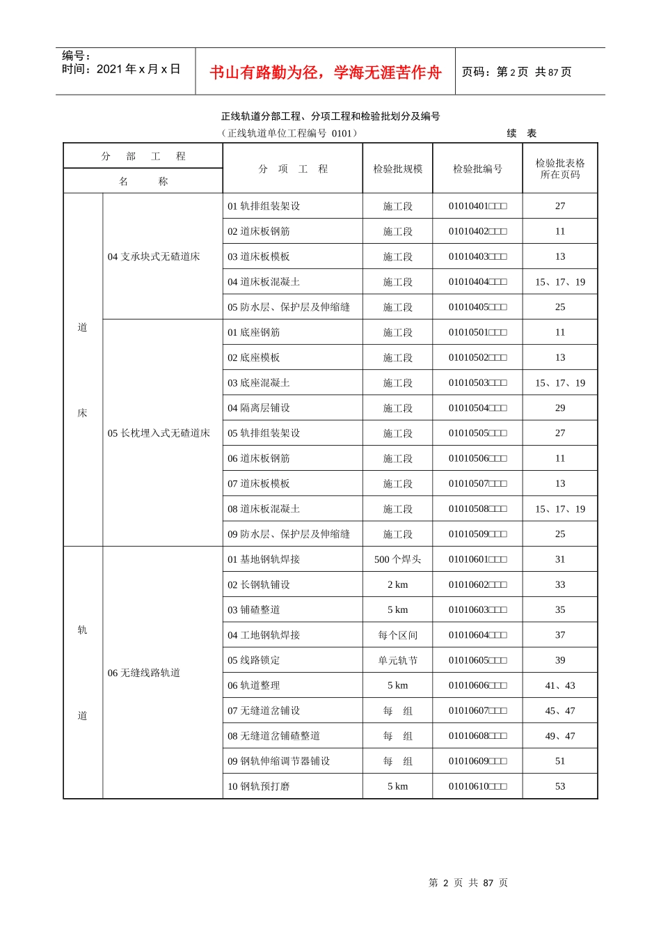
第1页共87页编号:时间:2021年x月x日书山有路勤为径,学海无涯苦作舟页码:第1页共87页第四章轨道工程轨道工程施工质量验收划分为单位工程、分部工程、分项工程和检验批。单位工程应按一个完整工程或一个相当规模的施工范围划分,并按下列原则确定:(1)正线轨道:一个区间(以站中心为界,含正线道岔);当区间内含有不同类型轨道时,也可按轨道类型划分;(2)站场轨道:一个站或大型枢纽的一个场(以最外方咽喉道岔为界,含站线道岔)。单位工程应在一个承包单位的施工范围内,不同承包单位施工的工程,不论其规模大小都不能合并为一个单位工程进行验收。分部工程应按一个完整部位或主要结构及施工阶段划分。轨道工程的分部工程主要包括:线路基桩、有碴道床、板式无碴道床、支承块式无碴道床、长枕埋入式无碴道床、无缝线路轨道、有缝线路轨道、道口、防护栅栏、护轨、标志、轨道加强设备等。分项工程应按工种、工序、材料、施工工艺划分。检验批可根据施工及质量控制和验收需要按长度、施工段、处等进行划分。检验批规模中的施工段是指一个班次或作业循环的施工长度,检验批长度均按单线计算。轨道工程的单位工程、分部工程、分项工程和检验批的划分及编号应符合下列各表的要求。正线轨道分部工程、分项工程和检验批划分及编号(正线轨道单位工程编号0101)分部工程分项工程检验批规模检验批编号检验批表格所在页码名称01线路基桩01基桩测设2km01010101□□□5道床02有碴道床(铺轨前铺碴)01铺底碴5km(宽枕1km)01010201□□□702预铺道碴01010202□□□903板式无碴道床01底座钢筋施工段01010301□□□1102底座模板施工段01010302□□□1303底座混凝土施工段01010303□□□15、17、1904轨道板铺设20块01010304□□□2105CA砂浆模板施工段01010305□□□1306CA砂浆配制灌注施工段01010306□□□2307防水层、保护层及伸缩缝施工段01010307□□□25第2页共87页第1页共87页编号:时间:2021年x月x日书山有路勤为径,学海无涯苦作舟页码:第2页共87页正线轨道分部工程、分项工程和检验批划分及编号(正线轨道单位工程编号0101)续表分部工程分项工程检验批规模检验批编号检验批表格所在页码名称道床04支承块式无碴道床01轨排组装架设施工段01010401□□□2702道床板钢筋施工段01010402□□□1103道床板模板施工段01010403□□□1304道床板混凝土施工段01010404□□□15、17、1905防水层、保护层及伸缩缝施工段01010405□□□2505长枕埋入式无碴道床01底座钢筋施工段01010501□□□1102底座模板施工段01010502□□□1303底座混凝土施工段01010503□□□15、17、1904隔离层铺设施工段01010504□□□2905轨排组装架设施工段01010505□□□2706道床板钢筋施工段01010506□□□1107道床板模板施工段01010507□□□1308道床板混凝土施工段01010508□□□15、17、1909防水层、保护层及伸缩缝施工段01010509□□□25轨道06无缝线路轨道01基地钢轨焊接500个焊头01010601□□□3102长钢轨铺设2km01010602□□□3303铺碴整道5km01010603□□□3504工地钢轨焊接每个区间01010604□□□3705线路锁定单元轨节01010605□□□3906轨道整理5km01010606□□□41、4307无缝道岔铺设每组01010607□□□45、4708无缝道岔铺碴整道每组01010608□□□49、4709钢轨伸缩调节器铺设每组01010609□□□5110钢轨预打磨5km01010610□□□53第3页共87页第2页共87页编号:时间:2021年x月x日书山有路勤为径,学海无涯苦作舟页码:第3页共87页正线轨道分部工程、分项工程和检验批划分及编号(正线轨道单位工程编号0101)续表分部工程分项工程检验批规模检验批编号检验批表格所在页码名称轨道07有缝线路轨道01轨排组装2km01010701□□□55、5702铺轨2km01010702□□□5903铺碴、整道2km01010703□□□61、63、6504有缝道岔铺设每组01010704□□□67、6905有缝道岔铺碴整道每组01010705□□□49、6906钢轨伸缩调节器铺设每组01010706□□□51线路附属08道口01道口铺设每处01010801□□□7102道口防护设施每处01010802□□□7309防护栅栏01栅栏安装每个区间01010901□□□7510护轨01护轨铺设每处01011001□□□7711...

1、当您付费下载文档后,您只拥有了使用权限,并不意味着购买了版权,文档只能用于自身使用,不得用于其他商业用途(如 [转卖]进行直接盈利或[编辑后售卖]进行间接盈利)。
2、本站所有内容均由合作方或网友上传,本站不对文档的完整性、权威性及其观点立场正确性做任何保证或承诺!文档内容仅供研究参考,付费前请自行鉴别。
3、如文档内容存在违规,或者侵犯商业秘密、侵犯著作权等,请点击“违规举报”。

碎片内容

铁路工程施工质量验收标准应用指南之第4章轨道

确认删除?
VIP
微信客服
  • 扫码咨询
会员Q群
  • 会员专属群点击这里加入QQ群
客服邮箱
回到顶部