电脑桌面
添加小米粒文库到电脑桌面
安装后可以在桌面快捷访问

空调、能源计量系统手册XXXXVIP免费

空调、能源计量系统手册XXXX_第1页
1/31
空调、能源计量系统手册XXXX_第2页
2/31
空调、能源计量系统手册XXXX_第3页
3/31
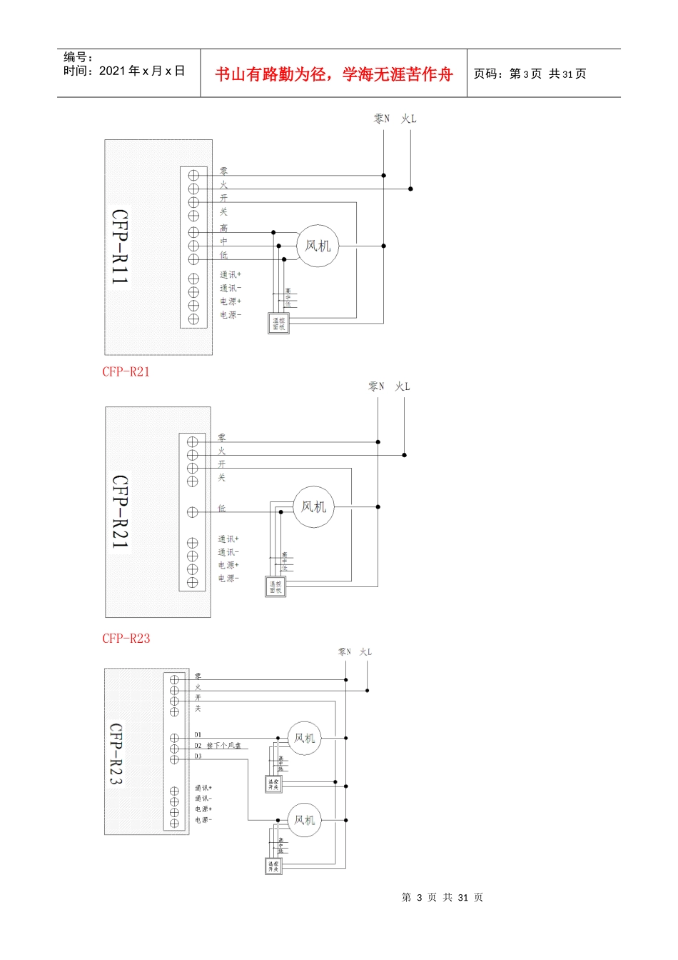
第1页共31页编号:时间:2021年x月x日书山有路勤为径,学海无涯苦作舟页码:第1页共31页中央空调计费系统CFP系列R型当量空调表产品特点:1.适用于商铺、办公、商务、公寓等以风机盘管为末端的中央空调系统;2.组网方便、数据准确、存储可靠、传输安全;3.数据自动累计、掉电自动保存,存储时间长达20年;4.实时监测,故障自动报警;5.DC12V集中供电,强、弱电隔离设计,安全可靠;6.RS485工业总线,具有故障自动退出专利技术和防雷保护;7.标准安装底座,快易插头联接,检修、更换、维护方便;8.不具有现场显示功能,可以通过系统管理软件输出用量清单;产品功能:1.计量并控制每一台风机盘管;2.准确识别风机盘管的高、中、低、停运行状态;3.根据中央空调供水温度信息及运行状态,开始或停止计量;4.可以实现欠费禁用或预付费功能;5.支持联网,实现集中监控管理。技术指标:计时精度:0.1%工作电压:DC12V控制输出:AC220V/2A工作方式:连续运行通讯方式:RS485,波特率9600bps通讯距离:≤1200m自耗功率:﹤0.5W安装方式:标准86盒安装;外壳材料:ABS阻燃外形尺寸:143mm*100mm*54mm工作环境:温度:-10℃~55℃;湿度:≤90%无凝结型号命名:CFP-R□□选型列表:序号型号/规格功能特性适用对象1:计量并控制一台风机盘管;3:计量三台风机盘管,分户控制;1:一代产品;2:二代产品;第2页共31页第1页共31页编号:时间:2021年x月x日书山有路勤为径,学海无涯苦作舟页码:第2页共31页1CFP-R11计量并控制1台风盘一代产品商铺、办公、商务、公寓2CFP-R21计量并控制1台风盘二代产品,一线制3CFP-R23计量并分户控制3台风盘二代产品,一线制安装示意图:安装位置:安装在风机盘管检修口附近吊顶内、房间门口或弱电井内。电器接线图:接线说明:1.电源线选用3*BVR1.0mm2,零、火、开选择三色区分;2.风盘档位线选用3*BVR0.5mm2,高、中、低选择三色区分;3.上行通讯线选用RVS2*0.75mm2、工作电源线选用2*BVR1.0mm2双色区分;4.要求同一个项目中同一类设备线型、颜色保持一致。CFP-R11第3页共31页第2页共31页编号:时间:2021年x月x日书山有路勤为径,学海无涯苦作舟页码:第3页共31页CFP-R21CFP-R23第4页共31页第3页共31页编号:时间:2021年x月x日书山有路勤为径,学海无涯苦作舟页码:第4页共31页CFP系列W型当量空调表产品特点:1、适用于医院、宾馆、酒店式公寓、高级商务楼等以风机盘管为末端的中央空调系统;2、具有风盘温控器的全部功能;3、可远程控制和设定室内温限;4、数据自动累计、掉电自动保存,存储时间长达20年;5、实时监测、故障自动报警;6、DC12V集中供电,强、弱电隔离设计,安全可靠;7、RS485工业总线,具有故障自动退出专利技术和防雷保护;8、标准安装底座,快易插头联接,检修、更换、维护方便;9、液晶控制面板,触摸开关、蓝/绿色背光。产品功能:1.计量并控制一台风机盘管;2.具有温度优化控制功能,制冷、采暖双模式;3.根据中央空调供水温度信息及运行状态,开始或停止计量;4.远程控制运行状态、设定现场温限;5.可以实现欠费禁用或预付费功能;6.显示运行模式、阀门状态、档位运行状态、现场温度、设定温度、中央空调供水温度、累计用量和上月费用;7.建筑防冻功能;8.支持联网功能,实现集中监控管理9.可单独选择面板或遥控器操作,也可选择双控功能。10.可选配遥控、门窗联动功能。控制面板技术指标:工作电压:DC12V感温元件:NTC温度精度:±1℃自耗功率:﹤0.5W温度设定范围:10℃~40℃温度显示范围:0℃~50℃按键:触摸按键外壳材料:ABS阻燃材料安装方式:标准86盒安装外形尺寸:86mm*86mm*40mm工作环境:温度:-10℃~55℃湿度:≤90%无凝结当量空调表技术指标:计时精度:0.1%工作电压:DC12V控制输出:AC220V/4组2A工作方式:连续运行通讯方式:RS485,波特率9600bps通讯距离:≤1200m第5页共31页第4页共31页编号:时间:2021年x月x日书山有路勤为径,学海无涯苦作舟页码:第5页共31页自耗功率:<0.5W安装方式:标准86盒安装外壳材料:ABS阻燃外形尺寸:143mm*100mm*54mm工作环境:温度:-10℃~55℃湿度:≤90%无凝结型号命名:CFP-W...

1、当您付费下载文档后,您只拥有了使用权限,并不意味着购买了版权,文档只能用于自身使用,不得用于其他商业用途(如 [转卖]进行直接盈利或[编辑后售卖]进行间接盈利)。
2、本站所有内容均由合作方或网友上传,本站不对文档的完整性、权威性及其观点立场正确性做任何保证或承诺!文档内容仅供研究参考,付费前请自行鉴别。
3、如文档内容存在违规,或者侵犯商业秘密、侵犯著作权等,请点击“违规举报”。

碎片内容

空调、能源计量系统手册XXXX

您可能关注的文档

中小学教育精品资料+ 关注
实名认证
内容提供者

中小学教育资料,优质文档创作者

确认删除?
VIP
微信客服
  • 扫码咨询
会员Q群
  • 会员专属群点击这里加入QQ群
客服邮箱
回到顶部