电脑桌面
添加小米粒文库到电脑桌面
安装后可以在桌面快捷访问

达陕高速公路t梁预制施工组织设计(DOC21页)VIP免费

达陕高速公路t梁预制施工组织设计(DOC21页)_第1页
1/26
达陕高速公路t梁预制施工组织设计(DOC21页)_第2页
2/26
达陕高速公路t梁预制施工组织设计(DOC21页)_第3页
3/26
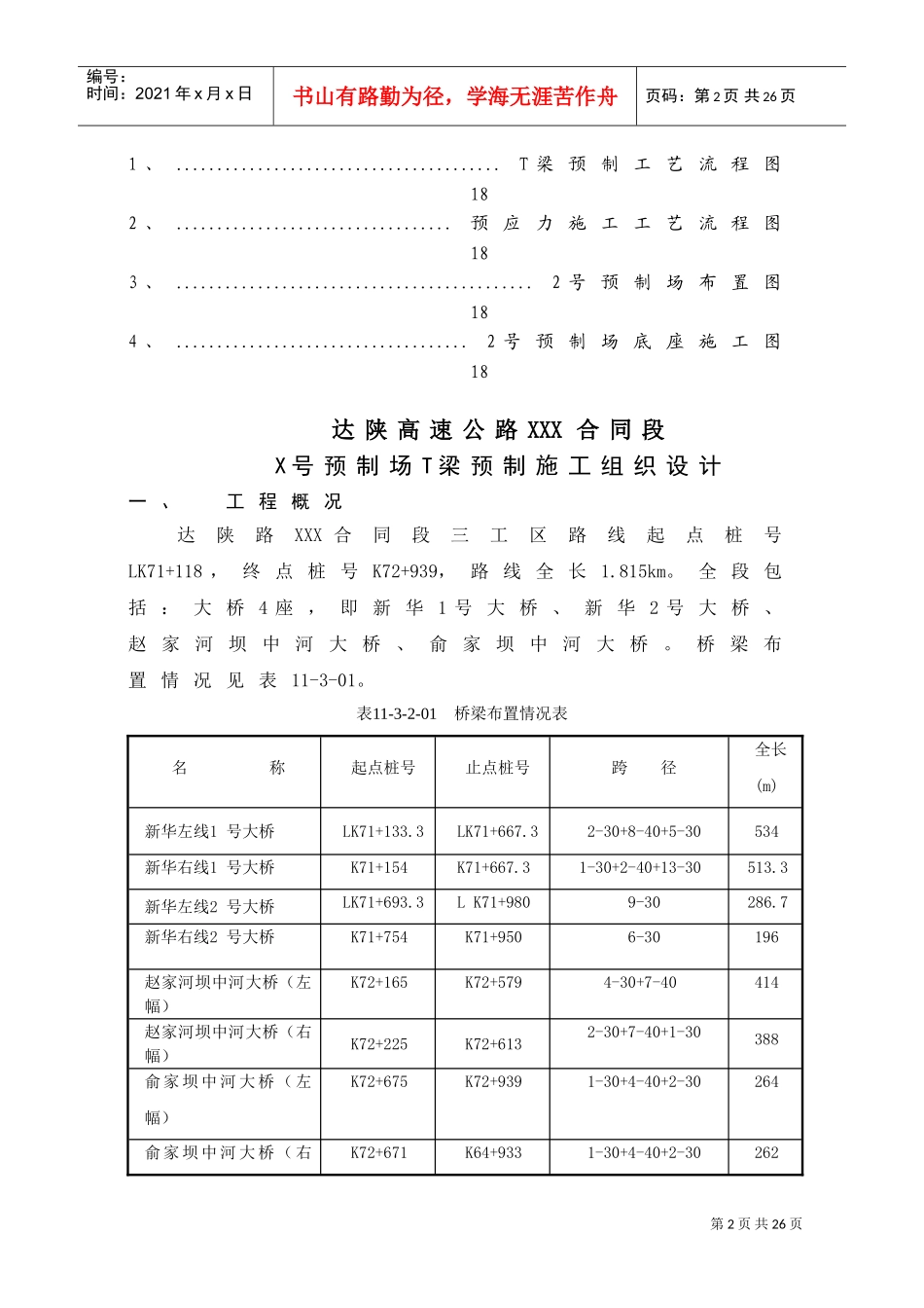
第1页共26页编号:时间:2021年x月x日书山有路勤为径,学海无涯苦作舟页码:第1页共26页目录一、........................................................工程概况2二、................................预制场布置和工序安排31、预制场布置.............................................32、预制底座.................................................34、轨道铺设.................................................5三、T梁预制.................................................51、T梁施工工序...........................................52、钢筋、钢绞线制作安装............................53、模板制作安装..........................................64、混凝土浇筑.............................................65、预应力钢绞线张拉...................................76、预应力张拉安全操作注意事项:..............77、孔道压浆及封端......................................8四、T梁运输.................................................9五、T梁预制顺序..........................................9六、施工工期安排........................................9七、施工主要人员安排...............................10八、施工主要设备......................................10九、施工安全保证措施...............................121、施工安全保证体系.................................122、施工安全保证措施.................................13十、环境保护措施......................................141、保护和改善施工现场的环境,进行综合治理....................................................................142、防止大气污染的措施.............................153、防止水源污染的措施............................15十一、文明施工保证措施............................151、组织机构建立........................................152、文明施工具体措施.................................163、现场管理措施........................................18十二、附图.............................................18第2页共26页编号:时间:2021年x月x日书山有路勤为径,学海无涯苦作舟页码:第2页共26页1、........................................T梁预制工艺流程图182、..................................预应力施工工艺流程图183、............................................2号预制场布置图184、....................................2号预制场底座施工图18达陕高速公路XXX合同段X号预制场T梁预制施工组织设计一、工程概况达陕路XXX合同段三工区路线起点桩号LK71+118,终点桩号K72+939,路线全长1.815km。全段包括:大桥4座,即新华1号大桥、新华2号大桥、赵家河坝中河大桥、俞家坝中河大桥。桥梁布置情况见表11-3-01。表11-3-2-01桥梁布置情况表名称起点桩号止点桩号跨径全长(m)新华左线1号大桥LK71+133.3LK71+667.32-30+8-40+5-30534新华右线1号大桥K71+154K71+667.31-30+2-40+13-30513.3新华左线2号大桥LK71+693.3LK71+9809-30286.7新华右线2号大桥K71+754K71+9506-30196赵家河坝中河大桥(左幅)K72+165K72+5794-30+7-40414赵家河坝中河大桥(右幅)K72+225K72+6132-30+7-40+1-30388俞家坝中河大桥(左幅)K72+675K72+9391-30+4-40+2-30264俞家坝中河大桥(右K72+671K64+9331-30+4-40+2-30262第3页共26页编号:时间:2021年x月x日书山有路勤为径,学海无涯苦作舟页码:第3页共26页幅)拟建2号预制场主要满足三工区4座大桥405片T梁预制工作。T梁分30m跨和40m跨两类T梁。T梁预应力钢绞线采用ASTM416-92a标准的低松弛高强度钢绞线,其抗拉强度标准fpk=1860Mpa,公称直径15.24mm,弹性模量Ey=1.95×105Mpa。预制梁正弯矩钢束采用OVM15型系列锚具及其配套设备,管道采用预埋塑料波纹管成型。T梁工程数量及分布如表11-03-2:表11-3-2-02T梁主要工程数量表项目T梁数量Ⅰ级钢筋(kg)Ⅱ级钢筋(kg)钢绞线(kg)砼(m3)30m40m新...

1、当您付费下载文档后,您只拥有了使用权限,并不意味着购买了版权,文档只能用于自身使用,不得用于其他商业用途(如 [转卖]进行直接盈利或[编辑后售卖]进行间接盈利)。
2、本站所有内容均由合作方或网友上传,本站不对文档的完整性、权威性及其观点立场正确性做任何保证或承诺!文档内容仅供研究参考,付费前请自行鉴别。
3、如文档内容存在违规,或者侵犯商业秘密、侵犯著作权等,请点击“违规举报”。

碎片内容

达陕高速公路t梁预制施工组织设计(DOC21页)

您可能关注的文档

确认删除?
VIP
微信客服
  • 扫码咨询
会员Q群
  • 会员专属群点击这里加入QQ群
客服邮箱
回到顶部