电脑桌面
添加小米粒文库到电脑桌面
安装后可以在桌面快捷访问

道路软基处理工程塑料排水板施工专项方案VIP免费

道路软基处理工程塑料排水板施工专项方案_第1页
1/12
道路软基处理工程塑料排水板施工专项方案_第2页
2/12
道路软基处理工程塑料排水板施工专项方案_第3页
3/12
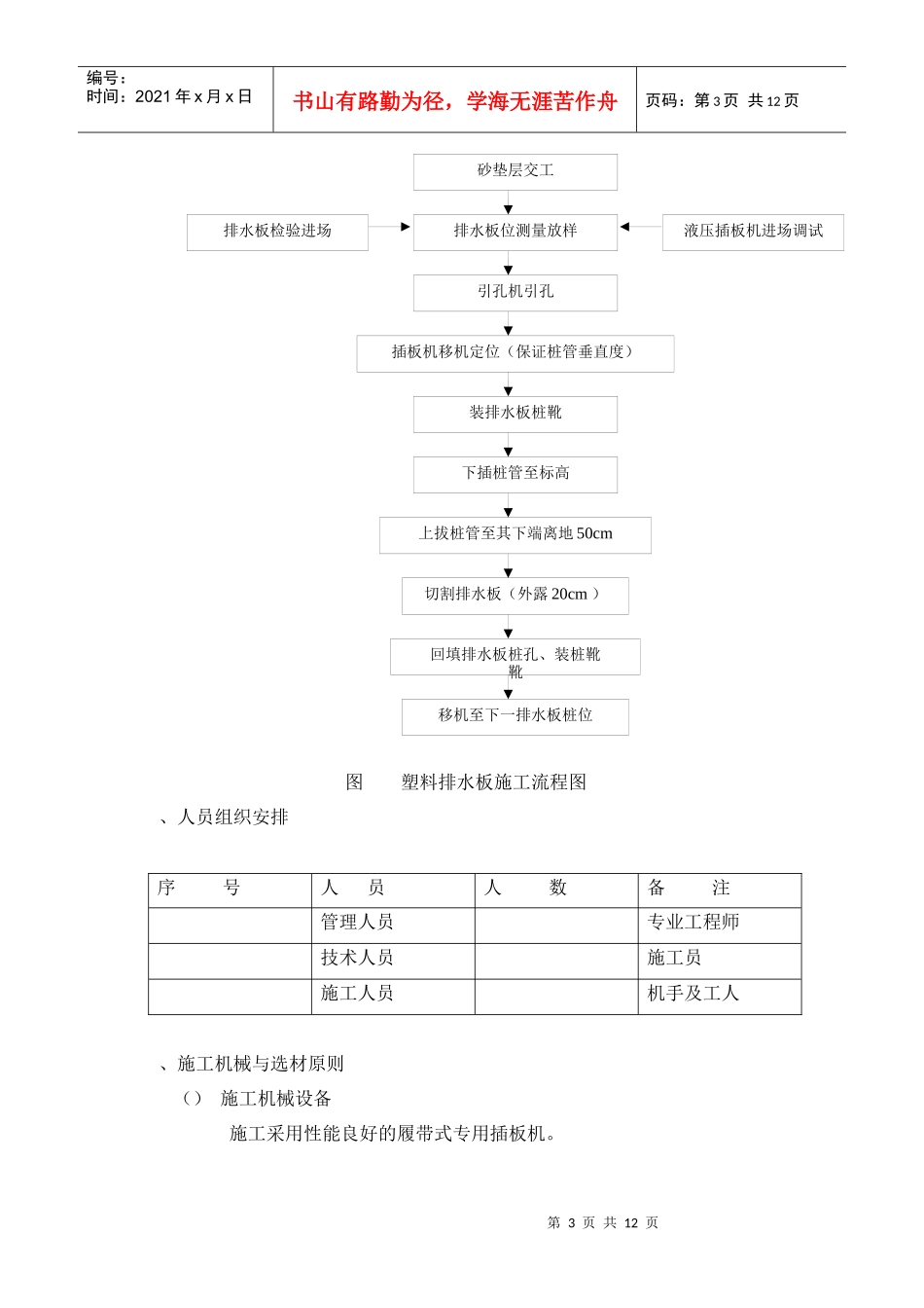
第1页共12页编号:时间:2021年x月x日书山有路勤为径,学海无涯苦作舟页码:第1页共12页塑料排水板施工专项方案、工程概况本工程为深圳市前海填海区中集地块及周边地区道路软基处理工程标段,占地面积为303000m2,其中约243000m2的区域采用塑料排水板施工。根据地质勘查报告得知,其钻探揭露地层子上而下为人工填土(石)层,第四系的海积层、冲击层及残积层、下伏基岩为震旦系混合岩及燕山期得花岗岩。海相堆积的亚粘土、淤泥质土厚度达,极疏松,属软土区域。具有以下特点:(1)天然含水量高、孔隙比大。含水量在之间,孔隙比在之间,饱和度一般大于,液限一般为,塑性指数为,天然重力密度为;(2)透水性差。大部分软土的渗透系数为×10-4-1×cm/s;(3)压缩性高。压缩系数为,属高压缩性土;(4)抗剪强度低。地基土抗剪实验的粘聚力在左右,抗剪实验的内摩擦角在°°之间;(5)流变性显著。长期抗剪强度只有一般抗剪强度的倍。根据设计要求,该工程的软土地基处理方法主要有两种:塑料排水板处理和振动沉管砂桩处理。其中塑料排水板法处理面积约为243000m2,占软基总面积的,为本工程软基处理的主要方法。、塑料排水板法的工艺流程塑料排水板的施工工艺流程如图所示。()测量放样:在塑料板施工区内根据地质资料,结合淤泥底标高情况事先对插板施工区域进行划分,淤泥底标高差异大的,采用×20m的方格网进行划分,每个区域试插根插板;淤泥底标高均匀差距不大的,才用×40m的方格网划分,每个区域试插根插板。()插板现场调试和试插施工前测量放样出的每一个施工区域,根据已有的钻探资料在塑料排水板施工前,会同业主、设计、监理在现场用插板机按40m×40m的方格网进行试插,发现淤泥底标高差异较大时,再对该区域采用20m×20m的方格进行细分,进行塑料排水板施工试插。由业主、设第2页共12页第1页共12页编号:时间:2021年x月x日书山有路勤为径,学海无涯苦作舟页码:第2页共12页计、监理根据试插深度确定每个小区与的塑料排水板施工深度,确定塑料排水板打设深度后再进行大面积施工。()插板机移机定位:插板机的桩靴落地定位误差控制在正负50mm范围内,由插板机驾驶员在控制室内控制,控制桩管下插时的垂直度符合设计要求不得大于正负。()安装锚靴:塑料排水板末端伸出导管底,在塑料排水板末端安装密封袋后(只有当需要插至粗砂0.5m时),用锚靴将其别再导管底端。()试插塑料排水板至设计深度(标高):按照试插确定的深度施工塑料排水板。()上拔桩管:拔管时仔细观察有没有回带现象,若回带长度超过50cm,则在桩位旁10cm处补打一根。、()切割塑料排水板:上拔管后,控制塑料排水板在砂垫层顶面预留的外露长度为20cm。()移机到下一桩位。第3页共12页第2页共12页砂垫层交工排水板位测量放样液压插板机进场调试排水板检验进场引孔机引孔插板机移机定位(保证桩管垂直度)装排水板桩靴下插桩管至标高上拔桩管至其下端离地50cm切割排水板(外露20cm)回填排水板桩孔、装桩靴靴移机至下一排水板桩位编号:时间:2021年x月x日书山有路勤为径,学海无涯苦作舟页码:第3页共12页图塑料排水板施工流程图、人员组织安排序号人员人数备注管理人员专业工程师技术人员施工员施工人员机手及工人、施工机械与选材原则()施工机械设备施工采用性能良好的履带式专用插板机。第4页共12页第3页共12页编号:时间:2021年x月x日书山有路勤为径,学海无涯苦作舟页码:第4页共12页序号机械或设备名称型号规格额定功率数量(台)用于部位静压插板机型插板用电焊机—维修用柴油发电机组现场抽水用()塑料排水板材料的选定本工程塑料排水板设计插设深度平均为11m,总工程量3308360m,根据设计要求,本工程采用的塑料排水板为—型塑料排水板,塑料排水板应具有耐腐蚀性和足够的柔性、卷曲、回折时不脆裂。其技术指标必须符合《塑料排水板施工规程》()以及设计要求,必须经过进场检验合格后方可投入使用。塑料排水板材料规格类型及尺寸偏差项目型号厚度,≥厚度允许偏差±宽度≥宽度允许偏差±第5页共12页第4页共12页编号:时间:2021年x月x日书山有路勤为径,学海无涯苦作舟...

1、当您付费下载文档后,您只拥有了使用权限,并不意味着购买了版权,文档只能用于自身使用,不得用于其他商业用途(如 [转卖]进行直接盈利或[编辑后售卖]进行间接盈利)。
2、本站所有内容均由合作方或网友上传,本站不对文档的完整性、权威性及其观点立场正确性做任何保证或承诺!文档内容仅供研究参考,付费前请自行鉴别。
3、如文档内容存在违规,或者侵犯商业秘密、侵犯著作权等,请点击“违规举报”。

碎片内容

道路软基处理工程塑料排水板施工专项方案

确认删除?
VIP
微信客服
  • 扫码咨询
会员Q群
  • 会员专属群点击这里加入QQ群
客服邮箱
回到顶部