电脑桌面
添加小米粒文库到电脑桌面
安装后可以在桌面快捷访问

移动营业厅装修工程施工组织设计方案VIP专享VIP免费

移动营业厅装修工程施工组织设计方案_第1页
1/63
移动营业厅装修工程施工组织设计方案_第2页
2/63
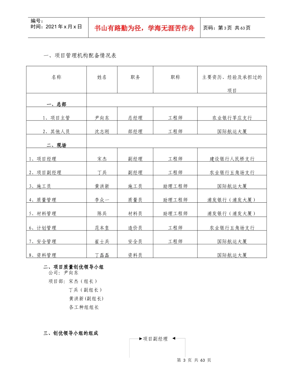
移动营业厅装修工程施工组织设计方案_第3页
3/63
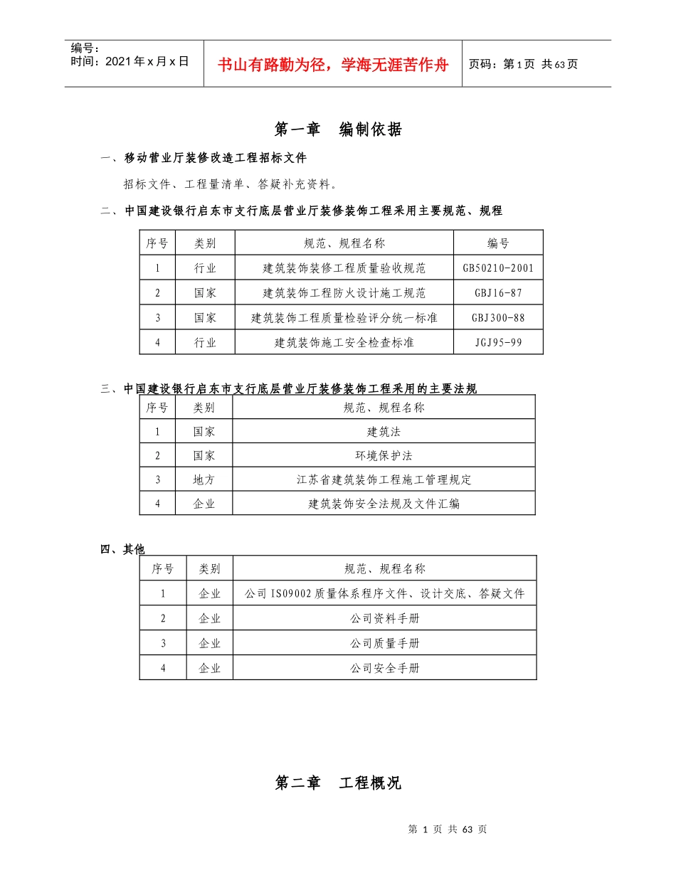
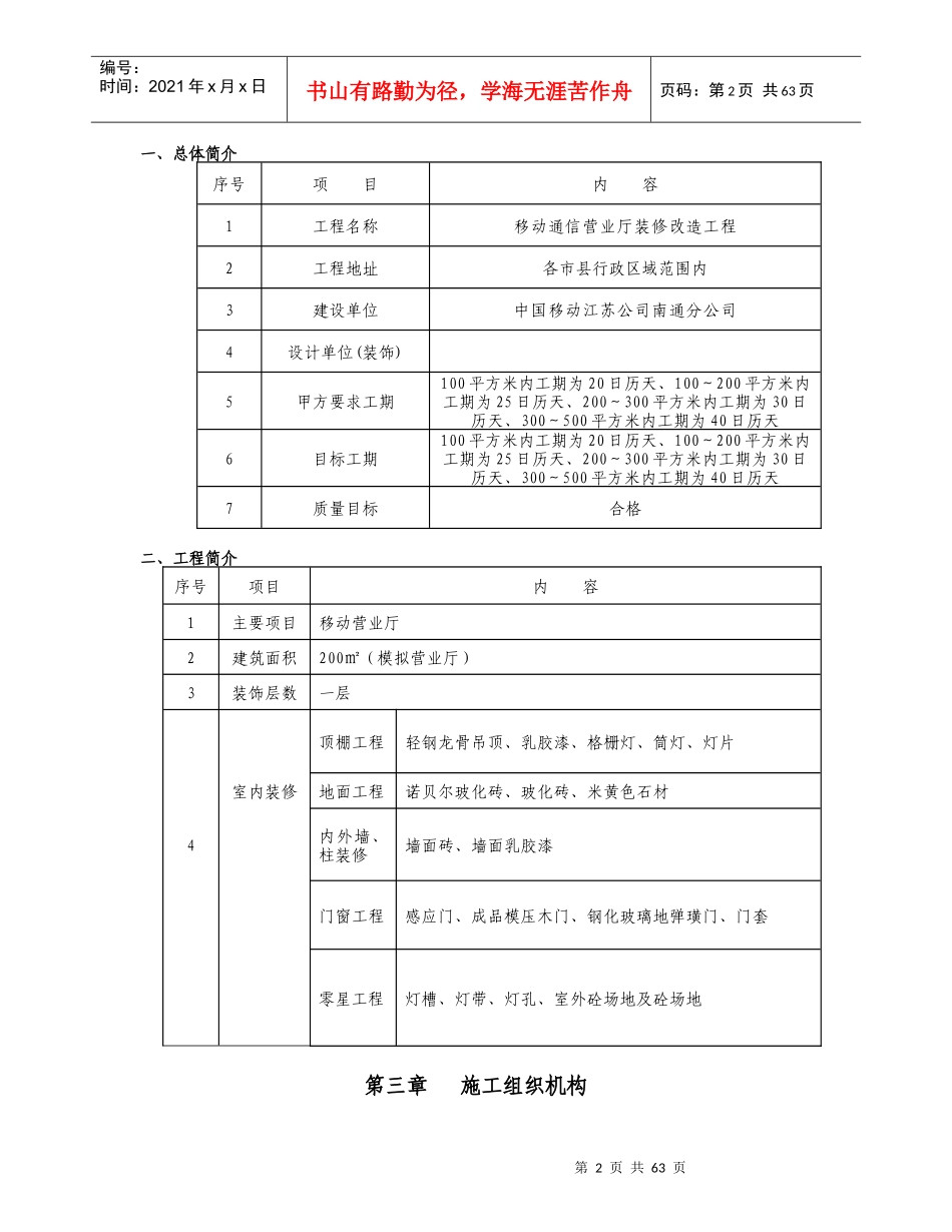
第1页共63页编号:时间:2021年x月x日书山有路勤为径,学海无涯苦作舟页码:第1页共63页第一章编制依据一、移动营业厅装修改造工程招标文件招标文件、工程量清单、答疑补充资料。二、中国建设银行启东市支行底层营业厅装修装饰工程采用主要规范、规程序号类别规范、规程名称编号l行业建筑装饰装修工程质量验收规范GB50210-20012国家建筑装饰工程防火设计施工规范GBJl6-873国家建筑装饰工程质量检验评分统一标准GBJ300-884行业建筑装饰施工安全检查标准JGJ95-99三、中国建设银行启东市支行底层营业厅装修装饰工程采用的主要法规序号类别规范、规程名称1国家建筑法2国家环境保护法3地方江苏省建筑装饰工程施工管理规定4企业建筑装饰安全法规及文件汇编四、其他序号类别规范、规程名称1企业公司IS09002质量体系程序文件、设计交底、答疑文件2企业公司资料手册3企业公司质量手册4企业公司安全手册第二章工程概况第2页共63页第1页共63页编号:时间:2021年x月x日书山有路勤为径,学海无涯苦作舟页码:第2页共63页一、总体简介序号项目内容1工程名称移动通信营业厅装修改造工程2工程地址各市县行政区域范围内3建设单位中国移动江苏公司南通分公司4设计单位(装饰)5甲方要求工期100平方米内工期为20日历天、100~200平方米内工期为25日历天、200~300平方米内工期为30日历天、300~500平方米内工期为40日历天6目标工期100平方米内工期为20日历天、100~200平方米内工期为25日历天、200~300平方米内工期为30日历天、300~500平方米内工期为40日历天7质量目标合格二、工程简介序号项目内容1主要项目移动营业厅2建筑面积200㎡(模拟营业厅)3装饰层数一层顶棚工程轻钢龙骨吊顶、乳胶漆、格栅灯、筒灯、灯片室内装修地面工程诺贝尔玻化砖、玻化砖、米黄色石材4内外墙、柱装修墙面砖、墙面乳胶漆门窗工程感应门、成品模压木门、钢化玻璃地弹璜门、门套零星工程灯槽、灯带、灯孔、室外砼场地及砼场地第三章施工组织机构第3页共63页第2页共63页编号:时间:2021年x月x日书山有路勤为径,学海无涯苦作舟页码:第3页共63页一、项目管理机构配备情况表名称姓名职务职称主要资历、经验及承担过的项目一、总部1、项目主管尹向东总经理工程师农业银行莘庄支行2、其他人员沈志刚部经理工程师国际航运大厦二、现场1、项目经理宋杰副经理工程师建设银行人民桥支行2、项目副经理丁兵副经理工程师农业银行五角场支行3、施工员黄洪新施工员助理工程师国际航运大厦4、质量管理李众一质量员助理工程师浦发银行(浦发大厦)5、材料管理陈兵材料员助理工程师浦发银行(浦发大厦)6、计划管理范本皇造价员工程师农业银行五角场支行7、安全管理崔士兵安全员工程师国际航运大厦8、资料管理丁磊磊资料员国际航运大厦二、项目质量创优领导小组公司:尹向东项目部:宋杰(组长)丁兵(副组长)黄洪新(副组长)各工种组组长三、创优领导小组的组成项目副经理第4页共63页第3页共63页编号:时间:2021年x月x日书山有路勤为径,学海无涯苦作舟页码:第4页共63页公司质检总监项目经理技术管理人员技术负责人各工种组长具体施工过程和人员四、本工程全面实行项目法施工1、项目经理部管理标准为规范项目管理工作,项目经理部将执行公司颁布的《项目管理手册》、《质量保证手册》、《CI工作手册》。2、项目经理部管理职能项目经理部作为移动营业厅装修改造工程的管理中心,从项目全方位进行管理,讨论制定各项专项方案,统筹安排总体进度计划,全面运筹整个项目的质量、安全、工期、效益、人事、物资等要素,协调解决施工过程中出现的各种矛盾,协调所有的交叉作业,使之成为一个有机的整体,保证施工的顺利进行,代表公司履行与业主的合同。第四章施工部署施工部署的原则和工程管理目标:1、本装饰工程标准高,装修工期比较紧张,为保证装修尽可能有充裕的时间施工,保证如期完成施工任务,应该考虑到各方面的影响因素,做好工程前期的各种准备工作,充分酝酿任务、人力、资源时间、空间的总体布局。2、在时间和空间的布置上采取空间占满,时间连续、均衡协调有节奏,力所能及的原则,保证工程按照总控计划完成。3、分段、分工种...

1、当您付费下载文档后,您只拥有了使用权限,并不意味着购买了版权,文档只能用于自身使用,不得用于其他商业用途(如 [转卖]进行直接盈利或[编辑后售卖]进行间接盈利)。
2、本站所有内容均由合作方或网友上传,本站不对文档的完整性、权威性及其观点立场正确性做任何保证或承诺!文档内容仅供研究参考,付费前请自行鉴别。
3、如文档内容存在违规,或者侵犯商业秘密、侵犯著作权等,请点击“违规举报”。

碎片内容

移动营业厅装修工程施工组织设计方案

确认删除?
VIP
微信客服
  • 扫码咨询
会员Q群
  • 会员专属群点击这里加入QQ群
客服邮箱
回到顶部