电脑桌面
添加小米粒文库到电脑桌面
安装后可以在桌面快捷访问

给水管道试压新方法介绍VIP免费

给水管道试压新方法介绍_第1页
1/4
给水管道试压新方法介绍_第2页
2/4
给水管道试压新方法介绍_第3页
3/4
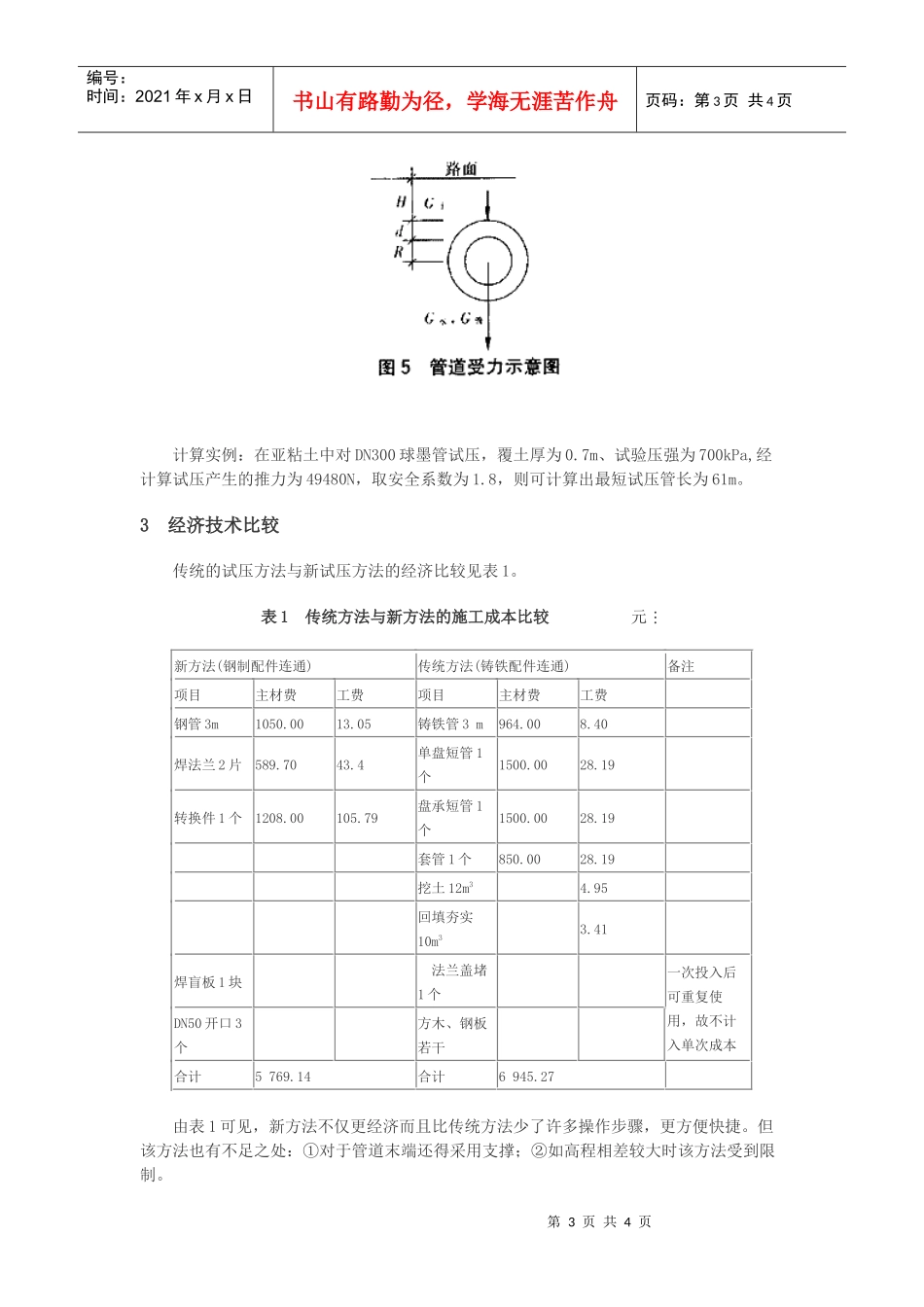
第1页共4页编号:时间:2021年x月x日书山有路勤为径,学海无涯苦作舟页码:第1页共4页给水管道试压新方法介绍摘要:针对给水管道采用传统试压方法所出现的问题,提出了一种新的试压方法并概述了其工作原理。该方法无需设置支撑,方便快捷,经济实用。当给水管道施工完毕后,采用传统试压方法时经常会碰到一些问题:①多段试压在城市输配水干管的施工中经常会一次铺设数km的管道,故必须分几段来试压。因试压管段两端都需设置支撑,特别是当土质不好时所需设置的支撑又大又深,故大大增加了施工费用。②试压管段端部靠背移位试压中由于管段两端后背基土松动而使支座易发生纵向或横向移位,导致试压失败。③带阀作业试压中未将支线阀门拆除或用干管阀门作挡板,使闸阀在高压下发生变形而产生泄压,不仅影响试压,更主要的是还会破坏阀门的使用性能,使其日后无法正常使用。1解决方案一般的城市干管在500~800m左右都设置一个阀门,正好可利用阀门间的管段作为试压管段(有时阀门间的距离不能满足要求时,也可选在三通、四通等配件处)。操作步骤为:①施工前需加工一个钢制试压配件(见图1)。②当安装管道至阀门位置处时,先不装阀门而装上试压配件,对管段进行认真检查并确认合格后即可进行水压试验,方法如图2所示。③当水压试验的各项指标都合格后,即可根据所需安装的阀门、伸缩器、套管等配件的长度(如图3虚线处)将该试压配件锯掉取出,然后装上阀门、伸缩器等管件即可。第2页共4页第1页共4页编号:时间:2021年x月x日书山有路勤为径,学海无涯苦作舟页码:第2页共4页与传统方法相比,该施工方法有许多优点:①不需设置管端支撑,在土质不好时尤其显出其优势;②先试压后装阀,避免了阀门受损;③该试压配件可重复使用,施工简便易行;④施工成本低。2工作原理新方法工作原理是基于土对管壁的摩擦力与试验压力的平衡(如图4)。P=∑f(1)式中P--试验压力,kN,P=p·Sf--外管壁与土的摩擦力,kN,∑f=μ·N管道受力情况如图5所示,上半部受土重压力(G土),下半部除受土重力外,还有管和水自重引起的反作用力(G水+G管)。可见:N=G土+G水+G管(2)G土=γ土·g·[(H+d+R)·2(R+d)-π(R+d)2]·L(3)G水=γ水·g·πR2·L(4)G管=γ管·g·π·[(R+d)2-R2]·L(5)式中R--管内径,md--管壁厚,mH--最小覆土厚度,mγ--密度,103kg/m3,γ土为1.6~2.2,γ铁为7.8,γ水为1.0L--管长,mg--重力加速度,9.8m/s2第3页共4页第2页共4页编号:时间:2021年x月x日书山有路勤为径,学海无涯苦作舟页码:第3页共4页计算实例:在亚粘土中对DN300球墨管试压,覆土厚为0.7m、试验压强为700kPa,经计算试压产生的推力为49480N,取安全系数为1.8,则可计算出最短试压管长为61m。3经济技术比较传统的试压方法与新试压方法的经济比较见表1。表1传统方法与新方法的施工成本比较元新方法(钢制配件连通)传统方法(铸铁配件连通)备注项目主材费工费项目主材费工费钢管3m1050.0013.05铸铁管3m964.008.40焊法兰2片589.7043.4单盘短管1个1500.0028.19转换件1个1208.00105.79盘承短管1个1500.0028.19套管1个850.0028.19挖土12m34.95回填夯实10m33.41焊盲板1块法兰盖堵1个一次投入后可重复使用,故不计入单次成本DN50开口3个方木、钢板若干合计5769.14合计6945.27由表1可见,新方法不仅更经济而且比传统方法少了许多操作步骤,更方便快捷。但该方法也有不足之处:①对于管道末端还得采用支撑;②如高程相差较大时该方法受到限制。第4页共4页第3页共4页编号:时间:2021年x月x日书山有路勤为径,学海无涯苦作舟页码:第4页共4页4结语与传统试压方法相比,新方法无需设置支撑而只需加工一个试压配件,并具有方便快捷、经济实用的突出特点,宜于推广。尹泉海口市自来水公司,海南,海口,570208杨咏海口市自来水公司,海南,海口,570208电话:(0898)65321334(H)66276140(O)E-mail:yoyo55@21cn.com

1、当您付费下载文档后,您只拥有了使用权限,并不意味着购买了版权,文档只能用于自身使用,不得用于其他商业用途(如 [转卖]进行直接盈利或[编辑后售卖]进行间接盈利)。
2、本站所有内容均由合作方或网友上传,本站不对文档的完整性、权威性及其观点立场正确性做任何保证或承诺!文档内容仅供研究参考,付费前请自行鉴别。
3、如文档内容存在违规,或者侵犯商业秘密、侵犯著作权等,请点击“违规举报”。

碎片内容

给水管道试压新方法介绍

您可能关注的文档

确认删除?
VIP
微信客服
  • 扫码咨询
会员Q群
  • 会员专属群点击这里加入QQ群
客服邮箱
回到顶部