电脑桌面
添加小米粒文库到电脑桌面
安装后可以在桌面快捷访问

路基工程监理实施细则-副本VIP免费

路基工程监理实施细则-副本_第1页
1/39
路基工程监理实施细则-副本_第2页
2/39
路基工程监理实施细则-副本_第3页
3/39
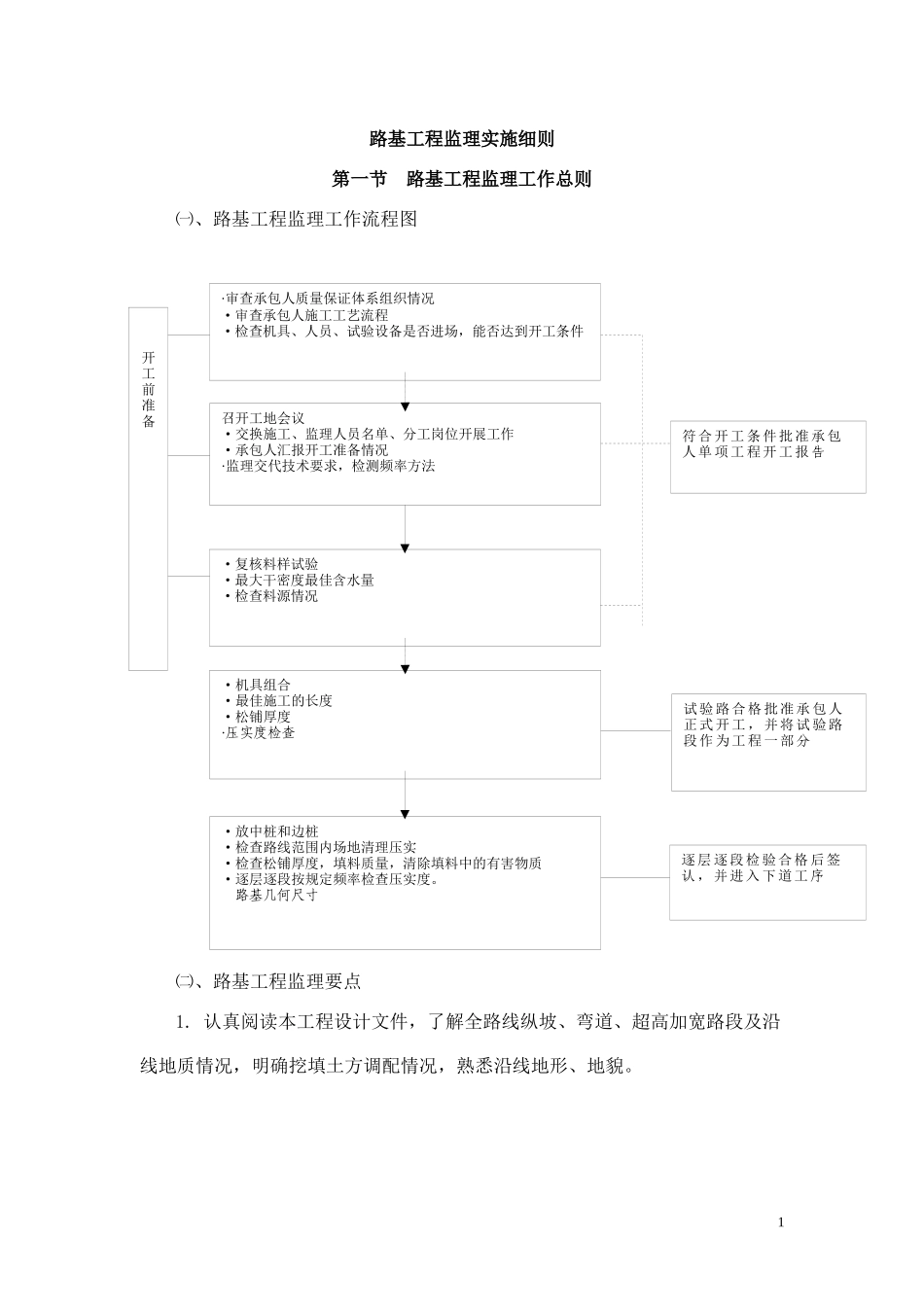
路基工程监理实施细则第一节路基工程监理工作总则㈠、路基工程监理工作流程图㈡、路基工程监理要点1.认真阅读本工程设计文件,了解全路线纵坡、弯道、超高加宽路段及沿线地质情况,明确挖填土方调配情况,熟悉沿线地形、地貌。·审查承包人质量保证体系组织情况·审查承包人施工工艺流程·检查机具、人员、试验设备是否进场,能否达到开工条件召开工地会议·交换施工、监理人员名单、分工岗位开展工作·承包人汇报开工准备情况·监理交代技术要求,检测频率方法·复核料样试验·最大干密度最佳含水量·检查料源情况·机具组合·最佳施工的长度·松铺厚度·压实度检查·放中桩和边桩·检查路线范围内场地清理压实·检查松铺厚度,填料质量,清除填料中的有害物质·逐层逐段按规定频率检查压实度。路基几何尺寸开工前准备符合开工条件批准承包人单项工程开工报告试验路合格批准承包人正式开工,并将试验路段作为工程一部分逐层逐段检验合格后签认,并进入下道工序12.复核承包人的放样资料及复测中线桩位和高程,复核承包人需增补的水准点和控制点。通过放样检查,明确放样边线与用地界限,若有误差应查明原因,尽可能在工程开工前解决。3.会同承包人对填充料及土样做土工(对比)试验,确定填料性质,若不符合规范要求,应在开工前更换料场。若填料能用于本工程,应进一步做最大干密度试验(重型击实)和最佳含水量试验。并由工程师批准用以控制路基压实度。4.检查承包人开工前工程准备情况,包括承包人员到场情况,质量保障体系的建立,机械、材料、试验设备进场和调试等条件应满足开工条件并取得监理工程师认可,方能批准开工,其试验路段长度不小于100m.5.承包人为了取得施工经验,在被批准开工后,首先做试验段:①确定最佳压实方法.②确定最佳松铺系数.③确定最佳机械组合及最佳碾压遍数④确定最佳填料级配控制范围.⑤确定合理的工艺流程和施工方法.取得经验指导施工。监理工程师可以将其合格的试验路段作为一部分工程验收,并进入计量支付。其试验路段长度不小于100m.6.现场监理应对试验段全过程进行旁站和检测。㈢、路基质量验收标准石方路基实测项目项次检查项目规定值或允许偏差检查方法和频率高速公路一级公路其他公路1压实度层厚和碾压遍数符合要求沉降差≤试验路确定的沉降差查施工记录水准仪:每40m测1断面.每断面5-9点2纵断高程(mm)+10,-20+10,-30水准仪:每200m测4断面3中线偏位(mm)50100经纬仪:每200m测4点弯道加HY、YH两点4宽度(mm)不小于设计值米尺:每200m测4处25平整度(mm)20303m直尺:每200m测2处×10尺6横坡(%)±0.3±0.5水准仪:每200m测4断面7边坡坡度不陡于设计值每200m抽查4处平顺度符合设计注:土石混填路基可根据实际可能性进行压实度或固体体积率检验,其他检测项目与石方路基相同。填石路堤上、下路堤压实质量标准分区路床顶面以下深度(M)硬质石料孔隙率(%)中硬石料孔隙率(%)软质石料孔隙率(%)上路堤0.8-1.50≤23≤22≤20下路堤>1.50≤25≤24≤22第二节填方路基工程监理㈠、路基填料质量监理1.路基填料监理控制图2.路基填料技术要求1)石料:①填料:路基填料主要为后云台山开山石料,山场碎石土。料场与取料方式应取得监理的批准。②所有填料均不得含有杂土、杂草、垃圾等。会同承包人踏勘料场取料样做对比试验做标准击实试验确定标准干密度和最佳含水量批准各料场各层次的标准干密度和最佳含水量3③石料的最小强度CBR的值。项目分类填挖类型路面底面以下深度(cm)填料最小强度CBR(%)最大粒径(cm)填方路基上路床0~3086下路床30~80510上路堤80~150415下路堤150以下320零填及路堑路床0~30863.路基填料监理工作要点(1)填料、料场与取料方式应取得监理的批准。本项目分别来自东疏港高速二施工标段后云台山上路堑开挖,后云台山隧道宕渣。(2)所有填料均不得含有淤泥、腐植土、垃圾、建筑垃圾、动植物残骸等杂物。(3)所有填料必须按规定频率进行做验证试验及标准试验。上路床采用40cm级配优良的开山石料,最大粒径不超过6cm,抗压强度不小于30mPa,不均匀系数25~35。下路床采用40cm级配良好的开山石料,粒径不超过10cm,抗压强度不小于25mPa,不...

1、当您付费下载文档后,您只拥有了使用权限,并不意味着购买了版权,文档只能用于自身使用,不得用于其他商业用途(如 [转卖]进行直接盈利或[编辑后售卖]进行间接盈利)。
2、本站所有内容均由合作方或网友上传,本站不对文档的完整性、权威性及其观点立场正确性做任何保证或承诺!文档内容仅供研究参考,付费前请自行鉴别。
3、如文档内容存在违规,或者侵犯商业秘密、侵犯著作权等,请点击“违规举报”。

碎片内容

路基工程监理实施细则-副本

确认删除?
VIP
微信客服
  • 扫码咨询
会员Q群
  • 会员专属群点击这里加入QQ群
客服邮箱
回到顶部