电脑桌面
添加小米粒文库到电脑桌面
安装后可以在桌面快捷访问

电气管线敷设施工工艺_secretVIP免费

电气管线敷设施工工艺_secret_第1页
1/50
电气管线敷设施工工艺_secret_第2页
2/50
电气管线敷设施工工艺_secret_第3页
3/50
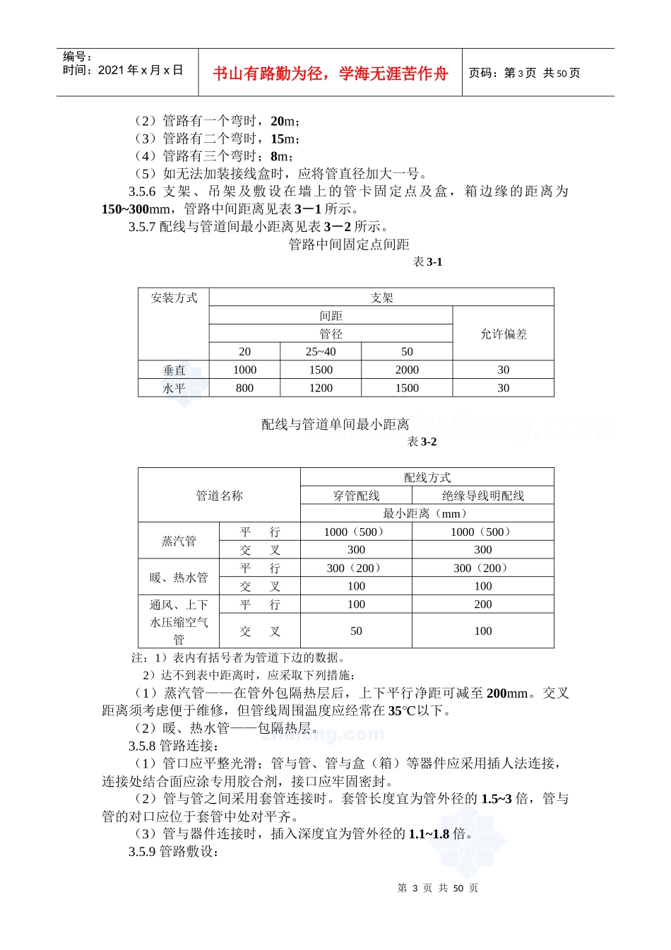
第1页共50页编号:时间:2021年x月x日书山有路勤为径,学海无涯苦作舟页码:第1页共50页电气安装工程(一)硬质阻燃塑料管(PVC)明敷设施工工艺标准(HFWX·QB/1-6-001-2004)l、范围本工艺标准适用于室内或有酸、碱等腐蚀介质的场所照明配线敷设安装(不得在40℃以上易受机械冲击、碰撞摩擦等场所敷设)。2、施工准备2.1材料要求2.1.1凡所使用的阻燃型(PVC)塑料管,其材质均应具有阻燃、耐冲击性能,其氧指数不应低于27%的阻燃指标,并应有检定检验报告单和产品出厂合格证。2.1.2阻燃型塑料管、其外壁应有间距不大于lm的连续阻燃标记和制造厂厂标.管里外应光滑,无凸棱、凹陷、针孔、气泡;内外径尺寸应符合国家统一标准,管壁厚度应均匀一致。2.1.3所用阻燃型塑料管附件及明配阻燃型塑料制品,如各种灯头盒、开关盒接线盒、插座盒、管箍等,必须使用配套的阻燃型塑料制品。2.1.4粘合剂必须使用与阻燃型塑料管配套的产品。粘合剂必须在使用限期内使用。2.2主要机具2.2.1铅笔、皮尺、水平尺、卷尺、尺杆、角尺、线坠、小线、粉钱袋等。2.2.2手锤、錾子、钢锯、锯条,刀锯、半圆锉、活扳子、灰桶、水桶等。2.2.3弯管弹簧(简称弯簧)、剪管器,手电钻、钻头.压力案子、台钻等。2.2.4电锤.热风机、电炉子、开孔器、绝缘手套.工具袋工具箱、煨管器,高凳等。2.3作业条件2.3.1配合混凝土结构施工时,根据设计图在梁、板、柱中预下过管及各种埋件。2.3.2在配合砖结构施工时,预埋大型埋件、角钢支架及过管。2.3.3在装修前根据土建水平线及抹灰厚度与管道走向,按设计图进行弹线浇注埋件及稳装角钢支架。2.3.4喷浆完成后,才能进行管路及各种盒、箱安装,并应防止管道污染。3、操作工艺3.1工艺流程预制支、吊架铁件及管弯→测定盒箱及管路固定点位置→管路固定→管路敷设→管路入盒箱→变形缝做法3.2按照设计图加工好支架,吊架、抱箍、铁件及管弯。预制管弯可采用冷煨法和热煨法。第2页共50页第1页共50页编号:时间:2021年x月x日书山有路勤为径,学海无涯苦作舟页码:第2页共50页3.2.1阻燃塑料管敷设与煨弯对环境温度的要求如下:阻燃塑料管及其配件的敷设,安装和煨弯制作,均应在原材料规定的允许环境温度下进行,其温度不宜低于-15℃。3.2.2冷煨法:管径在25mm及其以下可以用冷煨法。(1)使用手扳弯管器煨弯,将管子插人配套的弯管器内,手扳一次煨出所需的弯度。(2)将弯簧插入(PVC)管内需煨弯处,两手抓住弯簧两端头,膝盖顶在被弯处,用手扳逐步煨出所需弯度,然后抽出弯簧(当弯曲较长管时,可将弯簧用铁丝或尼龙线拴牢上一端,待煨完弯后抽出)。(3)热煨法:用电炉子、热风机等加热均匀,烘烤管子偎弯处,待管被加热到可随意弯曲时立即将管子放在木板上,固定管子一头,逐步煨出所需管弯度,并用湿布抹擦使弯曲部位冷去定型,然后抽出弯簧.不得因煨弯使管出现烤伤、变色、破裂等现象。3.3测定盒、箱及管路固定点位置3.3.1按照设计图测出盒、箱、出线口等准确位置。测量时,应使用自制尺杆,弹线定位。3.3.2根据测定的盒、箱位置,把管路的垂直点水平线弹出,按照要求标出支架、吊架固定点具体尺寸位置。3.4管路固定方法3.4.1胀管法:先在墙上打孔,将胀管插人孔内,再用螺丝(栓)固定。3.4.2木砖法:用木螺丝直接固定在预埋木砖上。3.4.3预埋铁件焊接法:随土建施工,按测定位置预埋铁件.拆模后.将支架、吊架焊在预埋铁件上。3.4.4稳住法;随上建砌砖墙,将支架固定好。3.4.5剔注法:按测定位置,剔出墙洞(洞内端应剔大些)。用水把洞内浇湿,再将合好的高标号砂浆填入洞内、填满后,将支架、吊架或螺栓插人洞内、校正理人深度和平直,无误后,将洞口抹平。3.4.6抱箍法.按测定位置,遇到梁柱时,用抱箍将支架.吊架固定好。3.4.7无论采用何种固定方法,均应先固定两端支架、吊架,然后拉直线固定中间的支架、吊架。3.5管路敷设3.5.1断管:小管径可使用剪管器、大管径使用钢锯锯断,断口后将管口锉平齐。3.5.2敷管时,先将管卡一端的螺丝(栓)拧紧一半,然后将管敷设于管卡内,逐个拧紧。3.5.3支架、吊架位置正确、间距均匀、管卡应平正牢固;埋人支架应有燕尾,埋人...

1、当您付费下载文档后,您只拥有了使用权限,并不意味着购买了版权,文档只能用于自身使用,不得用于其他商业用途(如 [转卖]进行直接盈利或[编辑后售卖]进行间接盈利)。
2、本站所有内容均由合作方或网友上传,本站不对文档的完整性、权威性及其观点立场正确性做任何保证或承诺!文档内容仅供研究参考,付费前请自行鉴别。
3、如文档内容存在违规,或者侵犯商业秘密、侵犯著作权等,请点击“违规举报”。

碎片内容

电气管线敷设施工工艺_secret

您可能关注的文档

确认删除?
VIP
微信客服
  • 扫码咨询
会员Q群
  • 会员专属群点击这里加入QQ群
客服邮箱
回到顶部