电脑桌面
添加小米粒文库到电脑桌面
安装后可以在桌面快捷访问

装饰装修工程监理实施细则VIP免费

装饰装修工程监理实施细则_第1页
1/57
装饰装修工程监理实施细则_第2页
2/57
装饰装修工程监理实施细则_第3页
3/57
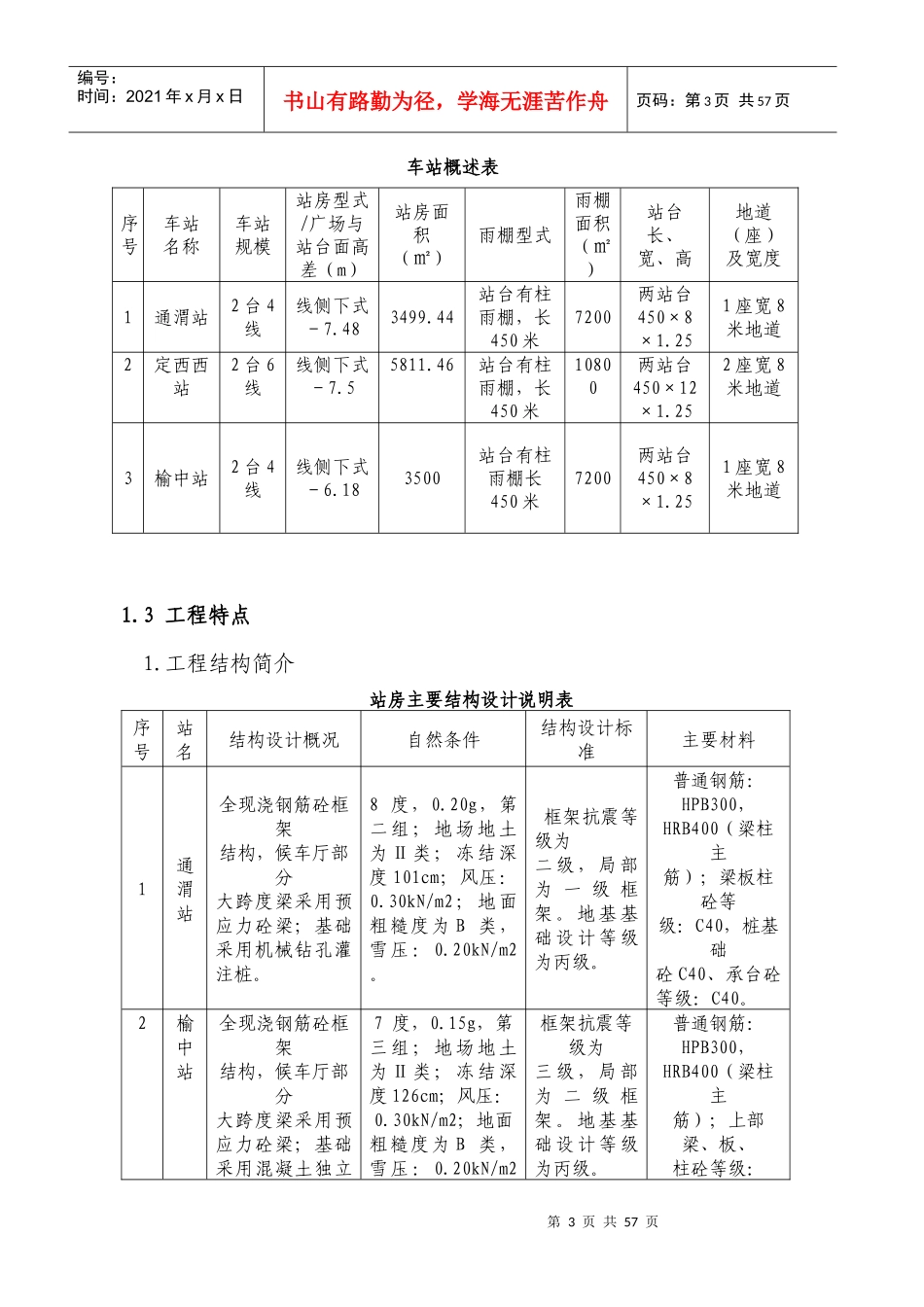
第1页共57页编号:时间:2021年x月x日书山有路勤为径,学海无涯苦作舟页码:第1页共57页目录第一章工程概况及专业技术特点..........................................31.1工程概况.......................................................31.2工程数量.......................................................31.3工程特点.......................................................41.4编写依据.......................................................5第二章监理工作范围及重点..............................................62.1监理工作范围...................................................62.2监理工作重点...................................................6第三章监理工作流程图..................................................8第四章监理工作方法及措施..............................................94.1监理工作方法...................................................94.2主要控制措施..................................................11第五章监理工作控制要点...............................................125.1装饰装修工程控制目标..........................................125.2装饰装修工程基本规定..........................................125.3装饰装修工程控制要点..........................................135.4监理工作控制措施..............................................135.4.1抹灰工程质量控制方法......................................135.4.2门窗工程质量控制..........................................155.4.3吊顶工程质量控制..........................................185.4.4饰面板(砖)安装工程......................................205.4.5涂饰工程质量控制..........................................225.4.6裱糊与软包工程质量控制....................................235.4.7细部工程..................................................255.4.8防水工程质量控制..........................................265.4.9幕墙工程..................................................26第六章安全监理工作...................................................336.1安全监理工作程序...............................................336.2支架及脚手架施工的安全监理.....................................346.3模板工程施工的安全监理.........................................356.4钢筋绑扎施工安全监理...........................................356.5混凝土浇筑施工的安全监理.......................................356.6钢结构安装工程的安全监理.......................................366.7高处(空)作业的安全监理.......................................37第2页共57页第1页共57页编号:时间:2021年x月x日书山有路勤为径,学海无涯苦作舟页码:第2页共57页6.8施工用电的安全监理.............................................386.9易燃易爆品等的安全监理.........................................406.10施工机械安全监理.............................................416.11文明施工监理控制要点..........................................416.12其它工作的安全监理...........................................43第一章工程概况及专业技术特点1.1工程概况宝鸡至兰州客运专线位于陕西、甘肃两省。线路正线长度402.635公里,其中甘肃省境内357.015公里,设计时速250公里/小时,正线数目为双线。宝兰甘肃段站房2施工标段设包含通渭、定西西、榆中3个客运站工程。该标段工程由中铁十六局集团有限公司承揽施工,兰州交大工程咨询公司承担施工监理任务。本工程范围为通渭、榆中、定西西站3座站房及站台风雨棚、旅客站台面及站前平台铺装、进出站旅客地道装修及室外给排水等工程合同工期为17.2个月,实际开工日期2015年8月1日,计划竣工日期2016年12月31日,原总工期17个月。2015年...

1、当您付费下载文档后,您只拥有了使用权限,并不意味着购买了版权,文档只能用于自身使用,不得用于其他商业用途(如 [转卖]进行直接盈利或[编辑后售卖]进行间接盈利)。
2、本站所有内容均由合作方或网友上传,本站不对文档的完整性、权威性及其观点立场正确性做任何保证或承诺!文档内容仅供研究参考,付费前请自行鉴别。
3、如文档内容存在违规,或者侵犯商业秘密、侵犯著作权等,请点击“违规举报”。

碎片内容

装饰装修工程监理实施细则

确认删除?
VIP
微信客服
  • 扫码咨询
会员Q群
  • 会员专属群点击这里加入QQ群
客服邮箱
回到顶部