电脑桌面
添加小米粒文库到电脑桌面
安装后可以在桌面快捷访问

江苏省建设工程质量监督巡查主要问题汇总表[1]VIP免费

江苏省建设工程质量监督巡查主要问题汇总表[1]_第1页
1/20
江苏省建设工程质量监督巡查主要问题汇总表[1]_第2页
2/20
江苏省建设工程质量监督巡查主要问题汇总表[1]_第3页
3/20
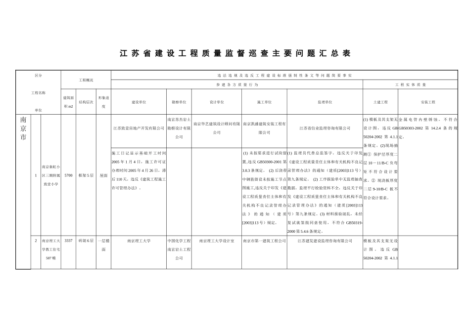
江苏省建设工程质量监督巡查主要问题汇总表区分工程名称单位工程概况违法违规及违反工程建设标准强制性条文等问题简要事实参建各方质量行为工程实体质量建筑面积m2结构层次形象进度建设单位勘察单位设计单位施工单位监理单位土建工程安装工程南京市1南京秦虹小区三期附属致壹小学5700框架5层屋面江苏致壹房地产开发有限公司南京苏杰岩土勘察设计有限公司南京华艺建筑设计顾问有限公司南京凯盛建筑安装工程有限公司江苏省信业监理咨询有限公司(1)模板及其支架无设计图,违反GB50204-2002第4.1.1条规定。(2)现场抽测①保护层厚度二层10-11/B-C负弯矩不符合设计要求。②现浇板厚度二层9-10/B-C板不符合设计要求。金属电管内壁锈蚀,不符合GB50303-2002第14.2.4条的规定。施工日记显示基础开工时间2005年1月4日,施工许可证办理时间2005年4月26日,滞后110天,违反《建筑工程施工许可管理办法》。(1)未按要求进行试块留置,违反GB50300-2001第3.0.3条规定。(2)后浇带中钢筋留设未按施工节点图施工,违反关于印发《建设工程质量责任主体和有关机构不良记录管理办法》的通知(建质[2003]113号)规定。(1)监理员代替总监签字,违反关于印发《建设工程质量责任主体和有关机构不良记录管理办法》的通知(建质[2003]113号)第九条规定。(2)工序报验单中无监理抽查数据,监理平行检验资料不全,违反关于印发《建设工程质量责任主体和有关机构不良记录管理办法》的通知(建质[2003]113号)第九条规定。(3)材料报验混乱,未经复试就签批同意使用,不符合GB50319-2000第5.4.6条规定。2南京理工大学教工住宅507幢3337砖混6层一层楼面南京理工大学中国化学工程南京岩土工程公司南京理工大学设计室南京市第一建筑工程公司江苏建发建设监理咨询有限公司模板及其支架无设计图,违反GB50204-2002第4.1.1条规定。(1)设计单位未办理工商注册手续(无营业执照),违反《建设工程勘察设计企业资质管理规定》(建设部令93号)第11、12条规定。(2)未与委托方依法签订合同(只有内部委托协议书),违反《建设工程勘察设计管理条例》第23条规定和《建设工程勘察市场管理规定》第23条规定。旁站记录过于简单,不能反映监理工作情况,不符合建设部建市[2002]189号文的有关规定。3南京仙鹤门经济适用房二期B区B46幢4103砖混5层竣工南京市业之恒房地产开发有限公司核工业南京工程勘察院河海大学设计院南京市高淳建筑安装工程有限公司江苏省恒安工程监理有限公司(1)接地(PE)或接零(PEN)线在插座间采用串联连接,违反GB50303-2002第22.1.2条规定。(2)接地(PE)线采用串联连接,违反GB50303-2002第3.1.7条规定。(3)生活给水系统在交付使用前未进行消毒,无相关部门的取样检验报告,违反GB50242-2002第4.2.3条规定。(4)PVC电管无材料出厂合格证,不符合GB50303-2002第3.2.13条规定。(5)电箱内的部分空气开关规格与图纸不符,违反GB50300-2001第3.0.3条规定。施工许可证2004年8月12日,开工报告2004年3月12日,施工日记2004年3月12日开工,提前5个月擅自开工,违反《建筑工程施工许可管理办法》第三条规定。(1)未按设计要求做防火门,违反关于印发《建设工程质量责任主体和有关机构不良记录管理办法》的通知(建质[2003]113号)规定。(2)保温砂浆未见施工记录,违反关于印发《建设工程质量责任主体和有关机构不良记录管理办法》的通知(建质[2003]113号)规定。(1)旁站记录不全,不符合建设部关于印发《房屋建筑工程施工旁站监理管理办法(试行)》的通知规定。(2)有监理规划及实施细则,但无针对性,不符合GB50319-2000第4.2条规定。(3)水泥未按照规定的时间、批次报验,不符合GB50319-2000第5.4.6条规定。江苏省建设工程质量监督巡查主要问题汇总表区分工程名称单位工程概况违法违规及违反工程建设标准强制性条文等问题简要事实参建各方质量行为工程实体质量建筑面积m2结构层次形象进度建设单位勘察单位设计单位施工单位监理单位土建工程安装工程无锡市1连元街小学三期(3号楼)7044框架4层4崇安区教育局无锡市民用建筑设计院无锡市民用建筑设计院江苏金土木建设集团有限公司江苏赛华监理公司监理资料未按要求及时编号整理、归档...

1、当您付费下载文档后,您只拥有了使用权限,并不意味着购买了版权,文档只能用于自身使用,不得用于其他商业用途(如 [转卖]进行直接盈利或[编辑后售卖]进行间接盈利)。
2、本站所有内容均由合作方或网友上传,本站不对文档的完整性、权威性及其观点立场正确性做任何保证或承诺!文档内容仅供研究参考,付费前请自行鉴别。
3、如文档内容存在违规,或者侵犯商业秘密、侵犯著作权等,请点击“违规举报”。

碎片内容

江苏省建设工程质量监督巡查主要问题汇总表[1]

确认删除?
VIP
微信客服
  • 扫码咨询
会员Q群
  • 会员专属群点击这里加入QQ群
客服邮箱
回到顶部