电脑桌面
添加小米粒文库到电脑桌面
安装后可以在桌面快捷访问

湖北省建设工程质量检测试验收费标准编制说明[1]VIP免费

湖北省建设工程质量检测试验收费标准编制说明[1]_第1页
1/52
湖北省建设工程质量检测试验收费标准编制说明[1]_第2页
2/52
湖北省建设工程质量检测试验收费标准编制说明[1]_第3页
3/52
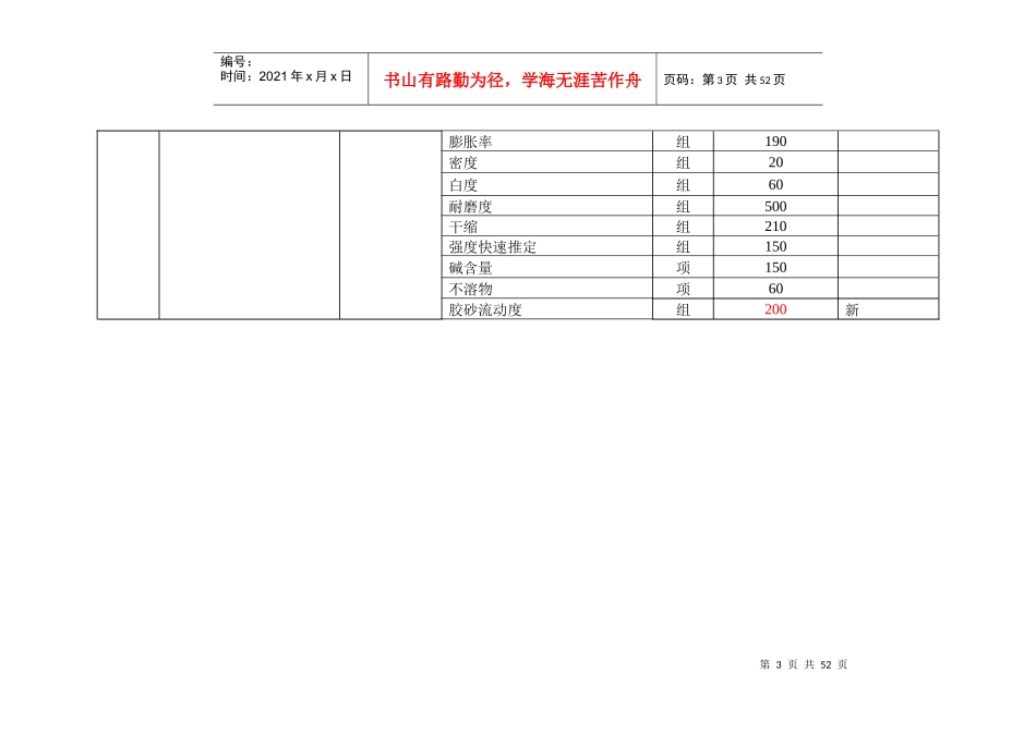
第1页共52页编号:时间:2021年x月x日书山有路勤为径,学海无涯苦作舟页码:第1页共52页附件一:湖北省建设工程质量检测试验收费标准编制说明一、建设工程质量检测试验收费标准包括材料费、水电燃料费、仪器设备检定折旧维修费、检测用房维修费、人工工资、管理费、人员培训费、办公费、税费(不包括交通费、重型设备进出场费、现场检测配合费)等项目。二、本收费标准的收入中含向省上交的1%省质量检测技术咨询服务费。三、检测项目中带★的为国家规定强制检验项目。四、偏远贫困地区名单。偏远贫困地区名单第2页共52页第1页共52页编号:时间:2021年x月x日书山有路勤为径,学海无涯苦作舟页码:第2页共52页恩施市、建始县、巴东县、利川市、宣恩县、咸丰县、来凤县、鹤峰县、丹江口市、郧西县、竹山县、郧县、竹溪县、房县、姊归县、长阳县、五峰县、通山县、阳新县、红安县、麻城市、罗田县、团风县、英山县、蕲春县、保康县、大悟县、孝昌县、神农架林区。附件二:湖北省建设工程质量检测试验收费项目和收费基准价一、见证取样检测序号类别产品名称检验项目名称单位收费标准(元)备注1水泥氧化镁项165三氧化硫项70烧失量项100★凝结时间(初凝、终凝)项150调★细度(80um筛筛析法)项40★安定性雷氏法项80试饼法项40压蒸法项150★强度项300比表面积项80水化热组245第3页共52页第2页共52页编号:时间:2021年x月x日书山有路勤为径,学海无涯苦作舟页码:第3页共52页膨胀率组190密度组20白度组60耐磨度组500干缩组210强度快速推定组150碱含量项150不溶物项60胶砂流动度组200新第4页共52页第3页共52页编号:时间:2021年x月x日书山有路勤为径,学海无涯苦作舟页码:第4页共52页序号类别产品名称检验项目名称单位收费标准(元)备注2骨料(砂、石)建筑用卵石、碎石、砂含水率(砂、石)项70颗粒级配(砂、石)项100堆积密度(砂、石)项50表观密度(砂、石)项60含泥量(砂、石)项70泥块含量(砂、石)项70吸水率(砂、石)项70紧密密度(砂、石)项60有机物含量(砂、石)项80压碎指标(砂、石)项130针片状颗粒含量(石)项60坚固性(砂、石)项300硫酸盐硫化物含量(砂、石)项130强度(石)项60不含制样费碱活性(砂、石)项500空隙率(砂、石)项100新轻物质含量(砂)项80云母含量(砂)项60石粉含量(砂、石)项70新氯离子含量(砂)项1303骨料轻集料筛分析项100新堆积密度项50新表观密度项60新第5页共52页第4页共52页编号:时间:2021年x月x日书山有路勤为径,学海无涯苦作舟页码:第5页共52页序号类别产品名称检验项目名称单位收费标准(元)备注3骨料轻集料空隙率项100新筒压强度项130新匀质性指标项100新软化系数项200新吸水率项70新粒型系数项200新含泥量项70新泥块含量项70新有机物含量项80新强度标号项130新沸煮质量损失项100新烧失量项100新4混凝土砼配合比试配普通砼配合比试配项600不含原材料试验掺外加剂砼试配项650防水砼试配项1000高强砼试配项650配合比分析组1000新拌和物稠度组100新表观密度组100新徐变组500新第6页共52页第5页共52页编号:时间:2021年x月x日书山有路勤为径,学海无涯苦作舟页码:第6页共52页轴心抗压组100劈裂抗拉组80抗渗组400P6级,每加一级加50元第7页共52页第6页共52页编号:时间:2021年x月x日书山有路勤为径,学海无涯苦作舟页码:第7页共52页序号类别产品名称检验项目名称单位收费标准(元)备注4混凝土抗冻组80025次收缩组50090次★立方体抗压组30弹性模量组200抗折组50凝结时间项300握裹力项300不含成型、养护费大体积砼测温立方米10测应力立方米30标准养护混凝土试块组40标养28天5掺外加剂砼掺外加剂砼压力泌水率比组150常压泌水率比组150渗透高度比组500透水高度比组50048h吸水量比组150收缩率比组500抗压强度比组500耐久性天30元/天钢筋锈蚀组340含气量组150坍落度增加值组150第8页共52页第7页共52页编号:时间:2021年x月x日书山有路勤为径,学海无涯苦作舟页码:第8页共52页坍落度保留值组150序号类别产品名称检验项目名称单位收费标准(元)备注5砼外加剂匀质性密度组40含固量组100★氯离子含量组150硫酸钠含量组150砂...

1、当您付费下载文档后,您只拥有了使用权限,并不意味着购买了版权,文档只能用于自身使用,不得用于其他商业用途(如 [转卖]进行直接盈利或[编辑后售卖]进行间接盈利)。
2、本站所有内容均由合作方或网友上传,本站不对文档的完整性、权威性及其观点立场正确性做任何保证或承诺!文档内容仅供研究参考,付费前请自行鉴别。
3、如文档内容存在违规,或者侵犯商业秘密、侵犯著作权等,请点击“违规举报”。

碎片内容

湖北省建设工程质量检测试验收费标准编制说明[1]

中小学文库+ 关注
实名认证
内容提供者

精品资料应用尽有

确认删除?
VIP
微信客服
  • 扫码咨询
会员Q群
  • 会员专属群点击这里加入QQ群
客服邮箱
回到顶部