电脑桌面
添加小米粒文库到电脑桌面
安装后可以在桌面快捷访问

机械工程基础VIP免费

机械工程基础_第1页
1/29
机械工程基础_第2页
2/29
机械工程基础_第3页
3/29
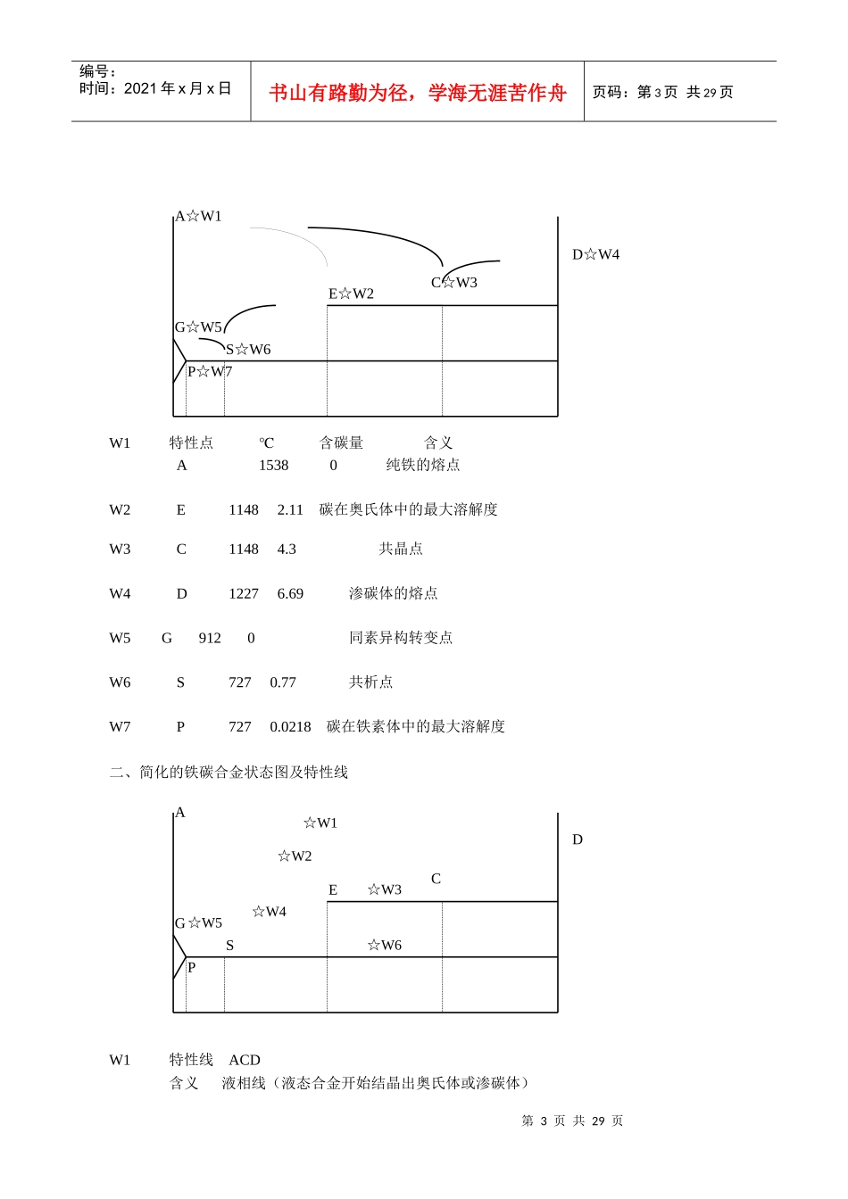
第1页共29页编号:时间:2021年x月x日书山有路勤为径,学海无涯苦作舟页码:第1页共29页机械工程基础第一篇工程材料与热处理基础第一章金属材料的种类与性能§1概述金属材料包括:黑色金属有色金属钢:碳钢、合金钢、特殊性能钢。铸铁:灰铸铁、球墨铸铁、可锻铸铁。铜及其合金铝及其合金其他:轴承合金、硬质合金……§2金属材料的力学性能使用性能物理性能化学性能力学(机械)性能力学(机械)性能静载特性:强度塑性硬度测试方法:拉伸试验硬度试验动载特性:冲击韧性疲劳强度测试方法:冲击试验疲劳试验强度:在外力作用下材料抵抗变形和破坏的能力。硬度:在外力作用下材料抵抗更硬物压入的能力。塑性:在外力作用下材料产生永久变形而不会破坏的能力。冲击韧性:材料抵抗冲击力的能力。疲劳强度:材料在多次交变载荷作用下而不致引起断裂的最大应力。§3金属的结晶和组织金属在固态下都是晶体,金属的机械性能与其组织结构有关。常见晶胞类型体心立方晶胞面心立方晶胞第2页共29页第1页共29页编号:时间:2021年x月x日书山有路勤为径,学海无涯苦作舟页码:第2页共29页金属结晶过程晶核形成……晶核长大纯铁的冷却曲线铁碳合金中铁和碳的结合方式碳溶入铁中形成固溶体碳和铁形成化合物固溶体和化合物形成机械混合物第二章铁碳合金§1概述§2铁碳合金(一)铁碳合金的基本组织铁素体(F)-碳溶于体心立方晶格α-Fe中形成的固溶体碳最大溶解度0.0218%(727℃)20℃时碳最大溶解度为0.0008%性能:较好的塑性和韧性,强度和硬度较低。奥氏体(A):碳溶于面心立方晶格γ-Fe中形成的固溶体碳最大溶解度2.11%(1148℃);727℃时碳最大溶解度为0.77%性能:质软、塑性好,无磁性,变形抗力较低。渗碳体(Fe3C):铁与碳的化合物含碳量6.69%;熔点1227℃性能:硬度高,强度很低,塑性、韧性几乎为零。珠光体(P):铁素体与渗碳体的机械混合物含碳量0.77%共析反应式(F+Fe3C)性能:=600~800Mpa(纯铁=180~280Mpa)δ=20%~25%(纯铁δ=30%~50%)HBS=170~230(纯铁HBS=50~80)莱氏体(,):奥氏体(珠光体)与渗碳体的机械混合物含碳量4.3%;共晶反应式(A+Fe3C)性能:硬度高,塑性、韧性差。(二)铁碳合金状态图一、简化的铁碳合金状态图及特性点第3页共29页第2页共29页AW1☆EW2☆CW3☆GW5☆SW6☆PW7☆☆W1☆W3☆W2☆W4☆W5☆W6AECGSP编号:时间:2021年x月x日书山有路勤为径,学海无涯苦作舟页码:第3页共29页W1特性点℃含碳量含义A15380纯铁的熔点W2E11482.11碳在奥氏体中的最大溶解度W3C11484.3共晶点W4D12276.69渗碳体的熔点W5G9120同素异构转变点W6S7270.77共析点W7P7270.0218碳在铁素体中的最大溶解度二、简化的铁碳合金状态图及特性线W1特性线ACD含义液相线(液态合金开始结晶出奥氏体或渗碳体)DW4☆D第4页共29页第3页共29页AECGSPAECGSP亚共析钢☆ZTT11过共析钢☆ZTT12共析钢☆ZTT2亚共晶白口铁☆ZTT13过共晶白口铁☆ZTT14共晶白口铁☆ZTT6工业纯铁☆ZTT3编号:时间:2021年x月x日书山有路勤为径,学海无涯苦作舟页码:第4页共29页W2特性线AE含义固相线(奥氏体结晶终了线)W3特性线ECF含义固相线(共晶线,LcA+Fe3C)W4特性线ES含义碳在奥氏体中溶解度线W5特性线GS含义奥氏体转变为铁素体的开始线W6特性线PSK含义共析线,AF+Fe3C三、典型合金的结晶过程JJ9JJ10JJ11JJ12JJ13JJ14JJ15★★★★★★★四、铁碳合金分类D第5页共29页第4页共29页编号:时间:2021年x月x日书山有路勤为径,学海无涯苦作舟页码:第5页共29页§3碳钢一、钢中常存杂质对钢性能的影响常见杂质:Si强化铁素体Mn强化铁素体、脱硫(MnS)P冷脆性(使铁素体脆性增加)S热脆性(LFe+FeS)、室温脆性增加(FeS)二、钢的分类1、按冶炼方法分:平炉钢、转炉钢、电炉钢三类2、按脱氧方法分:沸腾钢(F)、镇静钢(Z)、半镇静钢(B)等3、按质量分(依P、S多少分):普通钢S0.05%P0.045%优质钢S0.035%P0.035%高级优质钢S0.020%P0.03%特级优质钢S0.015%P0.025%4、按用途分结构钢:工程结构钢(如桥梁、船舶、建筑件等)机械零件用钢(如齿轮、轴、螺母、弹簧、滚动轴承等)工具钢:主...

1、当您付费下载文档后,您只拥有了使用权限,并不意味着购买了版权,文档只能用于自身使用,不得用于其他商业用途(如 [转卖]进行直接盈利或[编辑后售卖]进行间接盈利)。
2、本站所有内容均由合作方或网友上传,本站不对文档的完整性、权威性及其观点立场正确性做任何保证或承诺!文档内容仅供研究参考,付费前请自行鉴别。
3、如文档内容存在违规,或者侵犯商业秘密、侵犯著作权等,请点击“违规举报”。

碎片内容

机械工程基础

您可能关注的文档

中小学文库+ 关注
实名认证
内容提供者

精品资料应用尽有

确认删除?
VIP
微信客服
  • 扫码咨询
会员Q群
  • 会员专属群点击这里加入QQ群
客服邮箱
回到顶部