电脑桌面
添加小米粒文库到电脑桌面
安装后可以在桌面快捷访问

标准田径运动场施工组织设计-8wr(DOC44页)VIP免费

标准田径运动场施工组织设计-8wr(DOC44页)_第1页
1/32
标准田径运动场施工组织设计-8wr(DOC44页)_第2页
2/32
标准田径运动场施工组织设计-8wr(DOC44页)_第3页
3/32
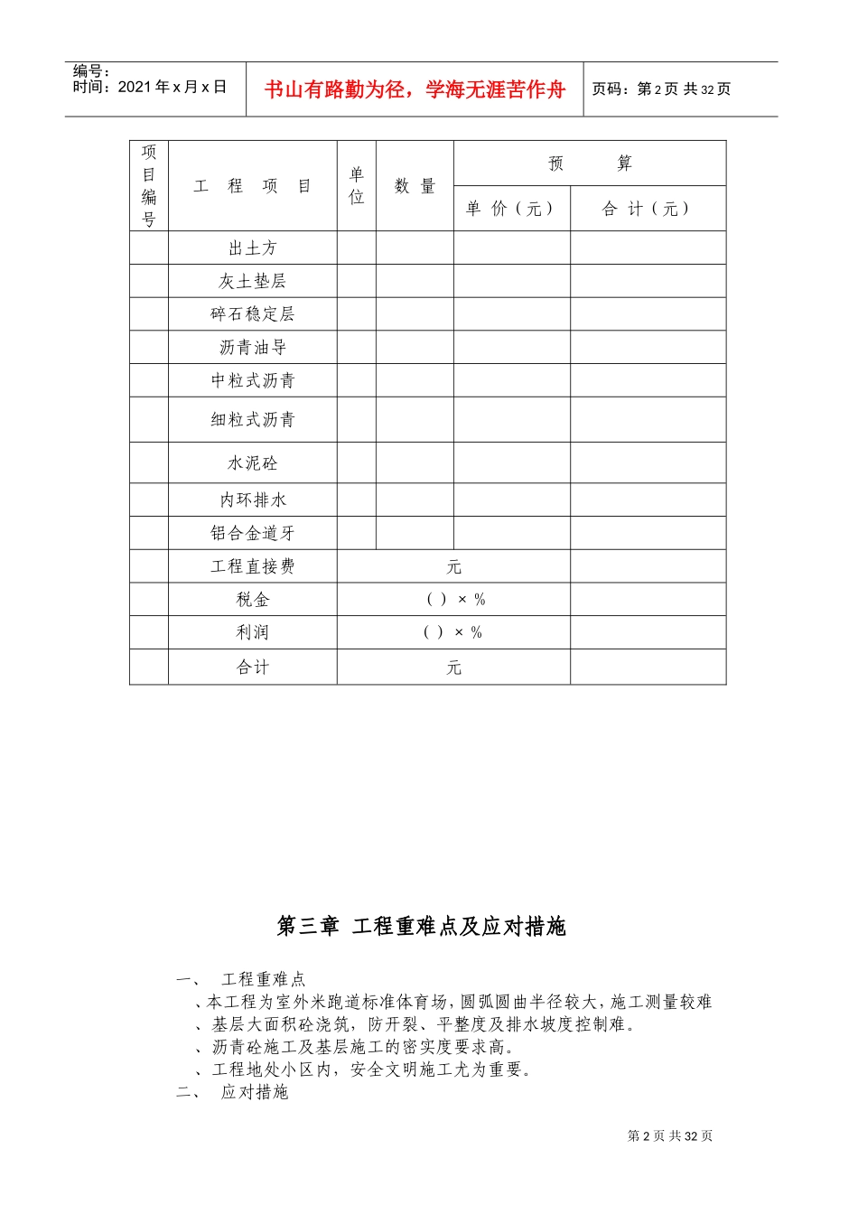
第1页共32页编号:时间:2021年x月x日书山有路勤为径,学海无涯苦作舟页码:第1页共32页第一章工程概述概述本工程为室外米标准田径运动场(内含一片标准足球场)。建设地点为小区内,其中铺设橡胶跑道面积约为平方米(含内环排水沟盖板面积平米);足球场地约平方米(含四周延展区);弯道半园区内羽毛球场、篮球场地面积约平米;场地四周设计安装与之相适应的灯光设施。除此外,设有内环沟的排水,跑道牙为铝合金制(可根据建设单位要求选用),整个场地占地面积约为×合计:平方米。其中基础面积约为平方米。其余部分建议使用回填土种植天然草坪,这样不但节省了费用同时也美化了整体环境。沥青基础和水泥基础相比较,沥青基础属半刚性基础,收缩性小,抗裂、防水性能优良,改性沥青软化点高,不易出现反油现象;而水泥基础则属刚性基础,强度高、施工简单,并且建造成本较低。因此在整个场地基础的建造过程中,结合运动场地面层对基础的不同要求和面层材料本身的特点以及从成本控制的角度考虑,我们特提出以下基础施工方案。、橡胶跑道部分基础采用沥青基础。由于人工合成类跑道面层材料对场地的技术要求以及跑道使用频率、强度都较高,尤其是水份对跑道施工的质量影响极大,为确保跑道的铺设质量和使用寿命,我们建议此部分采用防水性能好的沥青基础。、人造草足球场、羽毛球场和排球场运动区域采用水泥基础。考虑到水份对人造草足球场施工及质量影响不大,而羽毛球、排球场区域使用强度都不及跑道,故在以上区域我们建议使用水泥基础。总之,在保证符合运动场地面层材料对基础要求的同时,最大限度的控制项目的建造成本,在保证工程建造质量和水平的同时又能有效的控制成本,达到既经济又适用的原则。第二章工程预算工程概(预)算书工程名称:室外米标准田径场基础部分第2页共32页编号:时间:2021年x月x日书山有路勤为径,学海无涯苦作舟页码:第2页共32页项目编号工程项目单位数量预算单价(元)合计(元)出土方灰土垫层碎石稳定层沥青油导中粒式沥青细粒式沥青水泥砼内环排水铝合金道牙工程直接费元税金()×%利润()×%合计元第三章工程重难点及应对措施一、工程重难点、本工程为室外米跑道标准体育场,圆弧圆曲半径较大,施工测量较难、基层大面积砼浇筑,防开裂、平整度及排水坡度控制难。、沥青砼施工及基层施工的密实度要求高。、工程地处小区内,安全文明施工尤为重要。二、应对措施第3页共32页编号:时间:2021年x月x日书山有路勤为径,学海无涯苦作舟页码:第3页共32页、本工程测量放线采用一台型数字全站仪、一台激光经纬仪和的钢卷尺组建三人测量小组施测,确保准确。、大面积砼面层施工中合理调整砼配合比,减少水泥用量,并采用低水化热的矿渣水泥,减小收缩;并按规范设置伸缩缝,确保砼完整无裂缝。平整度及排水坡度控制采用槽钢固定水平仪监控进行摊铺砼,根据设计标高精心控制。、采用振动压路机分层碾压密实。、根据进度计划的要求合理安排各工序的穿插,采用网络技术控制各工序的完成情况;对施工全过程进行信息化管理,建立工期控制领导小组,分析原因,改进施工方法,确保顺利完成。、严格按安全文明施工标准进行管理,全封闭施工,创文明工地。第4页共32页编号:时间:2021年x月x日书山有路勤为径,学海无涯苦作舟页码:第4页共32页第四章施工总体目标本工程位于住宅小区内,优质、高效、快速建好本工程对树立建设方的良好形象都有重要意义。本工程采用项目经理负责制,认真贯彻执行公司“科学管理、精心施工、确保质量、优质服务。”的质量方针,优化调配施工技术力量、设备、材料以及资金等,采用先进、成熟的施工工艺和有效的科学管理体制,确保优质快速完成本工程,充分实现企业的经营目标和建设方的期望、需求。从而我们制定了以下各项管理目标。一、工程质量目标施工中严格按照建设方的有关要求和国家有关规范、规程、标准组织施工和公司的标准建立的质量保证模式进行质量监控,以质量求速度,以质量求效益,以工作质量保证工序质量,上道工序不合格决不允许下道工序施工,严格执行“三检制”,从而保证按照国家标准的要求一次性交验达到...

1、当您付费下载文档后,您只拥有了使用权限,并不意味着购买了版权,文档只能用于自身使用,不得用于其他商业用途(如 [转卖]进行直接盈利或[编辑后售卖]进行间接盈利)。
2、本站所有内容均由合作方或网友上传,本站不对文档的完整性、权威性及其观点立场正确性做任何保证或承诺!文档内容仅供研究参考,付费前请自行鉴别。
3、如文档内容存在违规,或者侵犯商业秘密、侵犯著作权等,请点击“违规举报”。

碎片内容

标准田径运动场施工组织设计-8wr(DOC44页)

您可能关注的文档

确认删除?
VIP
微信客服
  • 扫码咨询
会员Q群
  • 会员专属群点击这里加入QQ群
客服邮箱
回到顶部