电脑桌面
添加小米粒文库到电脑桌面
安装后可以在桌面快捷访问

机械加工工艺过程卡VIP免费

机械加工工艺过程卡_第1页
1/12
机械加工工艺过程卡_第2页
2/12
机械加工工艺过程卡_第3页
3/12
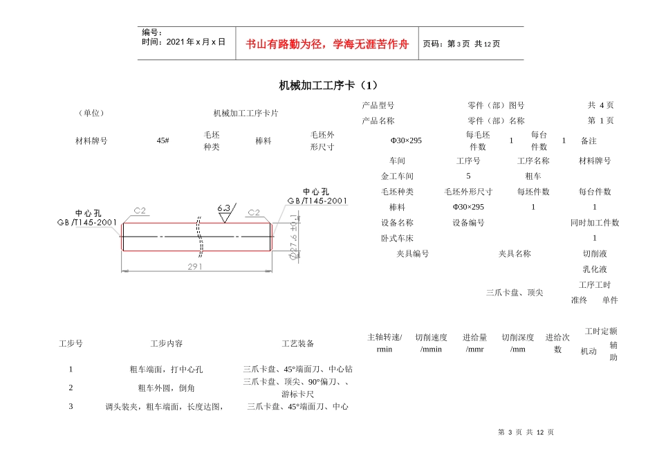
机械加工工艺过程卡(单位)机械加工工艺过程卡片产品型号零(部)件图号共页产品名称传动轴零(部)件名称第页材料牌号45#毛坯种类棒料毛坯外形尺寸Φ30×295每毛坯件数1每台件数1备注工序号工序名称工序内容车间工段设备工艺装备工时准终单件0下料下料:切Φ30×295棒料钳工车间锯床钢锯、钢卷尺5粗车车端面、打中心孔、车外圆、倒角金工车间车工卧式车床三爪卡盘、顶尖、45°端面车刀、90°外圆车刀、中心钻10热处理热处理:调质230-280HB热处理车间15精车精车端面、精车外圆、倒角、车螺纹金工车间车工卧式车床三爪卡盘、鸡心夹头、顶尖、90°外圆车刀、螺纹车刀20粗磨粗磨Φ25外圆,修研中心孔金工车间磨工磨床砂轮、硬质合金顶尖、磨床顶尖、鸡心夹头、百分表25划线划线,确定键槽位置金工车间钳工钳工工作台高度尺30铣削铣键槽金工车间铣工立式铣床专用夹具、中心钻、Φ10键槽铣刀35精磨精磨Φ25外圆至成品尺寸金工车间磨工磨床砂轮、硬质合金顶尖、磨床顶尖、鸡心夹头、百分表40钳工去毛刺、锐边金工车间钳工工作台锉刀45检验成品检验质检科游标卡尺、外径千分尺、深度尺、螺纹塞规50表面处理表面发兰热处理车间55涂油入库编制(日期)审核(日期)会签(日期)标记处记更改签字日期标记处记更改签字日期第3页共12页编号:时间:2021年x月x日书山有路勤为径,学海无涯苦作舟页码:第3页共12页机械加工工序卡(1)(单位)机械加工工序卡片产品型号零件(部)图号共4页产品名称零件(部)名称第1页材料牌号45#毛坯种类棒料毛坯外形尺寸Φ30×295每毛坯件数1每台件数1备注车间工序号工序名称材料牌号金工车间5粗车毛坯种类毛坯外形尺寸每坯件数每台件数棒料Φ30×29511设备名称设备编号同时加工件数卧式车床1夹具编号夹具名称切削液三爪卡盘、顶尖乳化液工序工时准终单件工步号工步内容工艺装备主轴转速/rmin切削速度/mmin进给量/mmr切削深度/mm进给次数工时定额机动辅助1粗车端面,打中心孔三爪卡盘、45°端面刀、中心钻2粗车外圆,倒角三爪卡盘、顶尖、90°偏刀、、游标卡尺3调头装夹,粗车端面,长度达图,三爪卡盘、45°端面刀、中心第4页共12页第3页共12页编号:时间:2021年x月x日书山有路勤为径,学海无涯苦作舟页码:第4页共12页打中心孔钻、、游标卡尺4粗车外圆,倒角三爪卡盘、顶尖、90°偏刀、游标卡尺编制(日期)审核(日期)会签(日期)标记处记更改签字日期标记处记更改签字日期第5页共12页第4页共12页编号:时间:2021年x月x日书山有路勤为径,学海无涯苦作舟页码:第5页共12页机械加工工序卡(2)(单位)机械加工工序卡片产品型号零件(部)图号共4页产品名称零件(部)名称第2页材料牌号45#毛坯种类棒料毛坯外形尺寸Φ30×295每毛坯件数1每台件数1备注车间工序号工序名称材料牌号金工车间15精车毛坯种类毛坯外形尺寸每坯件数每台件数棒料Φ30×29511设备名称设备编号同时加工件数卧式车床1夹具编号夹具名称切削液三爪卡盘、鸡心夹头、顶尖乳化液工序工时准终单件工步号工步内容工艺装备主轴转速/rmin切削速度/mmin进给量/mmr切削深度/mm进给次数工时定额机动辅助1左端装夹,精车端面、M20×1.5外圆、Φ25外圆,倒角三爪卡盘、鸡心夹头、顶尖、90°外圆车刀、游标卡尺2车M20×1.5螺纹三爪卡盘、鸡心夹头、顶尖、螺纹车刀、螺纹塞规第6页共12页第5页共12页编号:时间:2021年x月x日书山有路勤为径,学海无涯苦作舟页码:第6页共12页3调头装夹,精车端面、M20外圆,倒角三爪卡盘、鸡心夹头、顶尖、90°外圆车刀、游标卡尺4车M20螺纹三爪卡盘、鸡心夹头、顶尖、螺纹车刀、螺纹塞规5修研中心孔多棱硬质合金顶尖编制(日期)审核(日期)会签(日期)标记处记更改签字日期标记处记更改签字日期第7页共12页第6页共12页编号:时间:2021年x月x日书山有路勤为径,学海无涯苦作舟页码:第7页共12页机械加工工序卡(3)(单位)机械加工工序卡片产品型号零件(部)图号共4页产品名称零件(部)名称第3页材料牌号45#毛坯种类棒料毛坯外形尺寸Φ30×295每毛坯件数1每台件数1备注车间工序号工序名称材料牌号金工车间20粗磨毛坯种类毛坯外形尺寸每坯件数每台件数棒料Φ3...

1、当您付费下载文档后,您只拥有了使用权限,并不意味着购买了版权,文档只能用于自身使用,不得用于其他商业用途(如 [转卖]进行直接盈利或[编辑后售卖]进行间接盈利)。
2、本站所有内容均由合作方或网友上传,本站不对文档的完整性、权威性及其观点立场正确性做任何保证或承诺!文档内容仅供研究参考,付费前请自行鉴别。
3、如文档内容存在违规,或者侵犯商业秘密、侵犯著作权等,请点击“违规举报”。

碎片内容

机械加工工艺过程卡

您可能关注的文档

确认删除?
VIP
微信客服
  • 扫码咨询
会员Q群
  • 会员专属群点击这里加入QQ群
客服邮箱
回到顶部