电脑桌面
添加小米粒文库到电脑桌面
安装后可以在桌面快捷访问

机械零件课程设计范本VIP免费

机械零件课程设计范本_第1页
1/25
机械零件课程设计范本_第2页
2/25
机械零件课程设计范本_第3页
3/25
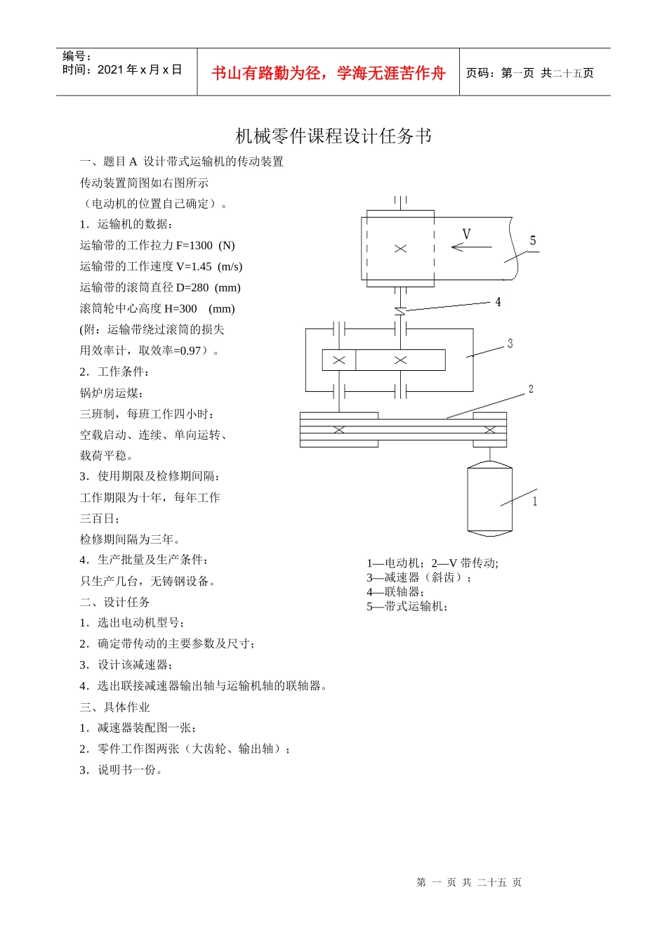
第一页共二十五页编号:时间:2021年x月x日书山有路勤为径,学海无涯苦作舟页码:第一页共二十五页机械零件课程设计任务书一、题目A设计带式运输机的传动装置传动装置简图如右图所示(电动机的位置自己确定)。1.运输机的数据:运输带的工作拉力F=1300(N)运输带的工作速度V=1.45(m/s)运输带的滚筒直径D=280(mm)滚筒轮中心高度H=300(mm)(附:运输带绕过滚筒的损失用效率计,取效率=0.97)。2.工作条件:锅炉房运煤:三班制,每班工作四小时:空载启动、连续、单向运转、载荷平稳。3.使用期限及检修期间隔:工作期限为十年,每年工作三百日;检修期间隔为三年。4.生产批量及生产条件:只生产几台,无铸钢设备。二、设计任务1.选出电动机型号;2.确定带传动的主要参数及尺寸;3.设计该减速器;4.选出联接减速器输出轴与运输机轴的联轴器。三、具体作业1.减速器装配图一张;2.零件工作图两张(大齿轮、输出轴);3.说明书一份。1—电动机;2—V带传动;3—减速器(斜齿);4—联轴器;5—带式运输机;第二页共二十五页第一页共二十五页编号:时间:2021年x月x日书山有路勤为径,学海无涯苦作舟页码:第二页共二十五页目录一、传动方案的确定………………………………………………………..…………(2)二、电动机的选择、传动系统的运动和动力参数……………………………(3)1.电动机的选择……………………………………………………..………..………(3)2.传动比分配…………………………………………………………………………(3)3.各级传动的动力参数计算…………………………………………...…………(4)4.将运动和动力参数计算结果列表……………………………………………(4)三、传动零件的设计、计算………………………………..………..………..…(5)1.V带传动的设计…………………………………..……………………….…...…(5)2.带的参数尺寸列表………………..………………………………………………(6)3.减速器齿轮设计……………………………………………………………………(7)四、轴的设计与校核……….…………………………………………………………(11)1.轴的初步设计……………………..….……………………………………………(11)2.I轴的校核……………………………………….…………………………….……(12)3.II轴的校核………………………………………….……………………….……(14)五、键联接的选择与校核………………….…….…..……………………….……(15)1.I轴外伸端处键联接……….……………..…..…………………………….…(16)2.II轴外伸端处键联接…………….…………………………………….………(16)3.II轴与大齿轮配合处键联接………………………….…………….….……(16)六、轴承寿命校核…………………………………………….……………..…….…(16)1.I轴轴承7206AC校核………………………………….…………..…..………(16)2.II轴轴承7209AC校核…………………..……………………….….…………(17)七、联轴器的选择与校核……………………..……………………….….………(18)八、润滑与密封形式,润滑油牌号及用量说明………..………..….……...(19)九、箱体结构相关尺寸………………………….……………..……..…..……..…(19)十、减速器附件列表……………….…….………………………..………..……....(20)十一、参考资料…………………………….….…………………………….…….…(20)第三页共二十五页第二页共二十五页编号:时间:2021年x月x日书山有路勤为径,学海无涯苦作舟页码:第三页共二十五页第2页计算项目计算内容计算结果一、传动方案的确定方案A:优点:缺点:采用一级带传动和一级闭式齿轮传动。(1)带传动具有成本低,维护方便的优点。(2)带传动有减震和过载保护功能。(1)外形尺寸大,传动比不恒定。(2)效率较低,寿命短,不适合在繁重的工作要求和恶劣的工作条件下工作。方案B:优点:缺点:采用一级闭式齿轮传动和一级开式齿轮传动。(1)开...

1、当您付费下载文档后,您只拥有了使用权限,并不意味着购买了版权,文档只能用于自身使用,不得用于其他商业用途(如 [转卖]进行直接盈利或[编辑后售卖]进行间接盈利)。
2、本站所有内容均由合作方或网友上传,本站不对文档的完整性、权威性及其观点立场正确性做任何保证或承诺!文档内容仅供研究参考,付费前请自行鉴别。
3、如文档内容存在违规,或者侵犯商业秘密、侵犯著作权等,请点击“违规举报”。

碎片内容

机械零件课程设计范本

确认删除?
VIP
微信客服
  • 扫码咨询
会员Q群
  • 会员专属群点击这里加入QQ群
客服邮箱
回到顶部