电脑桌面
添加小米粒文库到电脑桌面
安装后可以在桌面快捷访问

测绘工程收费标准VIP免费

测绘工程收费标准_第1页
1/23
测绘工程收费标准_第2页
2/23
测绘工程收费标准_第3页
3/23
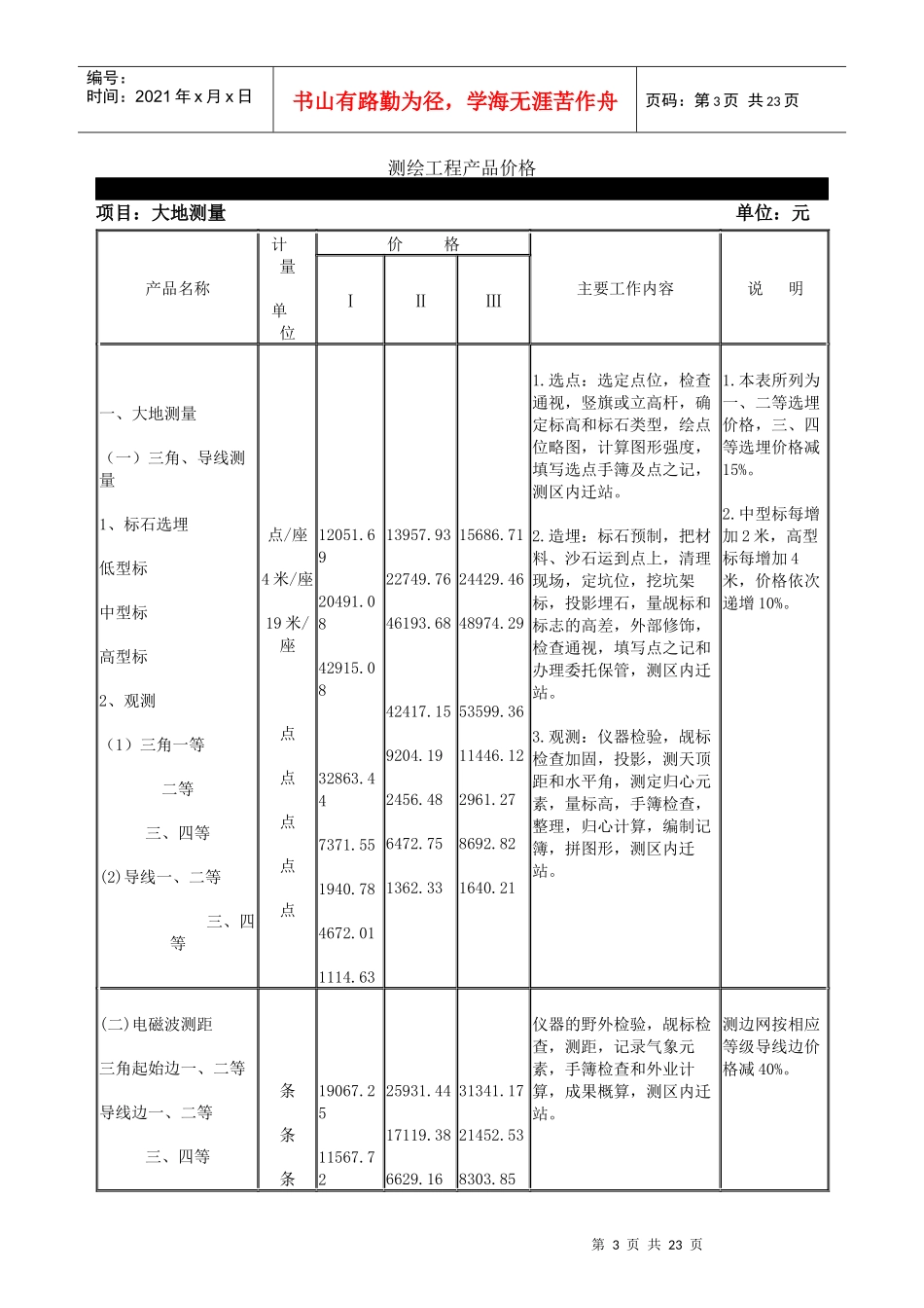
第1页共23页编号:时间:2021年x月x日书山有路勤为径,学海无涯苦作舟页码:第1页共23页国家测绘局文件国测财字[2002]3号关于印发《测绘工程产品价格》和《测绘工程产品困难类别细则》的通知各省、自治区、直辖市测绘主管部门,计划单列市测绘主管部门,局所属各单位,国务院各有关部门:为规范测绘工程产品价格行为,保护测绘工程产品生产单位和用户的合法权益,根据《国家计委财政部关于将部分行政事业性收费转为经营服务性收费的通知》(财综[2001]94号)的精神,我局制定了《测绘工程产品价格》、《测绘工程产品困难类别细则》。现印发给你们,自颁布之日起执行。对于执行中发现的问题,请及时向我们反映。二OO二年一月二十八日抄送:国家计委、财政部、审计署、国家税务总局财政部国家计委文件财综[2001]94号财政部国家计委关于部分行政事业性收费转为经营服务性收费(价格)的通知省、自治区、直辖市、计划单列市财政厅(局)、计委(物价局),新疆生产建设兵团财务局,国务院有关部门:近年来,随着社会主义市场经济的发展,过去由国家计委(原国家物价局)、财政部批准的行政事业性收费项目,有一部分已不再具有政府公共管理和公共服务性质,体现出明显的市场经营服务特征。根据国家计委、国家经贸委、财政部、监察部、审计署、国务院纠风办颁布的《中介服务收费管理办法》(计价格[1999]2255号)的有关规定,为规范行政事业性收费管理,决定将部分行政事业性收费转为经营服务性收费。现将有关事宜通知如下:一、将下列部门的行政事业性收费转为经营服务性收费(价格)。(五)测绘部门测绘产品收费(不包括测绘成果成图资料收费)。收费依据:原国家物价局、财政部《关于发布测绘系统行政事业性收费项目及标准的通知》([1992]价费字176号)。测绘产品作为价格管理后,其具体价格由国家测绘局制定,报国家计委备案。二、根据《国务院关于加强预算外资金管理的决定》(国发[1996]29号)的规定,上述行政事业性收费转为经营服务性收费(价格)后,其收入不再作为预算外资金,也不再上缴财政专户实行“收支两条线”管理。执行单位应按照国家有关财务制度规定,将经营服务性收费纳入单位财务收支统一核算和管理。第2页共23页第1页共23页编号:时间:2021年x月x日书山有路勤为径,学海无涯苦作舟页码:第2页共23页三、上述行政事业性收费转为经营服务性收费(价格)后,要严格按照《中华人民共和国价格法》的有关规定进行管理,并按国家有关规定依法纳税,使用税务发票。同时,按规定及时到指定的价格、财政主管部门办理收费许可证和行政事业性收费票据购领变更手续。四、本通知自2002年1月1日起执行。过去有关规定与本通知不一致的,以本通知规定为准。二OO一年十二月二十八日抄送:国家计委、财政部、审计署、国家税务总局第3页共23页第2页共23页编号:时间:2021年x月x日书山有路勤为径,学海无涯苦作舟页码:第3页共23页测绘工程产品价格项目:大地测量单位:元产品名称计量单位价格主要工作内容说明ⅠⅡⅢ一、大地测量(一)三角、导线测量1、标石选埋低型标中型标高型标2、观测(1)三角一等二等三、四等(2)导线一、二等三、四等点/座4米/座19米/座点点点点点12051.6920491.0842915.0832863.447371.551940.784672.011114.6313957.9322749.7646193.6842417.159204.192456.486472.751362.3315686.7124429.4648974.2953599.3611446.122961.278692.821640.211.选点:选定点位,检查通视,竖旗或立高杆,确定标高和标石类型,绘点位略图,计算图形强度,填写选点手簿及点之记,测区内迁站。2.造埋:标石预制,把材料、沙石运到点上,清理现场,定坑位,挖坑架标,投影埋石,量觇标和标志的高差,外部修饰,检查通视,填写点之记和办理委托保管,测区内迁站。3.观测:仪器检验,觇标检查加固,投影,测天顶距和水平角,测定归心元素,量标高,手簿检查,整理,归心计算,编制记簿,拼图形,测区内迁站。1.本表所列为一、二等选埋价格,三、四等选埋价格减15%。2.中型标每增加2米,高型标每增加4米,价格依次递增10%。(二)电磁波测距三角起始边一、二等导线边一、二等三、四等...

1、当您付费下载文档后,您只拥有了使用权限,并不意味着购买了版权,文档只能用于自身使用,不得用于其他商业用途(如 [转卖]进行直接盈利或[编辑后售卖]进行间接盈利)。
2、本站所有内容均由合作方或网友上传,本站不对文档的完整性、权威性及其观点立场正确性做任何保证或承诺!文档内容仅供研究参考,付费前请自行鉴别。
3、如文档内容存在违规,或者侵犯商业秘密、侵犯著作权等,请点击“违规举报”。

碎片内容

测绘工程收费标准

中小学文库+ 关注
实名认证
内容提供者

精品资料应用尽有

确认删除?
VIP
微信客服
  • 扫码咨询
会员Q群
  • 会员专属群点击这里加入QQ群
客服邮箱
回到顶部