电脑桌面
添加小米粒文库到电脑桌面
安装后可以在桌面快捷访问

浙江某服装公司采购部工作职责VIP免费

浙江某服装公司采购部工作职责_第1页
1/29
浙江某服装公司采购部工作职责_第2页
2/29
浙江某服装公司采购部工作职责_第3页
3/29
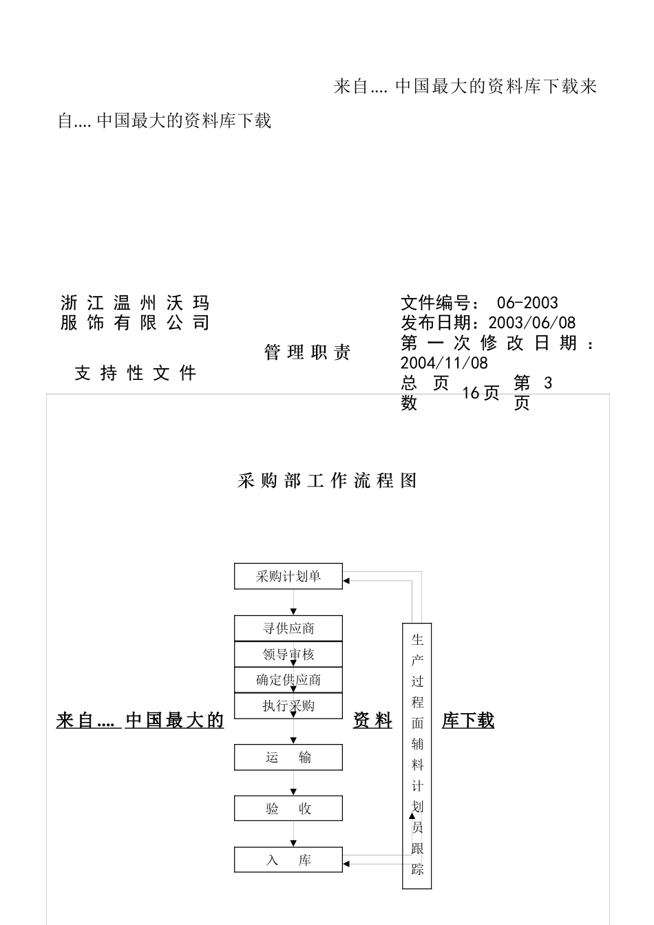
浙江温州沃玛服饰有限公司管理职责文件编号:06-2003发布日期:2003/06/08支持性文件第一次修改日期:2004/11/08总页数16页第1页采购部职能1、质量方针、质量目标1.1质量方针:1.1.1量保证、时量结合,精选采购。1.2质量目标:1.2.1所有购置面辅料合格率100%1.2.2所有面辅料均在合格供方采购。2、部门职能2.1负责公司原材料、辅料、设备工具等物资按时、按质、按量采购及保管;2.2坚持节约原则,积级处理呆滞物资和废品。2.3组织物资市场调查,掌握市场资源、质量、价格等信息,做好市场物资供应预测,对紧缺物资做好储备;2.4负责供应商的布点工作,会同质检、技术部门对供应商进行考察,确定合格供应商;2.5负责物资供应合同的签订,并按合同组织采购;2.6按储备定额和企业资金,会同财务部门制定物资储备资金定额;2.7负责合同格供方的档案管理。来自....中国最大的资料库下载采购部组织结构采购经理采购经理助理驾驶员仓库核算员面料仓管员辅料仓管员采购员浙江温州沃玛服饰有限公司管理职责文件编号:06-2003发布日期:2003/06/08支持性文件第一次修改日期:2004/11/08总页数16页第2页来自....中国最大的资料库下载来自....中国最大的资料库下载采购部工作流程图来自....中国最大的资料库下载采购计划单生产过程面辅料计划员跟踪确定供应商领导审核执行采购运输验收入库寻供应商浙江温州沃玛服饰有限公司管理职责文件编号:06-2003发布日期:2003/06/08支持性文件第一次修改日期:2004/11/08总页数16页第3页采购部经理岗位职责职务:采购部经理定员:1人管理幅度3-5人所属部门:采购部直接上级:总经理职务分析人:批准人:工作概要:对材料采购的控制与管理本职工作:1、在总经理的领导下,负责公司原材料、辅料、设备、工具的采购和保管。2、对废旧、积压的物资进行回收利用或作其他处理。3、根据生产计划,编制物资采购计划并组织实施。4、制定合理的物资储备定额,正确处理轻重缓急的关系,经济批量适时采购、调运,确保不脱节、不超储。5、负责供应商的布点工作,会同质检、技术部门对供应商进行考察。6、负责与合格供方的合同签定并按合同规定组织提货、运输验收、入库。浙江温州沃玛服饰有限公司管理职责文件编号:06-2003发布日期:2003/06/08支持性文件第一次修改日期:2004/11/08总页数16页第4页7、组织物资市声调查、掌握市声资源、质量、价格等信息,做好市声物资供应预测,对紧缺物资做好储备。8、上报市场分析报告,对公司所需采购的物料、设备的市场变化情况及行业规律做调查、了解;9、对长期主要供应商进行等级评估,对品质、交货价格、服务,企业符合能力评出等级;10、实施采购;11、解决售后服务;12、相关部门员工任免、考核、奖惩权。领导责任:对部门的办公秩序和用人质量负责,以及总经量安排的其它工作负责。主要权力:1、对采购材料有管理和控制权;2、对合格供方有确定权;3、对采购申请单有审批权;4、对采购而造成的材料损失。直接责任:1、对采购材料不合质量标准处理不当;浙江温州沃玛服饰有限公司管理职责文件编号:06-2003发布日期:2003/06/08支持性文件第一次修改日期:2004/11/08总页数16页第5页2、对因采购而造成的材料损失。素质要求:1、高中以上文化,在大中型企业有3年以上的采购工作经验;2、经过09001质量体系的培训,有较强的工作原则。3、为人正直、大公无私,男性为佳,年龄35岁以上。浙江温州沃玛服饰有限公司管理职责文件编号:06-2003发布日期:2003/06/08支持性文件第一次修改日期:2004/11/08总页数16页第6页采购经理助理岗位职责职务:采购部经理助理定员:1人管理幅度3-5人所属部门:采购部直接上级:采购部经理职务分析人:批准人:工作概要:协助采购经理作好采购事务的管理与控制本职工作:1、面、辅料到位后,送质检部检验,填制送检单;2、合格的面、辅料交仓库入库,及时向财务部门提供准确有效的付款凭证;3、负责安排不合格面、辅料的退货工作;4、接营销部《客户采购通知单》后,整理相关资料,填制《面料记录》及《辅料记录》,并按供方名单编制采购计划,实施采购;5、负责管理、监督、协助面、辅料仓库、并对...

1、当您付费下载文档后,您只拥有了使用权限,并不意味着购买了版权,文档只能用于自身使用,不得用于其他商业用途(如 [转卖]进行直接盈利或[编辑后售卖]进行间接盈利)。
2、本站所有内容均由合作方或网友上传,本站不对文档的完整性、权威性及其观点立场正确性做任何保证或承诺!文档内容仅供研究参考,付费前请自行鉴别。
3、如文档内容存在违规,或者侵犯商业秘密、侵犯著作权等,请点击“违规举报”。

碎片内容

浙江某服装公司采购部工作职责

中小学文库+ 关注
实名认证
内容提供者

精品资料应用尽有

确认删除?
VIP
微信客服
  • 扫码咨询
会员Q群
  • 会员专属群点击这里加入QQ群
客服邮箱
回到顶部